电脑桌面
添加小米粒文库到电脑桌面
安装后可以在桌面快捷访问

安装电气造价员常用定额价目表VIP免费

安装电气造价员常用定额价目表_第1页
1/40
安装电气造价员常用定额价目表_第2页
2/40
安装电气造价员常用定额价目表_第3页
3/40
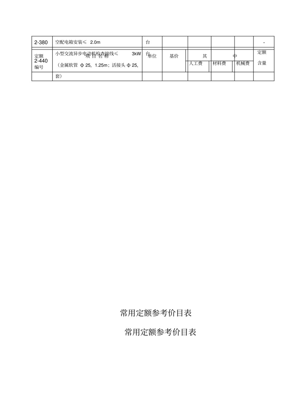
定额编号项目名称单位基价其中定额含量人工费材料费机械费2-262成套配电箱落地式台-2-263成套配电箱悬挂嵌入半周长≤0.5m台--2-264成套配电箱悬挂嵌入半周长≤1.0m台--2-265成套配电箱悬挂嵌入半周长≤1.5m台--2-266成套配电箱悬挂嵌入半周长≤2.5m台-2-326端子板安装组2-327无端子外部接线≤2.5mm210个--2-328无端子外部接线≤6mm210个--2-329有端子外部接线≤2.5mm210个--2-330有端子外部接线≤6mm210个--2-331焊铜接线端子≤16mm210个--2-332焊铜接线端子≤35mm210个--2-333焊铜接线端子≤70mm210个--2-337压铜接线端子≤16mm210个--2-338压铜接线端子≤35mm210个--2-339压铜接线端子≤70mm210个--2-345压铝接线端子≤16mm210个--2-346压铝接线端子≤35mm210个--2-347压铝接线端子≤70mm210个--2-356基础槽钢安装10m-2-357基础角钢安装10m2-358一般铁构件制作100kg105kg2-359一般铁构件安装100kg-2-360轻型铁构件制作100kg104kg轻型铁构件安装100kg4.6kg2-379空配电箱安装≤1.0m台-常用定额参考价目表常用定额参考价目表2-380空配电箱安装≤2.0m台-2-440小型交流异步电动机检查接线≤3kW(金属软管Φ25,1.25m;活接头Φ25,套)台定额编号项目名称单位基价其中定额含量人工费材料费机械费2-441小型交流异步电动机检查接线≤13kW(金属软管Φ25,1.25m;活接头Φ25,套)台2-442小型交流异步电动机检查接线≤30kW(金属软管Φ40,1.25m;活接头Φ40,套)台2-443小型交流异步电动机检查接线≤100kW(金属软管Φ50,1.25m;活接头Φ50,套)台2-464微型电机检查接线(金属软管Φ20,1.25m;活接头Φ20,套)台-2-474小型电机干燥≤3kW台--2-475小型电机干燥≤13kW台--2-476小型电机干燥≤30kW台--2-477小型电机干燥≤100kW台--2-523电缆沟挖填,一般土沟m3--2-524电缆沟挖填,含建筑垃圾土m3--2-527人工开挖路面,混凝土路面厚度≤150mmm2-2-528人工开挖路面,混凝土路面厚度≤250mmm2-2-531电缆沟铺砂盖砖,1~2根100m--2-532电缆沟铺砂盖砖,每增加一根100m--2-541电缆保护管敷设,钢管SC100~150mm10m-2-544钢制桥架安装,宽+高≤150mm(定额含量:桥架,10.05m;盖板,10.05m)10m-2-545钢制桥架安装,宽+高≤400mm(定额含量:桥架,10.05m;盖板,10.05m)10m-2-596小型塑料槽,宽≤50mm,墙上安装10m-10.5m2-597加强式塑料槽,宽≤100mm,10m10.5m常用定额参考价目表2-604电缆防火堵洞,保护管处--2-612铝芯电力电缆敷设≤35mm2100m101m2-613铝芯电力电缆敷设≤120mm2100m101m2-616竖直通道铝芯电力电缆敷设≤35mm2100m101m定额编号项目名称单位基价其中定额含量人工费材料费机械费竖直通道铝芯电力电缆敷设≤120mm2100m101m2-620铜芯电力电缆敷设≤35mm2100m101m2-621铜芯电力电缆敷设≤120mm2100m101m2-624竖直通道铜芯电力电缆敷设≤35mm2100m101m2-625竖直通道铜芯电力电缆敷设≤120mm2100m101m2-628户内干包电缆终端头制作、安装,1kV以下,≤35mm2个--2-629户内干包电缆终端头制作、安装,1kV以下,≤120mm2个--2-642户内热缩电缆终端头制作、安装,1kV以下,≤35mm2个-套2-643户内热缩电缆终端头制作、安装,1kV以下,≤120mm2个-套2-674控制电缆敷设,电缆≤6芯100m-101.5m2-675控制电缆敷设,电缆≤14芯100m101.5m常用定额参考价目表2-676控制电缆敷设,电缆≤24芯100m101.5m2-677控制电缆敷设,电缆≤37芯100m101.5m2-679竖直通道控制电缆敷设,电缆≤14芯100m101.5m2-680竖直通道控制电缆敷设,电缆≤37芯100m101.5m2-682控制电缆头制作、安装,终端头≤6芯个-2-683控制电缆头制作、安装,终端头≤14芯个-2-684控制电缆头制作、安装,终端头≤24芯个-2-685控制电缆头制作、安装,终端头≤37芯个-2-690钢管接地极制作、安装,普通土根根定额编号项目名称单位基价其中定额含量人工费材料费机械费2-691钢管接地极制作、安装,坚土根根2-692角钢接地极制作、安装,普通土根根2-693角钢接地极制作、安装,坚土根根2-698户内接地母线敷设10m10.5m2-699户外接地母线敷设,截面≤200mm210m10.5m2-703接地跨接线安装10处常用定额参考价目表2-704构架接地安装处2-705钢铝...

1、当您付费下载文档后,您只拥有了使用权限,并不意味着购买了版权,文档只能用于自身使用,不得用于其他商业用途(如 [转卖]进行直接盈利或[编辑后售卖]进行间接盈利)。
2、本站所有内容均由合作方或网友上传,本站不对文档的完整性、权威性及其观点立场正确性做任何保证或承诺!文档内容仅供研究参考,付费前请自行鉴别。
3、如文档内容存在违规,或者侵犯商业秘密、侵犯著作权等,请点击“违规举报”。

碎片内容

安装电气造价员常用定额价目表

您可能关注的文档

确认删除?
VIP
微信客服
  • 扫码咨询
会员Q群
  • 会员专属群点击这里加入QQ群
客服邮箱
回到顶部