电脑桌面
添加小米粒文库到电脑桌面
安装后可以在桌面快捷访问

家具制造企业安全检查表VIP免费

家具制造企业安全检查表_第1页
1/19
家具制造企业安全检查表_第2页
2/19
家具制造企业安全检查表_第3页
3/19
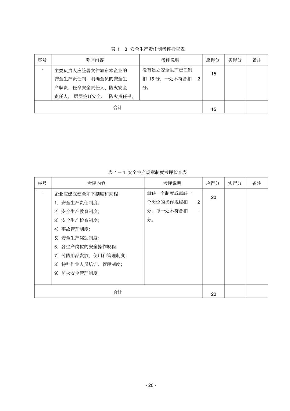
-19-家具制造企业安全生产标准化达标考评检查表一.基础管理考评检查表表1-1安全生产目标管理考评检查表序号考评内容考评说明应得分实得分备注1应确定本企业的安全生产目标,制定为实现安全生产目标而采取的具体管理措施并组织实施。无实施安全生产目标管理扣10分,每一条具体管理措施未落实扣2分。10合计10表1-2安全生产管理机构及人员考评检查表序号考评内容考评说明应得分实得分备注11)企业主要负责人必须经安全生产培训考核合格,持有《广东省生产经营单位主要负责人安全资格证》或当地市级以上安全生产监督管理部门认可证书。一处不符合,扣15分。152)从业人员超过300人的,设置安全生产管理机构或配备专职安全生产管理人员;从业人员在300人以下的,配备专职或兼职安全生产管理人员,或委托有资质的工程技术人员提供安全生产管理服务。3)必须按《广东省注册安全主任管理规定》配备安全人员:300人以下的企业聘任不少于1名专职或兼职注册安全主任;300~500人的企业聘任不少于1名专职注册安全主任;500~1000人的企业聘任不少于2名专职注册安全主任;超过1000人的企业按2‰的比例聘任安全主任。合计15-20-表1-3安全生产责任制考评检查表序号考评内容考评说明应得分实得分备注1主要负责人应签署文件颁布本企业的安全生产责任制,明确全员的安全生产职责,任命安全责任人、防火安全责任人,层层签订安全、防火责任书。没有建立安全生产责任制扣15分,一处不符合扣2分。15合计15表1-4安全生产规章制度考评检查表序号考评内容考评说明应得分实得分备注1企业应建立健全如下制度和规程:1)安全生产责任制度;2)安全生产教育制度;3)安全生产检查制度;4)事故管理制度;5)安全生产奖惩制度;6)各生产岗位的安全操作规程;7)劳防用品发放、使用和管理制度;8)特种作业人员培训、管理制度;9)防火安全管理制度。每缺一个制度或每缺一个岗位的操作规程扣2分,每一处不符合扣1分。20合计20-21-表1-5安全教育考评检查表序号考评内容考评说明应得分实得分备注11)应对新进厂员工进行三级安全教育,培训时间不得少于24学时目标值100%,少一人扣全部分。152)应按规定对特种作业人员进行专门培训和定期复审,做到持证上岗目标值100%,查人事部门台帐和教育台帐,少1人扣全分。203)应每年至少一次对全员进行安全教育目标值80%,少5%扣2分。10合计45表1-6安全生产检查考评检查表序号考评内容考评说明应得分实得分备注1应按规定进行安全生产检查,发现安全隐患必须采取相应整改措施,并留存检查、整改记录。每一处不符合扣2分。15合计15表1-7危险源和事故应急预案管理考评检查表序号考评内容考评说明应得分实得分备注11)应进行危险源辨识和风险评价。没有制定事故应急救援预案扣10分,其余每一处不符合扣2分。202)对已确定的重大危险源,应登记建档,定期检测、评估、监控,并制定事故应急预案,配备有效的应急救援器材、设备,定期组织员工培训和演练。合计20-22-表1-8事故管理考评检查表序号考评内容考评说明应得分实得分备注1凡发生事故,均要按规定进行报告、登记、调查、分析、处理和结案,做到“四不放过”。每一处不符合扣2分。20合计20表1-9安全生产“三同时”考评检查表序号考评内容考评说明应得分实得分备注1新建、改建、扩建工程项目的安全设施必须与主体工程同时设计、同时施工、同时投入使用。每一处不符合扣15分。15合计15表1-10发包和出租管理考评检查表序号考评内容考评说明应得分实得分备注11)不得将生产经营项目、场所、设备发包(外包)或租赁给不具备安全生产条件或者相应资质的单位和个人。将生产经营项目、场所、设备发包或者出租给不具备安全生产条件或者相应资质的单位或者个人扣10分,其余每一处不符合扣2分。102)生产经营项目、场所有多个承包单位的,应当与承包单位、承租单位签定专门的安全生产管理协议,或者在承包合同、租赁合同中约定各自的安全生产管理职责,对承包单位、承租单位的安全工作统一协调、管理,并督促承包单位、承租单位与其从业人员签定劳动合同和安全责任书。合计10-23-表1-11安全生产档案考评检查表序号考评内...

1、当您付费下载文档后,您只拥有了使用权限,并不意味着购买了版权,文档只能用于自身使用,不得用于其他商业用途(如 [转卖]进行直接盈利或[编辑后售卖]进行间接盈利)。
2、本站所有内容均由合作方或网友上传,本站不对文档的完整性、权威性及其观点立场正确性做任何保证或承诺!文档内容仅供研究参考,付费前请自行鉴别。
3、如文档内容存在违规,或者侵犯商业秘密、侵犯著作权等,请点击“违规举报”。

碎片内容

家具制造企业安全检查表

确认删除?
VIP
微信客服
  • 扫码咨询
会员Q群
  • 会员专属群点击这里加入QQ群
客服邮箱
回到顶部