电脑桌面
添加小米粒文库到电脑桌面
安装后可以在桌面快捷访问

小型拦河坝设计计算书资料VIP免费

小型拦河坝设计计算书资料_第1页
1/20
小型拦河坝设计计算书资料_第2页
2/20
小型拦河坝设计计算书资料_第3页
3/20
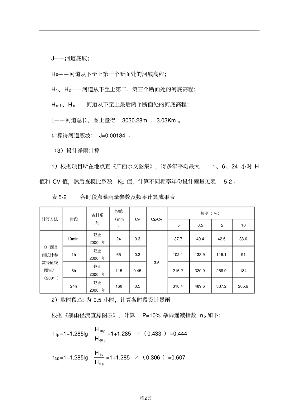
第1页一、过坝洪水计算1、计算方法项目区及附近没有水文测站,无法采用长系列实测洪水资料推求设计洪水,只能采用暴雨资料推求设计洪水。白沙镇水管所自1994年安装有人工记录雨量站,主要用于暴雨观测,距今21年,资料系列满足统计年限精度要求,但由于记录人员不稳定,操作欠规范,雨量资料准确性差,作为洪水计算统计资料成果误差大,不宜采用。因此,本次洪水计算采用《广西水文图集》及《暴雨径流查算图表》中的雨量等值线及CV值图表计算洪水。拦河坝座落在干沟01下游,为简化计算,对干沟01全长进行洪水计算,然后按面积比计算坝上洪水量。2、设计洪水标准选择根据《广西壮族自治区土地整治工程建设标准》,本次拦河坝引水枢纽引水流量小于2.0m3/s,按10年一遇洪水标准设计。3、洪水计算(1)集雨面积将项目区及与之接壤,并正在安排土地整治项目建设的龙江村、文明村、白沙村实测1:1000地形图进行拼接,在图上框出干沟01集雨面积为6.462Km2。(2)河道底坡计算计算公式:J=2012211102)()()(LLHHHLHHLHHnn第2页J——河道底坡;H0——河道从下至上第一个断面处的河底高程;H1、H2——河道从下至上第二、第三个断面处的河底高程;Hn-1、Hn——河道从下至上最后两个断面处的河底高程;L——河道总长,图上量得3030.28m,3.03Km。计算得河道底坡:J=0.00184。(3)设计净雨计算1)根据项目所在地点查《广西水文图集》,得多年平均最大1、6、24小时H值和CV值,然后查模比系数Kp值,计算不同频率年份设计雨量见表5-2。表5-2各时段点暴雨量参数及频率计算成果表计算方法时段资料系列均值(mm)CvCs/Cv频率(%)50.5210《广西暴雨统计参数等值线图集》(2001)10min截止2000年240.33.537.749.442.533.61h截止2000年650.3102.1133.9115.1916h截止2000年1150.45216.2320.9258.918424h截止2000年1600.5318.4489.6387.2265.62)取时段△t为0.5小时,计算各时段设计暴雨根据《暴雨径流查算图表》,计算P=10%暴雨递减指数np如下:n1p=1+1.285lgppHH6010=1+1.285×(-0.433)=0.444n2p=1+1.285lgppHH61=1+1.285×(-0.306)=0.607第3页n2p=1+1.661lgppHH246=1+1.661×(-0.159)=0.736式中H24p、H6p、H1p(H60p)、H10p分别为24小时、6小时、1小时、10分钟设计暴雨(单位:mm)。各时点暴雨按下式计算:当6<t<24小时:Htp=h24p(24t)1-n3p当1<t<6小时:Htp=h1pt1-n3p或Htp=h6p(6t)1-n2p当t<1小时:Htp=h1pt1-n1p时段雨量为相邻两个时点之间的差值。查雨型分区图,合浦县属第8区,根据广西分区综合24小时雨型表进行分配时段雨量。3)净雨计算根据产流分区图,本区属7区,查降雨径流相关特征参数综合表得Wm=100mm,则初始蓄水量W0=0.7Wm=70mm,I0=Wm-W0=30mm。根据《暴雨径流查询图表》,取平均稳定入渗率f=8mm(瞬时单位线法)和μ=4mm(推理公式)。4)瞬时单位线法计算洪峰流量根据汇流分区图,本区属二(1)区,属非岩溶地区,则:m1稳=3.50F0.150J-0.440=3.54n=1.797F0.082J0.028=2.10第4页K=nm稳1=3.54/2.1=1.66c=tF6.3=5.06.3462.6=3.59根据计算的n、k值,查取S(t)曲线对应值,并结合计算的c值,算出各时段洪水流量见表,计算洪峰流量为33.36m3/s。5)推理公式法计算洪峰流量6)净雨计算根据前述计算净雨,将稳定入渗率由f=8mm更换为μ=4mm。7)计算θ、m值θ=4/13/1FJL=15.50本区属丘陵区,植被一般,则:m=0.107θ0.581=0.538)计算洪峰流量采用图解法进行计算,设5、6、7、8、9五个时段t,按公式Qm=0.278hF及Qm=(0.2783/1mJL)4分别计算Qm值,计算结果:Qm=37.87m3/s。6、计算洪峰流量结果比较及确定瞬时单位线法和推理公式计算Qm值分别为33.36m3/s、37.87m3/s,两者相差13.5%,结果比较合理,本次设计从加强安全要求考虑,选择推理公式计算结果。7、过坝洪峰流量计算采用面积比法推求过坝洪峰流量,从1:1000实测地形图上框量,坝上集雨面第5页积2.629Km2,上述洪峰流量计算对应集雨面积为6.462Km2,因此:Q坝=629.2462.687.37=15.41m3/s二、拦河坝设计1、坝址选择项目区内拦河坝只有一处,主要拦抬干沟01水量灌溉平鸭营屯南部农田。从现场调查来看,原有坝体已全部破坏,破坏...

1、当您付费下载文档后,您只拥有了使用权限,并不意味着购买了版权,文档只能用于自身使用,不得用于其他商业用途(如 [转卖]进行直接盈利或[编辑后售卖]进行间接盈利)。
2、本站所有内容均由合作方或网友上传,本站不对文档的完整性、权威性及其观点立场正确性做任何保证或承诺!文档内容仅供研究参考,付费前请自行鉴别。
3、如文档内容存在违规,或者侵犯商业秘密、侵犯著作权等,请点击“违规举报”。

碎片内容

小型拦河坝设计计算书资料

文库当当响+ 关注
实名认证
内容提供者

该用户很懒,什么也没介绍

确认删除?
VIP
微信客服
  • 扫码咨询
会员Q群
  • 会员专属群点击这里加入QQ群
客服邮箱
回到顶部