电脑桌面
添加小米粒文库到电脑桌面
安装后可以在桌面快捷访问

舞钢产品分类 河钢舞钢品种系列表VIP免费

舞钢产品分类  河钢舞钢品种系列表_第1页
1/6
舞钢产品分类  河钢舞钢品种系列表_第2页
2/6
舞钢产品分类  河钢舞钢品种系列表_第3页
3/6
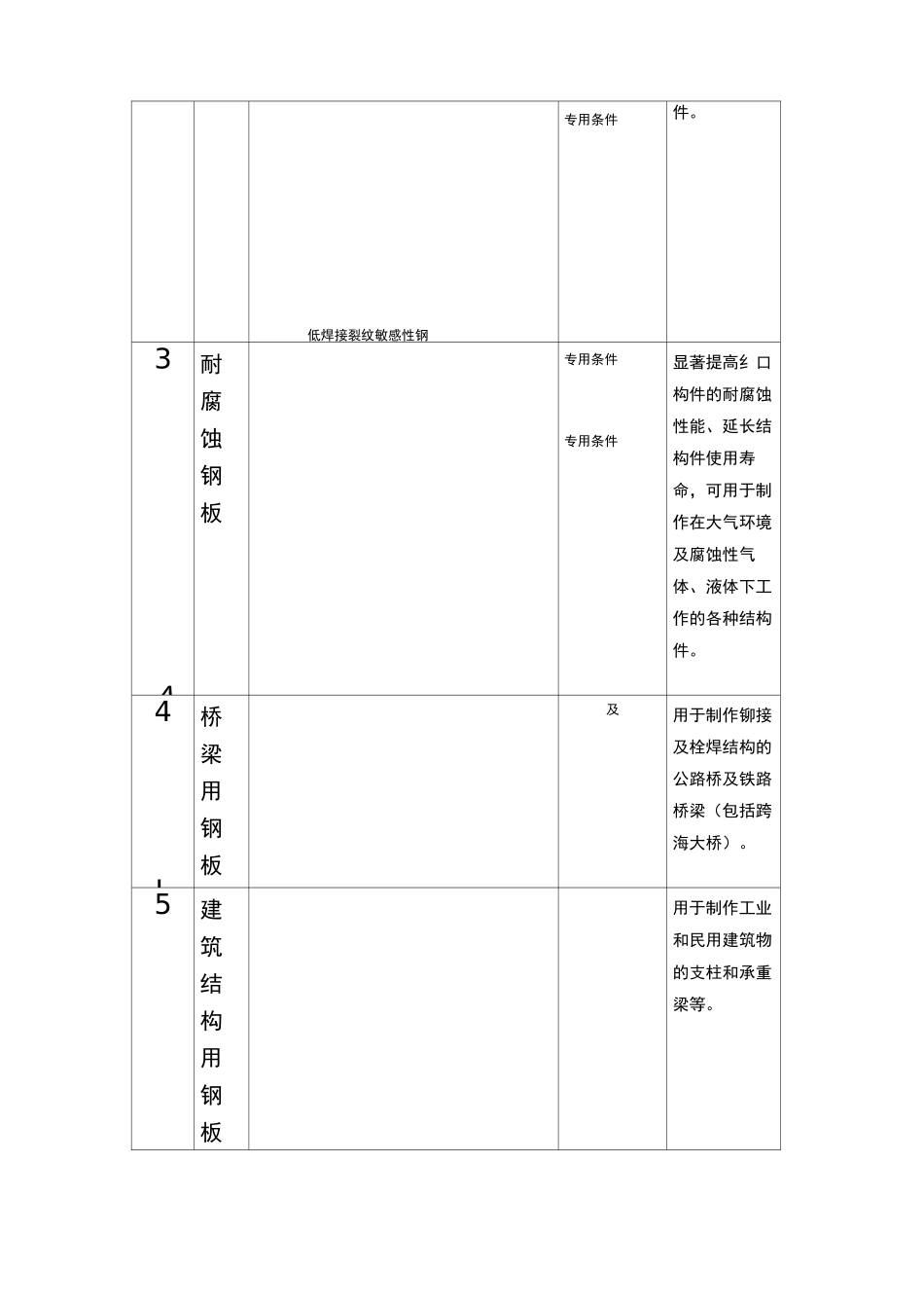
河钢舞钢品种系列表产品类别河钢舞钢宽厚钢板产品分为锅炉及压力容器用钢板、核电站用钢板、低合金高强度钢板、调质高强度钢板、耐腐蚀钢板、桥梁用钢板、建筑结构用钢板、合金结构钢板、模具钢板、耐磨钢板、碳素结构钢板、海洋工程装备及船舶用钢板、高强度高韧性钢板、油气输送管线、管件用钢板、低焊接裂纹敏感性高强度钢板、复合钢板等大系列、多个牌号,其中多个品种填补了国内空白,多个品种成功替代进口,多个品种出口美国、日本、德国等发达国家和地区。规格范围:钢板宽厚,长。交货状态:根据用户的使用要求,可按热轧、正火、回火、正火加回火、调质等不同状态交货。执行标准:根据用户使用要求,可按以下标准交货:国家标准,冶金行业标准,美国、标准,日本,德国,英国,欧洲,国际标准以及专用板有关标准等。质量级别:、、、、及厚度方向、、。探伤标准:可按照中国,、美国、、、日本、、德国、英国、法国等国内外探伤标准生产检验。序号品种主要钢号执行标准主要用途1锅炉及压力容器用钢板蒂森广泛应用于石油、化工、电站、锅炉等行业,用于制作反应器、换热器、分离器、球罐、油气罐、液化气罐、核能反应堆压力壳、锅炉汽包、液化石低焊接裂纹敏感性钢迪林根专用条件专用条件专用条件油汽瓶、水电站高压水管、水轮机蜗壳等设备及构件。2低合金高强度钢板专用条件制造厂房,般建筑及各类工程机械,如矿山和各类工程施工用的钻机、电铲、电动轮翻斗车、矿用汽车、挖掘机、装载机、推土机、各类起重机、煤矿液压支架等机械设备及其他吉构低焊接裂纹敏感性钢专用条件件。3A耐腐蚀钢板专用条件专用条件显著提高纟口构件的耐腐蚀性能、延长结构件使用寿命,可用于制作在大气环境及腐蚀性气体、液体下工作的各种结构件。4L桥梁用钢板及用于制作铆接及栓焊结构的公路桥及铁路桥梁(包括跨海大桥)。5建筑结构用钢板用于制作工业和民用建筑物的支柱和承重梁等。-6-合金结构用钢板及专用条件用于制作各类合金结构及其零部件,如电站锅炉过热器集箱、大口径管板结构件。7c模具及耐磨钢板专用条件专用条件用于制作各类塑料模具、咼镜面模具、模架等。各类工程机械、设备用耐磨件。8c碳素结构钢板GB3274及专用条件用于制作各类钢的铆、栓、焊结构件。9造船及采油用于制作船体、海上采油平台、平台管接点及其它结构件。平台用钢板10复合钢板用于制作直线加速器腔体、回旋加速器筒体、化工容器、水电站用高压耐磨管道及其它结构件。11高强度高韧性钢板专用条件用于制作耐压壳体、深潜救生器、高压结构件、宇航设备、装甲车辆等。12油气输送管线用钢用于制作石油、天然气输送管道。板注:可以生产各牌号的抗层状撕裂(厚度方向性能)钢板。生产规格:厚度宽度,长度。经双方协议,可供应更大规格的钢板。交货状态根据性能及用户需要,钢板可热轧、控轧、正火、退火、回火、正火加回火、调质等状态交货。

1、当您付费下载文档后,您只拥有了使用权限,并不意味着购买了版权,文档只能用于自身使用,不得用于其他商业用途(如 [转卖]进行直接盈利或[编辑后售卖]进行间接盈利)。
2、本站所有内容均由合作方或网友上传,本站不对文档的完整性、权威性及其观点立场正确性做任何保证或承诺!文档内容仅供研究参考,付费前请自行鉴别。
3、如文档内容存在违规,或者侵犯商业秘密、侵犯著作权等,请点击“违规举报”。

碎片内容

舞钢产品分类 河钢舞钢品种系列表

您可能关注的文档

确认删除?
VIP
微信客服
  • 扫码咨询
会员Q群
  • 会员专属群点击这里加入QQ群
客服邮箱
回到顶部