电脑桌面
添加小米粒文库到电脑桌面
安装后可以在桌面快捷访问

挡土墙模板应用技术交底VIP免费

挡土墙模板应用技术交底_第1页
1/4
挡土墙模板应用技术交底_第2页
2/4
挡土墙模板应用技术交底_第3页
3/4
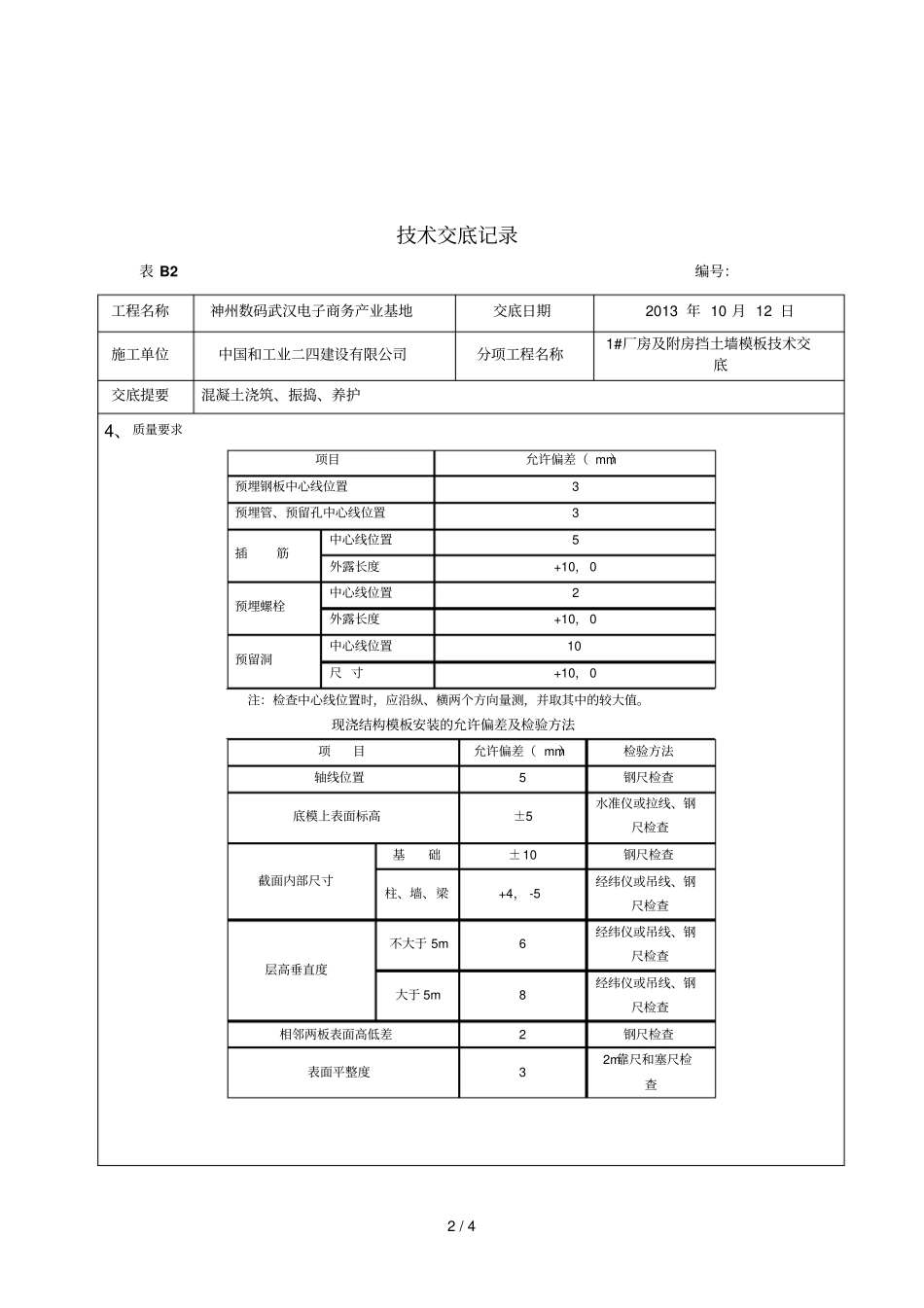
1/4技术交底记录表B2编号:工程名称神州数码武汉电子商务产业基地交底日期2013年10月12日施工单位中国和工业二四建设有限公司分项工程名称1#厂房及附房挡土墙模板技术交底交底提要模板加工、安装、加固、拆除交底内容:1、技术交底编制依据:《混凝土结构施工及验收规范》(GBJ50204-92)等。2、施工准备2.1材料准备:面板:覆面木胶合板,小梁布置方式:竖直;小梁间距:200mm;小梁一端悬臂长:150mm;主梁采用:Ф48×3双钢管,主梁间距:450mm;主梁一端悬臂长:200mm;对拉螺栓类型:M14,对拉螺栓横向间距:400mm,对拉螺栓竖向间距:450mm。3.工艺流程钢筋验收→立墙模板→立方木→安设穿墙螺杆→设置水平钢管支撑→设置斜撑→检查验收模板支设示意图技术负责人交底人接受交底人2/4技术交底记录表B2编号:工程名称神州数码武汉电子商务产业基地交底日期2013年10月12日施工单位中国和工业二四建设有限公司分项工程名称1#厂房及附房挡土墙模板技术交底交底提要混凝土浇筑、振捣、养护4、质量要求项目允许偏差(mm)预埋钢板中心线位置3预埋管、预留孔中心线位置3插筋中心线位置5外露长度+10,0预埋螺栓中心线位置2外露长度+10,0预留洞中心线位置10尺寸+10,0注:检查中心线位置时,应沿纵、横两个方向量测,并取其中的较大值。现浇结构模板安装的允许偏差及检验方法项目允许偏差(mm)检验方法轴线位置5钢尺检查底模上表面标高±5水准仪或拉线、钢尺检查截面内部尺寸基础±10钢尺检查柱、墙、梁+4,-5经纬仪或吊线、钢尺检查层高垂直度不大于5m6经纬仪或吊线、钢尺检查大于5m8经纬仪或吊线、钢尺检查相邻两板表面高低差2钢尺检查表面平整度32m靠尺和塞尺检查3/4技术交底记录表B2编号:技术负责人交底人接受交底人工程名称神州数码武汉电子商务产业基地交底日期2013年10月12日施工单位中国和工业二四建设有限公司分项工程名称1#厂房及附房挡土墙模板技术交底交底提要混凝土浇筑、振捣、养护4/4挡土墙构造加固措施5、质量措施(1)认真仔细地学习和阅读施工图纸,吃透和领会施工图的要求,及时提出不明之处,遇工程变更或其他技术措施,均以施工联系单和签证手续为依据,施工前认真做好各项技术交底工作,严格按国家颁行《混凝土结构工程施工质量验收规范》GB50204和其它有关规定施工和验收,并随时接受业主、总包单位、监理单位和质监站对本工程的质量监督和指导。(2)认真做好各道工序的检查、验收关,对各工种的交接工作严格把关,做到环环扣紧,并实行奖罚措施。出了质量问题,无论是管理上的或是施工上的,均必须严肃处理,分析质量情况,加强检查验收,找出影响质量的薄弱环节,提出改进措施,把质量问题控制在萌芽状态。2、严格落实班组自检、互检、交接检及项目中质检“四检”制度,确保模板安装质量。3、混凝土浇筑过程中应派专人2名看模,严格控制模板的位移和稳定性,一旦产生移位应及时调整,加固支撑。4、对变形及损坏的模板及配件,应按规范要求及时修理校正,维修质量不合格的模板和配件不得发放使用。5、为防止模底烂根,放线后应用水泥砂浆找平。6、模板安装应严格控制轴线、平面位置、标高、断面尺寸、垂直度和平整度,模板接缝隙宽度、高度、脱模剂刷涂及预留洞口、门洞口断面尺寸等的准确性。严格控制预期拼模板精度。7、严格执行预留洞口的定位控制,预留洞口时,木工严格按照墨线留洞。10、所有竖向结构的阴、阳角拼缝要牢固。11、阴、阳角模必须严格按照模板设计图进行加固处理。技术负责人交底人接受交底人

1、当您付费下载文档后,您只拥有了使用权限,并不意味着购买了版权,文档只能用于自身使用,不得用于其他商业用途(如 [转卖]进行直接盈利或[编辑后售卖]进行间接盈利)。
2、本站所有内容均由合作方或网友上传,本站不对文档的完整性、权威性及其观点立场正确性做任何保证或承诺!文档内容仅供研究参考,付费前请自行鉴别。
3、如文档内容存在违规,或者侵犯商业秘密、侵犯著作权等,请点击“违规举报”。

碎片内容

挡土墙模板应用技术交底

确认删除?
VIP
微信客服
  • 扫码咨询
会员Q群
  • 会员专属群点击这里加入QQ群
客服邮箱
回到顶部