电脑桌面
添加小米粒文库到电脑桌面
安装后可以在桌面快捷访问

摄影常用数据表资料VIP免费

摄影常用数据表资料_第1页
1/13
摄影常用数据表资料_第2页
2/13
摄影常用数据表资料_第3页
3/13
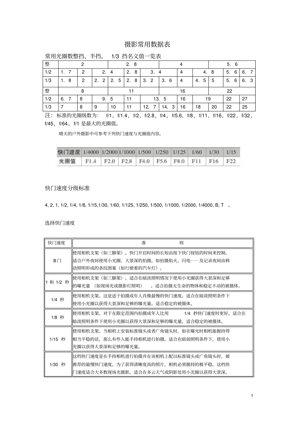
1摄影常用数据表常用光圈数整挡、半挡、1/3挡名义值一览表整22.845.61/21.722.42.83.444.85.66.71/31.822.22.52.83.23.644.555.66.3整81116221/26.789.51113.5161922271/3789101112.714.31618202225注:标准的光圈级数为:f/1,f/1.4,f/2,f/2.8,f/4,f/5.6,f/8,f/11,f/16,f/22,f/32,f/45,f/64。f/1是最大的光圈值。晴天的户外摄影中可参考下列快门速度与光圈值内容。快门速度分级标准4,2,1,1/2,1/4,1/8,1/15,1/30,1/60,1/125,1/250,1/500,1/1000,1/2000,1/4000,B,T。选择快门速度快门速度准则B门使用相机支架(如三脚架)。快门开启时间的长短由按下快门按钮的时间来控制。适合户外夜间使用小光圈、大景深的拍摄。如拍摄焰火、闪电⋯⋯及记录夜间由移动照明形成的条纹图案(如行驶着的汽车灯)。1和1/2秒使用相机支架(如三脚架)。适合在暗淡照明情况下使用小光圈获得大景深和足够的曝光量(如现场光或摄影灯照明)。适合拍摄无生命的物体和稳定不动的被摄体。1/4秒使用相机支架。这是适于拍摄成年人肖像最慢的快门速度。适合在暗淡照明条件下使用小光圈以获得大景深和足够的曝光量。适合稳定的被摄体。1/8秒使用相机支架。对于在限定范围内拍摄成年人比用1/4秒快门速度时更好。适合在暗淡照明条件下使用小光圈以获得大景深和足够的曝光量。适合稳定的被摄体。1/15秒使用相机支架。当相机上安装标准镜头或者广角镜头时,如在曝光时相机能握持得相当平稳的话,那么有些人能手持相机进行拍摄。适合在暗弱照明条件下,使用小光圈以获得大景深和足够的曝光量。1/30秒这档快门速度是在手持相机进行拍摄并在该相机上配以标准镜头或广角镜头时,被推荐的最慢快门速度。为了获得清晰度高的照片,相机必须握持的极平稳。这档快门速度适合大多数现场光摄影。适合在多云天气或阴影处用小光圈以获得大景深。21/60秒这档快门速度适于照明条件不太理想,如多云的天气、在阴影处等户外日光下拍摄照片用。对使用小光圈以增大景深来说,该速度是很有用的。在较明亮的现场光照明的场所也使用这档快门速度。使用这档快门速度,相机意外地受到震动而使拍摄失败的情况要比使用1/30秒快门速度时来得少些。适用于单反相机的闪光灯同步。1/125秒这是户外日光下拍摄照片最好的快门速度。在明亮的照明情况下,使用中等大小的光圈到小光圈能产生很好的景深。使用这档快门速度,能使来自相机本身的微弱震动减到最小。能抓住一些中等速度的动作,如走动着的人,儿童的游戏或是自由活动着婴孩。对于手持相机并安装上焦距小于105mm的中焦距镜头进行拍摄,该速度具有一定的保险性。这档快门速度被推荐用于某些单镜头反光照相机使用闪光灯拍摄。1/250秒适合抓住一般速度的运动体,例如以中等速度跑动着的人、游泳运动员、自行车运动员、在一定距离外奔跑着的马、检阅活动、奔跑着的小孩、帆船、棒球运动、以中等速度比赛的足球运动员。当你并不需要大景深,而主要是想抓住动作的时候,可以在户外日光照明情况下用这档快门速度,以使相机的震动程度减至最小。适合于手持相机安装上250mm焦距镜头进行拍摄。1/500秒适合抓住运动速度较快的动体,例如中等距离外的运动员、奔跑着的马、跳水运动员、快速骑驶着的自行车运动员、行驶着的轿车或跑动中的篮球运动员。这档快门速度能用来抓住除了最快速度外的所有动体。1/1000秒是抓住快速动体的最佳速度。如赛车、摩托车、飞机、快艇、野外和体育场内的比赛项目、网球运动员、滑雪运动员及高尔夫球运动员。因为使用该快门速度时需用比其它快门速度时更大的光圈,因此它的景深最小。这是手持相机安装上400mm以内焦距的长焦距镜头进行拍摄时极好的快门速度。夜景摄影的曝光控制(见下表4-1)拍摄对象拍摄情况曝光时间光圈建设工地夜景距离20-30米2-10秒F/8建筑物夜景距离10米左右2-4秒F/8月夜浩月当空,晴朗无云1-4秒F/5.6节日彩灯、马路夜景距离15-30米1-6秒F/8探照灯、激光节日夜空的光柱和光束2-8秒F/5.6节日夜空礼花抓取焰火开花的瞬间1/5-1/2秒F/8拍摄礼花升空全过程B门F/8注:所用胶片感光度为ISO100/21°曝光值对照表下列为EV值、光...

1、当您付费下载文档后,您只拥有了使用权限,并不意味着购买了版权,文档只能用于自身使用,不得用于其他商业用途(如 [转卖]进行直接盈利或[编辑后售卖]进行间接盈利)。
2、本站所有内容均由合作方或网友上传,本站不对文档的完整性、权威性及其观点立场正确性做任何保证或承诺!文档内容仅供研究参考,付费前请自行鉴别。
3、如文档内容存在违规,或者侵犯商业秘密、侵犯著作权等,请点击“违规举报”。

碎片内容

摄影常用数据表资料

确认删除?
VIP
微信客服
  • 扫码咨询
会员Q群
  • 会员专属群点击这里加入QQ群
客服邮箱
回到顶部