电脑桌面
添加小米粒文库到电脑桌面
安装后可以在桌面快捷访问

数据线检验标准分析VIP免费

数据线检验标准分析_第1页
1/7
数据线检验标准分析_第2页
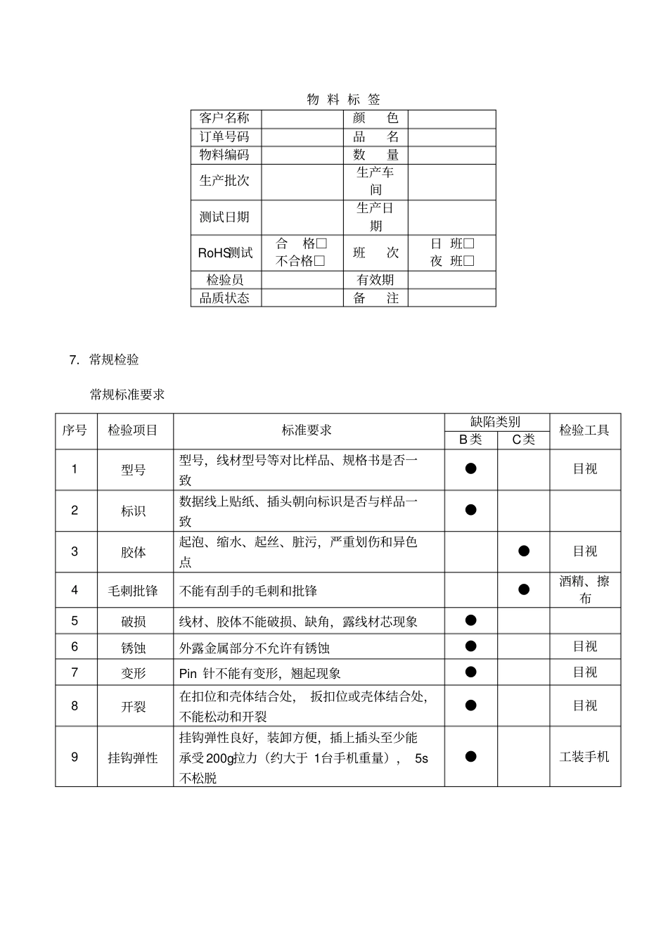
2/7
数据线检验标准分析_第3页
3/7
手机数据线检验标准1.目的制定本公司的检验标准和试验方法,确保本公司所有的手机数据线能满足研发设计、生产装配以及用户的使用要求。2.适用范围本规程适用于本公司所有手机数据线的检验。注:若新产品不断出现或本标准中的项目涉及不到,应根据公司要求在本标准中加入未涉及到的项目或修正本标准。3.缺陷类别定义3.1Cri,CriticalDefect,致命缺陷:对产品使用者人身与财产安全构成威胁的缺陷;3.2Maj,MajorDefect,主要缺陷:制品单位的性能不能满足该产品预定的功能或严重影响该产品正常使用性能或可导致客户退机的外观等缺陷;3.3Min,MinorDefect,次要缺陷:对产品外观产生轻微影响的缺陷;3.4Acc,AcceptableDefect,可接受缺陷:可以接受的缺陷,在产品制程质量评估时使用,在产品出货抽样检验中仅供参考;3.5封样,GoldenSample,也称为金样板:由设计部门或品质部门或市场部签名认可的、用于确认和鉴别各种订制结构件来料批量供货质量的样品;一般可分为标准样板和/或上限样板、下限样板(上/下限样板一般需征求市场部意见)、结构样板等。4.检验条件及环境4.1环境亮度:在距离检测部分50cm处用一个照明亮度值为500LUX以上的照明系统模拟日光;4.2检查方式和角度:目视,视线与被检查物表面角度在15-90度范围内旋转;4.3检查距离和时间:检查被检物最多15秒内,人眼距离被检物约25cm;4.4外观检查需使用菲林标准;4.5检验人员裸视或矫正视力1.0以上,不能有色盲、色弱者;4.6判定原则:公司认可的工程样机所具有的特性、特点全部作为接受,对于不符合样机的,或以工程设计图纸的偏差要求作为接受标准,或以下文具体的描述进行判定。5.抽样标准抽样检验依GB2828-2003标准,取一般检验水平ⅡAQL:A类缺陷为0B类缺陷为0.65C类缺陷为1.5特殊项目(尺寸、可靠性)抽样方案为:S-1或具体规定数量,Ac=0,Re=1。6.包装要求6.1.1包装检验序号缺陷名称描述1无标识内包装袋或外包装箱未贴标签纸或现品票。2标识错误标识的产品名称、编码、数量等与内装产品不符,或标识内容不全。3产品混装不同产品或不同模号的产品混装在一起。4包装材料不符胶袋外箱、珍珠棉、纸箱、吸塑盘的规格尺寸不合要求,或未按规范包装。5包装材料破损包装材料破损,难以对货物起到保护作用。6.1.2现品票要求⑴、产品包装为胶袋包装,现品票粘在胶袋表面正中的位置;⑵、产品包装为纸箱包装,现品票应粘在纸箱的右上角。现品票参考格式:物料标签客户名称颜色订单号码品名物料编码数量生产批次生产车间测试日期生产日期RoHS测试合格□不合格□班次日班□夜班□检验员有效期品质状态备注7.常规检验常规标准要求序号检验项目标准要求缺陷类别检验工具B类C类1型号型号,线材型号等对比样品、规格书是否一致●目视2标识数据线上贴纸、插头朝向标识是否与样品一致●3胶体起泡、缩水、起丝、脏污,严重划伤和异色点●目视4毛刺批锋不能有刮手的毛刺和批锋●酒精、擦布5破损线材、胶体不能破损、缺角,露线材芯现象●6锈蚀外露金属部分不允许有锈蚀●目视7变形Pin针不能有变形,翘起现象●目视8开裂在扣位和壳体结合处,扳扣位或壳体结合处,不能松动和开裂●目视9挂钩弹性挂钩弹性良好,装卸方便,插上插头至少能承受200g拉力(约大于1台手机重量),5s不松脱●工装手机8.尺寸序号测量项目测量方法接受标准测量工具抽样数量1尺寸超差用卡尺或投影仪测量产品的关键、重要尺寸及装配尺寸尺寸在工程设计规格内卡尺5pcs/lot2配合不良两端连接头与对应的手机和电脑不能出现不易插入或难取出配合松紧适度电脑2pcs/lot9.可靠性检验9.1IQC常规可靠性检验序号检验项目检验内容方法及条件接受标准检验工具抽样数量1接触阻抗将数据线与其配套插头配合后测量其阻抗每PIN引脚阻抗小于规格书要求万用表5pcs/lot9.2实验室可靠性检验(每来料累计20K抽取5PCS进行测试)序号检验项目检验内容方法及条件接受标准检验工具抽样数量1自由跌落将数据线置1米高度,数据线两头的连接器部分从正面和侧面分别跌落在水泥地板,跌落次数10次数据线外观无明显不良,接线头无松动现象,功能良好跌落机5pcs/20K2拉力将数据线垂直悬挂于拉力试验机...

1、当您付费下载文档后,您只拥有了使用权限,并不意味着购买了版权,文档只能用于自身使用,不得用于其他商业用途(如 [转卖]进行直接盈利或[编辑后售卖]进行间接盈利)。
2、本站所有内容均由合作方或网友上传,本站不对文档的完整性、权威性及其观点立场正确性做任何保证或承诺!文档内容仅供研究参考,付费前请自行鉴别。
3、如文档内容存在违规,或者侵犯商业秘密、侵犯著作权等,请点击“违规举报”。

碎片内容

数据线检验标准分析

爱的疯狂+ 关注
实名认证
内容提供者

该用户很懒,什么也没介绍

确认删除?
VIP
微信客服
  • 扫码咨询
会员Q群
  • 会员专属群点击这里加入QQ群
客服邮箱
回到顶部