电脑桌面
添加小米粒文库到电脑桌面
安装后可以在桌面快捷访问

土方开挖与回填分项工程施工技术交底记录VIP免费

土方开挖与回填分项工程施工技术交底记录_第1页
1/7
土方开挖与回填分项工程施工技术交底记录_第2页
2/7
土方开挖与回填分项工程施工技术交底记录_第3页
3/7
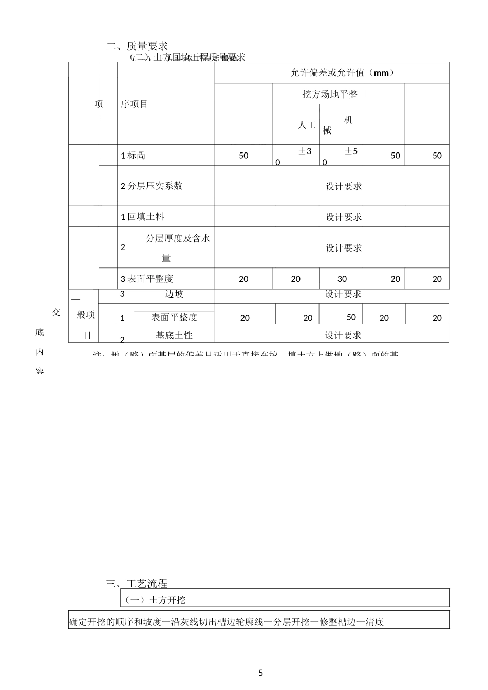
5土方开挖和回填分项工程施工技术交底记录GD-C1-328□□□单位(子单位)工程名称广东外语外贸大学附设大亚湾外国语学校(一期)分部/子分部(或系统/子系统)地基与基础/土方施工单位深圳市尚景建筑工程有限公司项目负责人黄忠强项目技术负责人陈光辉分包单位/项目负责人/项目技术负责人/施工依据文件名称及编号施工组织设计质量验收依据文件名称及编号建筑地基基础工程施工质量验收规范GB50202-2002交底内容审批人单位□施工/□分包交底单位□施工/□分包交底人接受人单位□施工/□分包接受单位(施工班组长及班组人)签5施工准备(一)作业条件1、土方开挖(1)制定开挖方案,确定合理的开挖方式、施工顺序和边坡防护措施,选择适当的施工机械。(2)将施工区城内的地上、地下障碍物清除和处理完毕。(3)做好建筑物的标准轴线桩、标准水平桩,用白灰洒出开挖线,必须经过检验台格,办理完验线手续。(4)若设计基础底面低于地下水位,要提前采取降水措施,把地下水位降至低于开挖底面0.5m以下。然后再开挖。(5)夜间施工时,应合理安排工序,防止错挖或超挖。施工场地应根据需要安装照明设施,在危险地段应设置明显标志。(6)熟悉图纸。2、土方回填(1)回填前,对基础、箱型基础墙或地下防水层、保护层等进行检查验收并办理隐检手续。(2)将基坑内的杂物、积水等清理干净。(3)房心、管沟的回填应在上下水道的安装完成以后进行。(4)施工前,做好水平高程的设置。在基槽边上钉水平撅,在基础墙表面划分层线。(5)做好技术交底。(二)施工机具铲土机、自卸汽车、挖土机、铲运车及翻斗车等、蛙式或柴油打夯机、手推车、铁锹、3〜5m钢尺,20#铅丝、胶皮管、尖、平头铁锹、手锤、手推车、梯子、铁镐、撬棍、钢尺、坡度尺、小线等。[项目专业工长(施工员)或质员)签名:检员]签名:年月日交底内容项序项目允许偏差或允许值(mm)柱基、基坑、基槽挖方场地平整管沟地(路)面基层人工机械土土主1标咼5030505050+30+50控项长度、宽度(由设+20000+10目2计中心线向两边量)501010000-—3边坡设计要求般项1表面平整度2020502020目2基底土性设计要求5二、质量要求(二)土方回填工程质量要求项序项目允许偏差或允许值(mm)挖方场地平整人工机械1标咼50±30±5050502分层压实系数设计要求1回填土料设计要求分层厚度及含水2量设计要求3表面平整度2020302020三、工艺流程(一)土方开挖确定开挖的顺序和坡度一沿灰线切出槽边轮廓线一分层开挖一修整槽边一清底(一)土方开挖工程质量要注:地(路)面基层的偏差只适用于直接在挖、填土方上做地(路)面的基5(二)土方回填基坑(槽)底地坪上清理一检验土质一分层铺土、耙平一夯打密实一检验密实度一修整找平验收基坑底地坪上清理一检验土质一分层铺土一分层碾压密实一检验密实度一修整找平验收四、操作工艺(一)土方开挖1、人工开挖浅基础、管沟等测量放线一切线分层开挖一修坡一整平挖土自上而下水平分段进行,每层0.3m左右,边挖边检查槽宽,至设计标高后,统一进行修坡清底。相邻基坑开挖时,要按照先深后浅或同时进行开挖的原则施工。2、机械开挖一般深度2m以内的大面积开挖,宜采用推土机或装载机淮土和装土;对长度和宽度较大的大面积土方一次开挖,可采用铲运机铲土;对面积大且深的基坑,可采用液压正、反铲开挖;深5m以上的设备基础或高层建筑地下室深基坑,宜分层开挖。一般机械土方开挖由翻斗汽车配合运土。机械开挖时,要配合少量人工清土,将机械挖不到的地方运到机械作业半径内,由机械运走。机械开挖在接近槽底时,用水准仪控制标高,预留20〜30cm土层人工开挖•以防止超挖。3、开挖到距槽底50cm以内后,测量人员测出距槽底50cm的水平标志线,然后在槽帮上或基坑底部钉上小木桩,清理底部土层时用它们来控制标高。根据轴线及基础轮廓检验基槽尺寸,修整边坡和基底。4、土方开挖完毕后,对基底要进行钎探。若设计无特殊说明,钎探布置按下表执行。槽宽(cm)排列方式间距(m)深度(m)小于80中心一排1.51.580〜200两边错开1.51.5大于200梅花型1.51.5柱基梅花型1.5〜2.01.5,并不小于短边尺寸5钎探完成后,钎孔要...

1、当您付费下载文档后,您只拥有了使用权限,并不意味着购买了版权,文档只能用于自身使用,不得用于其他商业用途(如 [转卖]进行直接盈利或[编辑后售卖]进行间接盈利)。
2、本站所有内容均由合作方或网友上传,本站不对文档的完整性、权威性及其观点立场正确性做任何保证或承诺!文档内容仅供研究参考,付费前请自行鉴别。
3、如文档内容存在违规,或者侵犯商业秘密、侵犯著作权等,请点击“违规举报”。

碎片内容

土方开挖与回填分项工程施工技术交底记录

确认删除?
VIP
微信客服
  • 扫码咨询
会员Q群
  • 会员专属群点击这里加入QQ群
客服邮箱
回到顶部