电脑桌面
添加小米粒文库到电脑桌面
安装后可以在桌面快捷访问

管道系统压力试验记录VIP免费

管道系统压力试验记录_第1页
1/10
管道系统压力试验记录_第2页
2/10
管道系统压力试验记录_第3页
3/10
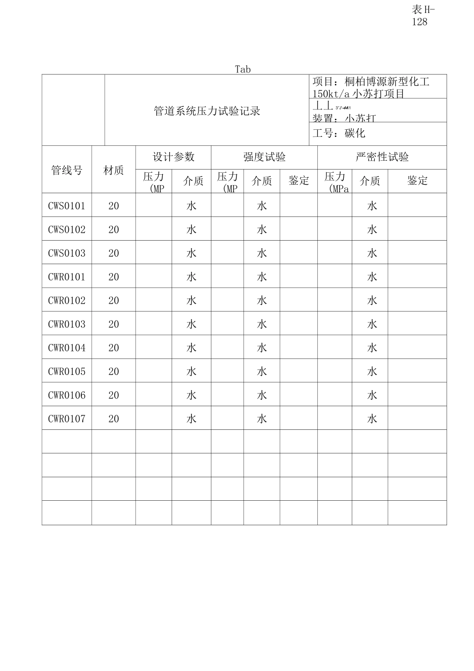
管道系统压力试验记录Documentserialnumber[UU89WT-UU98YT-UU8CB-UUUT-UUT108]表H-128Tab表H-128Tab管道系统压力试验记录项目:桐柏博源新型化工150kt/a小苏打项目丄丄3”J'-44\1装置:小苏打工号:碳化管线号材质设计参数强度试验严密性试验压力(MP介质压力(MP介质鉴定压力(MPa介质鉴定CWS010120水水水CWS010220水水水CWS010320水水水CWR010120水水水CWR010220水水水CWR010320水水水CWR010420水水水CWR010520水水水CWR010620水水水CWR010720水水水建设单位:监理工程师:施工单位:施工人员:质量检查员:表H-128Tab管道系统压力试验记录项目:桐柏博源新型化工150kt/a小苏打项目装置:小苏打工号:碳化管线号材质设计参数强度试验严密性试验压力(MP介质压力(MP介质鉴定压力(MPa介质鉴定PL0101304母液水母液PL0102304母液水母液PL0103304母液水母液PL0104304母液水母液PL0105304母液水母液PL0106304母液水母液PL0107304母液水母液PL0108304母液水母液PL0109304母液水母液PL0110304母液水母液PL0111304母液水母液Tab管道系统压力试验记录项目:桐柏博源新型化工150kt/a小苏打项目装置:小苏打工号:碳化管线号材质设计参数强度试验严密性试验压力(MP介质压力(MP介质鉴定压力(MPa介质鉴定PW010120水水水PW010220水水水PW010320水水水PW010420水水水PW010520水水水PW010620水水水PW010720水水水PW010820水水水Tab管道系统压力试验记录项目:桐柏博源新型化工150kt/a小苏打项目装置:小苏打工号:碳化管线号材质设计参数强度试验严密性试验压力(MP介质压力(MP介质鉴定压力(MPa介质鉴定LS010120蒸汽水蒸汽LS010220蒸汽水蒸汽LS010320蒸汽水蒸汽Tab管道系统压力试验记录项目:桐柏博源新型化工150kt/a小苏打项目装置:小苏打工号:碳化管线号材质设计参数强度试验严密性试验压力(MP介质压力(MP介质鉴定压力(MPa介质鉴定LC010120冷凝水水冷凝水Tab管道系统压力试验记录项目:桐柏博源新型化工150kt/a小苏打项目装置:小苏打工号:碳化管线号材质设计参数强度试验严密性试验管道系统压力试验记录项目:桐柏博源新型化工150kt/a小苏打项曰Tab装置:小苏打工号:碳化管线号材质设计参数强度试验严密性试验压力(MP介质压力(MP介质鉴定压力(MPa介质鉴定RW010120水水水施工单位:施工人员:质量检查员:

1、当您付费下载文档后,您只拥有了使用权限,并不意味着购买了版权,文档只能用于自身使用,不得用于其他商业用途(如 [转卖]进行直接盈利或[编辑后售卖]进行间接盈利)。
2、本站所有内容均由合作方或网友上传,本站不对文档的完整性、权威性及其观点立场正确性做任何保证或承诺!文档内容仅供研究参考,付费前请自行鉴别。
3、如文档内容存在违规,或者侵犯商业秘密、侵犯著作权等,请点击“违规举报”。

碎片内容

管道系统压力试验记录

您可能关注的文档

确认删除?
VIP
微信客服
  • 扫码咨询
会员Q群
  • 会员专属群点击这里加入QQ群
客服邮箱
回到顶部