电脑桌面
添加小米粒文库到电脑桌面
安装后可以在桌面快捷访问

CCC工厂审查指南-工厂产品质量检测要求VIP免费

CCC工厂审查指南-工厂产品质量检测要求_第1页
1/49
CCC工厂审查指南-工厂产品质量检测要求_第2页
2/49
CCC工厂审查指南-工厂产品质量检测要求_第3页
3/49
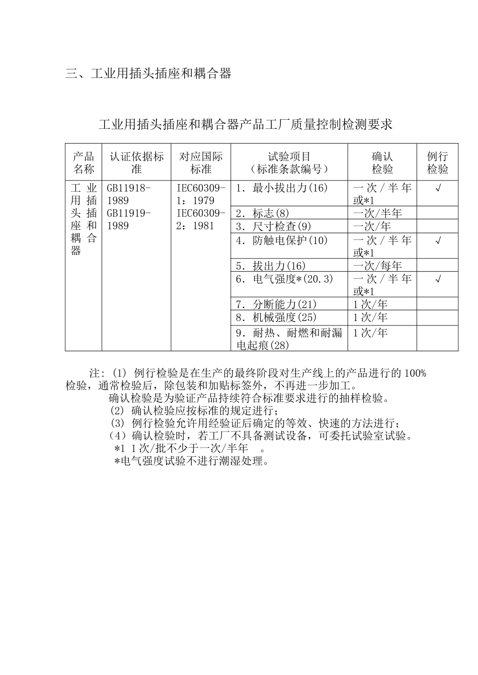
CCC工厂审查指南————工厂产品检测要求在国家认证认可监督管理委员会发布的产品强制性认证实施规则(以下简称认证实施规则)中,针对每一种类的认证产品,提出了明确的例行检验和确认检验的要求,这是生产工厂必须要进行的检验项目的强制要求。具体每类产品的要求如下:一、家用及类似用途插头插座:家用及类似用途插头插座产品工厂质量控制检测要求产品名称认证依据标准试验项目(标准条款编号)确认检验例行检验家用和类似用途插头插座GB2099.1-1996GB2099.2-1997GB1002-1996GB1003-19991.标志(8)一次/半年或一次/批*1√2.极性检查一次/半年或一次/批*1√3.不可拆线插头插座的电气强度试验(17.2)一次/半年或一次/批*1√4.尺寸的检查(9)1次/年5.电气强度*(17.2)1次/年6.分断能力(20)1次/年7.拔出插头所需的力(22)1次/年8.机械强度(24)1次/年9.耐热(25)1次/年10.绝缘材料的耐非正常热、耐燃和耐漏电起痕(28)1次/年注:(1)例行检验是在生产的最终阶段对生产线上的产品进行的100%检验,通常检验后,除包装和加贴标签外,不再进一步加工。确认检验是为验证产品持续符合标准要求进行的抽样检验。(2)确认检验应按标准的规定进行;(3)例行检验允许用经验证后确定的等效、快速的方法进行;(4)确认检验时,若工厂不具备测试设备,可委托试验室试验。*11次/批不少于一次/半年。*电气强度试验不进行潮湿处理。二、家用和类似用途固定式电器装置的开关家用和类似用途固定式电气装置的开关产品工厂质量控制检测要求产品名称认证依据标准试验项目(标准条款编号)确认检验例行试验固定式电气装置的开关GB16915.1-19971.标志(8)1次/半年2.爬电距离和电气间隙(23)1次/年3.电气强度*(16.2)1次/批*1√4.通断能力(18)1次/年5.机械强度(20)1次/年6.耐热(21)1次/年7.绝缘材料的耐非正常热、耐燃和耐漏电起痕(24)1次/年注:(1)例行检验是在生产的最终阶段对生产线上的产品进行的100%检验,通常检验后,除包装和加贴标签外,不再进一步加工。确认检验是为验证产品持续符合标准要求进行的抽样检验。(2)确认检验应按标准的规定进行;(3)例行检验允许用经验证后确定的等效、快速的方法进行;(4)确认检验时,若工厂不具备测试设备,可委托试验室试验。*11次/批不少于一次/半年。*电气强度试验不进行潮湿处理。三、工业用插头插座和耦合器工业用插头插座和耦合器产品工厂质量控制检测要求产品名称认证依据标准对应国际标准试验项目(标准条款编号)确认检验例行检验工业用插头插座和耦合器GB11918-1989GB11919-1989IEC60309-1:1979IEC60309-2:19811.最小拔出力(16)一次/半年或*1√2.标志(8)一次/半年3.尺寸检查(9)一次/年4.防触电保护(10)一次/半年或*1√5.拔出力(16)一次/每年6.电气强度*(20.3)一次/半年或*1√7.分断能力(21)1次/年8.机械强度(25)1次/年9.耐热、耐燃和耐漏电起痕(28)1次/年注:(1)例行检验是在生产的最终阶段对生产线上的产品进行的100%检验,通常检验后,除包装和加贴标签外,不再进一步加工。确认检验是为验证产品持续符合标准要求进行的抽样检验。(2)确认检验应按标准的规定进行;(3)例行检验允许用经验证后确定的等效、快速的方法进行;(4)确认检验时,若工厂不具备测试设备,可委托试验室试验。*11次/批不少于一次/半年。*电气强度试验不进行潮湿处理。四、家用及类似用途器具耦合器家用及类似用途器具耦合器工厂质量控制检测要求产品名称认证依据标准试验项目(标准条款编号)确认检验例行检验器具耦合器GB17465.1-1998GB17465.2-19981.极性检查一次/半年或*1√2.接地连续性一次/半年或*1√3.电气强度*(15.2)一次/半年或*1;√4.尺寸检查(9)*15.拔出力(16)*16.分断能力(19)至少1次/年7.机械强度(23)至少1次/年9.耐热和抗老化性能(24)至少1次/年10.绝缘材料的耐热、耐燃和耐漏电起痕(27)至少1次/年注:(1)例行检验是在生产的最终阶段对生产线上的产品进行的100%检验,通常检验后,除包装和加贴标签外,不再进一步加工。确认检验是为验证产品持续符合标准要求进行的抽样检验。(2)确认检验应按标准的规定进行;(3)例行检验允许用经验证后确定的等效...

1、当您付费下载文档后,您只拥有了使用权限,并不意味着购买了版权,文档只能用于自身使用,不得用于其他商业用途(如 [转卖]进行直接盈利或[编辑后售卖]进行间接盈利)。
2、本站所有内容均由合作方或网友上传,本站不对文档的完整性、权威性及其观点立场正确性做任何保证或承诺!文档内容仅供研究参考,付费前请自行鉴别。
3、如文档内容存在违规,或者侵犯商业秘密、侵犯著作权等,请点击“违规举报”。

碎片内容

CCC工厂审查指南-工厂产品质量检测要求

确认删除?
VIP
微信客服
  • 扫码咨询
会员Q群
  • 会员专属群点击这里加入QQ群
客服邮箱
回到顶部