电脑桌面
添加小米粒文库到电脑桌面
安装后可以在桌面快捷访问

第十三章 临时用地与施工电计划VIP免费

第十三章  临时用地与施工电计划_第1页
1/7
第十三章  临时用地与施工电计划_第2页
2/7
第十三章  临时用地与施工电计划_第3页
3/7
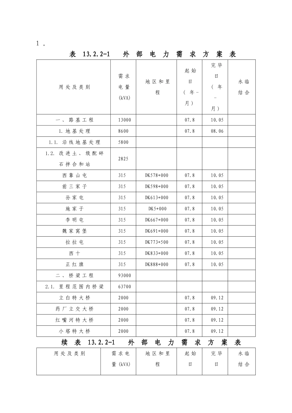
第十三章临时用地与施工用电方案13.1.临时用地方案.临时工程用地原那么按照先征后用的原那么合理规划临时工程用地数量。按照少占土地,节约资源的原那么优先选用荒地和山地。按照施工便利的原那么临时工程用地应靠近地方道路和施工便道。按照环保原那么搅拌站及消费、生活区应以不影响当地环境和灌溉合理规划临时工程用地。.临时工程用地方案表临时工程用地方案见表13.1.1-1。表13.1.1-1临时工程用地方案表土地的方案用处及类别所需面积(m2)大致位置或里程范围所需时间自至其中利用业主已征用土地(m2)待租用(m2)一、路基取土场331500路基沿线指定取土场07.8-10.10331500二、弃土场30000路基沿线指定弃土场07.8-10.1030000二、桥梁施工布置1080000各桥位附近07.8-10.091080000四、箱梁预制场8277854各指定梁场07.8-10.098277854五、搅拌站440000路基沿线22个07.8-44000010.09六、稳定土拌和站150075路基沿线共计9座07.8-10.07150075七、轨枕预制场200000沿线6个预制场09.6-10.12200000八、铺轨100000原双城车站附近10.8-12.6100000九、工程队驻地200000标段沿线07.8-10.1020000十、临时施工便道1200000标段沿线07.8-10.101200000合计120214291202142913.2.施工用电方案.外部用电的初步安排东北电网电压等级按500/220/66/10kV系列配置。220kV电网兴旺已根本覆盖东北全区是东北电网的骨干网架。哈大客运专线沿线是东北电力系统的负荷中心电力资源丰富并且沿线高压电力线或交织或平行线路分布变电站(所)分布集施工用电可就近自变电站引入或从10kV电力线上T接。在工点集中地段、特长桥、制梁场、焊轨基地等用电量集中地段拟从变电站引出10kv线路。为保证工程顺利进展特长桥、制梁场、焊轨基地等重点用电点考虑自发电为备用电源。在工点分散地区采用自发电。地方电与自发电的比例为97:3。13.2.2.外部电力需求方案外部电力需求方案详细见表13.2.2-1。表13.2.2-1外部电力需求方案表用处及类别需求电量(kVA)地区和里程起始日(年-月)完毕日(年-月)永临结合一、路基工程1300007.810.051.地基处理860007.808.061.1.沿线地基处理58001.2.改进土、级配碎石拌合和站2825西靠山屯315DK578+00007.810.05前三家子315DK598+00007.810.05孙家屯315DK613+00007.810.05施家子315DK5+00007.810.05李明屯315DK667+00007.810.05魏家窝堡315DK691+00007.810.05拉拉屯315DK773+50007.810.05西十315DK833+00007.810.05正红旗315DK888+00007.810.05二、桥梁工程930002.1.里程范围内桥梁63700立白特大桥200007.809.12药厂立交大桥200007.809.12红嘴河特大桥200007.809.12小塔特大桥200007.809.12续表13.2.2-1外部电力需求方案表用处及类别需求电量(kVA)地区和里程起始日完毕日永临结合(年-月)(年-月)小塔子大桥200007.809.12英城大桥60007.809.12龙王庙大桥60007.809.12三岔河特大桥200007.809.12八棵树立交特大桥200007.809.12靠山屯特大桥200007.809.12太沟特大桥200007.809.12石槽沟特大桥200007.809.12郭家店大桥50007.809.12鹿厂大桥100007.809.12孙家屯特大桥200007.809.12石槽沟大桥100007.809.12裴家屯特大桥200007.809.12鱼塘大桥50007.809.12东辽河特大桥200007.809.12公主岭大桥150007.809.12苇子沟特大桥200007.809.12火炬特大桥200007.809.12施家特大桥150007.809.12刘房子哈大铁路立交特大桥200007.809.12双龙河特大桥200007.809.12跃进大桥50007.809.12曲家屯特大桥200007.809.12新开河特大桥200007.809.12伊通河特大桥400007.809.12续表13.2.2-1外部电力需求方案表用处及类别需求电量(kVA)地区和里程起始日(年-月)完毕日(年-月)永临结合德惠特大桥200007.809.12第二松花江特大桥400007.809.12二十四特大桥200007.809.12拉林河特大桥200007.809.12运粮河特大桥200007.809.12王岗特大桥200007.809.12齿轮路立交大桥50007.809.12永安屯特大桥200007.809.122.2.箱梁预制场1500017#靠山屯制梁场150007.809.1218#刘房子制梁场150007.809.1219#白龙屯制梁场150007.809.1220#长春北郊制梁场150007.809.1221#朱城子制梁场150007.809.1222#饮马河制梁场150007.809.1223#二十家子制梁场150007.809.1224#拉林河...

1、当您付费下载文档后,您只拥有了使用权限,并不意味着购买了版权,文档只能用于自身使用,不得用于其他商业用途(如 [转卖]进行直接盈利或[编辑后售卖]进行间接盈利)。
2、本站所有内容均由合作方或网友上传,本站不对文档的完整性、权威性及其观点立场正确性做任何保证或承诺!文档内容仅供研究参考,付费前请自行鉴别。
3、如文档内容存在违规,或者侵犯商业秘密、侵犯著作权等,请点击“违规举报”。

碎片内容

第十三章 临时用地与施工电计划

确认删除?
VIP
微信客服
  • 扫码咨询
会员Q群
  • 会员专属群点击这里加入QQ群
客服邮箱
回到顶部