电脑桌面
添加小米粒文库到电脑桌面
安装后可以在桌面快捷访问

旅游景区质量等级评定与划分国家标准评定细则VIP专享VIP免费

旅游景区质量等级评定与划分国家标准评定细则_第1页
1/25
旅游景区质量等级评定与划分国家标准评定细则_第2页
2/25
旅游景区质量等级评定与划分国家标准评定细则_第3页
3/25
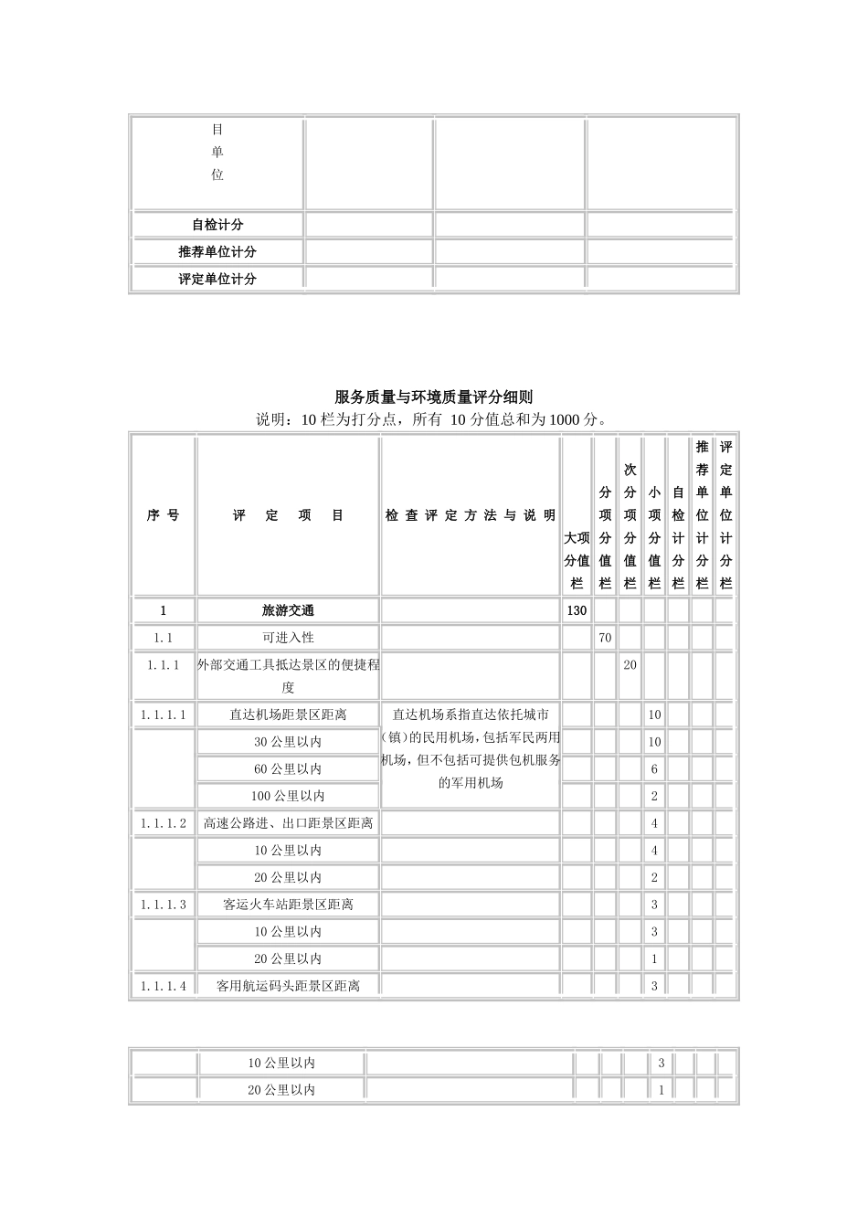
《旅游景区质量等级评定与划分》国家标准评定细则说明:根据《旅游景区质量等级评定管理办法》(国家旅游局局令第23号)和《旅游景区质量等级的划分与评定》国家标准(GB/T17775-2003)的相关规定制定本细则。本细则共分为三个部分:细则一:服务质量与环境质量评分细则细则二:景观质量评分细则细则三:游客意见评分细则各等级景区需达到如下条件:细则一细则二细则三5A950分90分90分4A850分85分85分3A750分75分75分2A600分60分60分1A500分50分50分细则一:服务质量与环境质量评分细则说明:1、本细则共计1000分,共分为8个大项,各大项分值为:旅游交通140分;游览210分;旅游安全80分;卫生140分;邮电服务30分;旅游购物50分;综合管理195分;资源和环境的保护155分。2、5A级旅游景区需达到950分,4A级旅游景区需达到850分,3A级旅游景区需达到750分,2A级旅游景区需达到600分,1A级旅游景区需达到500分。细则一计分总表项分值情况负责人签字评定日期目单位自检计分推荐单位计分评定单位计分服务质量与环境质量评分细则说明:10栏为打分点,所有10分值总和为1000分。序号评定项目检查评定方法与说明大项分值栏分项分值栏次分项分值栏小项分值栏自检计分栏推荐单位计分栏评定单位计分栏1旅游交通1301.1可进入性701.1.1外部交通工具抵达景区的便捷程度201.1.1.1直达机场距景区距离直达机场系指直达依托城市(镇)的民用机场,包括军民两用机场,但不包括可提供包机服务的军用机场1030公里以内1060公里以内6100公里以内21.1.1.2高速公路进、出口距景区距离410公里以内420公里以内21.1.1.3客运火车站距景区距离310公里以内320公里以内11.1.1.4客用航运码头距景区距离310公里以内320公里以内11.1.2依托城市(镇)抵达旅游景区的便捷程度依托城市(镇)系指旅游景区直接的主要客源集散城市(镇)。依托城市(镇)可跨越行政区划201.1.2.1依托城市(镇)距景区距离15在依托城市(镇)内处于建成区内。建成区系指经过批准的城市(镇)规划确定的范围15在依托城市(镇)周边20公里内系指距最近的建成区外缘的距离12在依托城市(镇)周边50公里内10在依托城市(镇)周边120公里内51.1.2.2旅游交通系指依托城市(镇)至旅游景区之间的专项交通方式5有市(镇)内公共交通线抵达包括从市(镇)内出发的一条或多条公交线5无市(镇)内公交汽车,但有长途汽车抵达需设有汽车站点3有直达旅游专线包括旅游专线汽车,或旅游船舶航线,或城市(镇)周边旅游专列,但均需定时定点11.1.3抵达公路或客运航道(干线)等级系指直达机场、高速路口、客用火车站、客用航运码头、依托城市(镇)抵达景区公路或客运航道(干线)等级。两者均有者,取最高分项10一级公路或最高级客运航道一级公路系黑化或白化路面、行车速度100~60km/hr、双向四道、宽度2×7m。最高级客运航道指可通行大型游轮的航道10二级公路或高级客运航道二级公路系黑化或白化路面、行车速度80~40km/hr、双向两道、宽度9~7m。高级客运航道指可通行中型游轮的航道6三级公路或中级客运航道三级公路系黑化或白化路面、行车速度60~30km/hr、双向两道、宽度7~6m。中级客运航道指可通行小型游船的航道。三级以下公路或中级以下航道,不给分21.1.4抵达公路或客运航道(支线)101.1.4.1路面硬化或航道畅通41.1.4.2桥涵完整或航道无障碍31.1.4.3护坡良好31.1.5外部交通标识系指引导到达景区的标识10专用外部交通标识在颜色、外形上有别于一般交通标识10一般外部交通标识51.2自配停车场地系指归属于景区自身管理的停车场301.2.1面积系指景区各类自配停车场面积的总和1010000平米以上106000平米以上73000平米以上51000平米以上31.2.2地面考查主停车场的地面8生态停车场生态停车场系指有绿化停车面或绿化隔离线的停车场,或者使用生态型或环保型建筑材料修建的停车场8硬化或黑化地面包括水泥地面、沥青地面或平整石板地面5砂砾地面3泥土地面11.2.3停车场管理81.2.3.1设停车线21.2.3.2停车分区11.2.3.3车场内有方向引导指示标识11.2.3.4分设出入口21.2.3.5专人值管21.2.4停车场或码头美观,有特色或有文化性21.2.5停车场或码头与景观的协调性位置不当...

1、当您付费下载文档后,您只拥有了使用权限,并不意味着购买了版权,文档只能用于自身使用,不得用于其他商业用途(如 [转卖]进行直接盈利或[编辑后售卖]进行间接盈利)。
2、本站所有内容均由合作方或网友上传,本站不对文档的完整性、权威性及其观点立场正确性做任何保证或承诺!文档内容仅供研究参考,付费前请自行鉴别。
3、如文档内容存在违规,或者侵犯商业秘密、侵犯著作权等,请点击“违规举报”。

碎片内容

旅游景区质量等级评定与划分国家标准评定细则

确认删除?
VIP
微信客服
  • 扫码咨询
会员Q群
  • 会员专属群点击这里加入QQ群
客服邮箱
回到顶部