电脑桌面
添加小米粒文库到电脑桌面
安装后可以在桌面快捷访问

民用船舶修理价格表VIP免费

民用船舶修理价格表_第1页
1/62
民用船舶修理价格表_第2页
2/62
民用船舶修理价格表_第3页
3/62
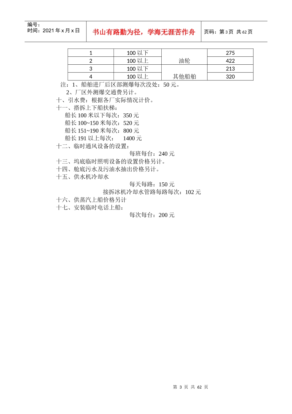
第1页共62页编号:时间:2021年x月x日书山有路勤为径,学海无涯苦作舟页码:第1页共62页《国内民用船舶修理价格表》使用说明一、本《价格表》系参照我中国船舶工业总公司系统各船厂的历史资料并结合修船产品实际情况和现行市场价格水平,经测算整理汇编成册,供我总公司系统各单位使用。二、本《价格表》仅适用于民用常规船舶的修理。海洋钻井平台、工程船舶及其它特种船舶中的特殊设施修理价格另计。三、本《价格表》中已包括材料的项目,其材料费按91年现行价格测算的,如遇材料市场价格有较大变动时,各厂可按实际情况适当调整其差价部分。四、本《价格表》各分项说明中均已明确修换范围,其它附带工程及可能产生的零部件换新以及施工工艺所需的专用工具、模具、胎架、专用设备等费用另计。五、凡单一性技术劳务,如柴油机的喷油器、高压油泵、调速器、冰机、空调等的修理其价格可作适当上浮。六、本《价格表》所列的各当规格,凡在两档之间者均按高一档价格计。七、本《价格表》中各部分的系数,凡遇多个同时出现时,应将系数相加后计算。八、本《价格表》所列之价格,均系出厂价格。九、凡工厂委托外单位加工、借用设备、外购器材等、应按工厂实际支付费用加上运杂费、管理费及法定利润、现金。十、本《价格表》之价格仅适用于厂区作业,离厂区作业及出差施工其价格另行计算。十一、本《价格表》适用于正常工作日的日班作业,若船方要求特急需逾时加班者,则应增收加班费。十二、船舶在工厂修理期间,其因修换而拆下的旧件、旧料,均归船厂所有。第2页共62页第1页共62页编号:时间:2021年x月x日书山有路勤为径,学海无涯苦作舟页码:第2页共62页服务项目一、船舶靠离码头系解缆:序号船长(米)价格150以下158251~75191376~1002564101~1503425151~2004326201~225515注:上述价格不包括拖轮费。二、码头费:以船长每米24小时一天计,不足一天按一天计算。每天每米:5元注:特殊船型价格另计。三、消防值班:以一天24小时计,不足一天按一天计算。每人每天:85元四、消防巡回检查:以一天24小时计,不足一天按一天计算。序号船长(米)消防巡回检查150以下15251~7520376~100274101~150345151~200446201~22552五、接拆电缆、水管:(1)电缆接拆一次:138元(2)水管接拆一次:102元(3)消防软管接拆一次:102元六、清除生活垃圾:船长100米以下40元/天船长100米以上70元/天七、临时放置消防器材:每天:50元八、供淡水、供电:按当地实际情况计价。九、测爆:序号船长(米)船舶进厂前第3页共62页第2页共62页编号:时间:2021年x月x日书山有路勤为径,学海无涯苦作舟页码:第3页共62页1100以下油轮2752100以上4223100以下其他船舶2134100以上320注:1、船舶进厂后区部测爆每次没处:50元。2、厂区外测爆交通费另计。十、引水费:根据各厂实际情况计价。十一、搭拆上下船扶梯:船长100米以下每次:350元船长100~150米每次:520元船长151~190米每次:800元船长191以上每次:1400元十二、临时通风设备的设置:每班每台:240元十三、坞底临时照明设备的设置价格另计。十四、舱底污水及污油水抽出价格另计。十五、供水机冷却水每天每路:150元接拆冰机冷却水管路每路每次:102元十六、供蒸汽上船价格另计十七、安装临时电话上船:每次每台:200元第4页共62页第3页共62页编号:时间:2021年x月x日书山有路勤为径,学海无涯苦作舟页码:第4页共62页坞修工程一、进出坞及在坞1、进出坞费包括排墩费、带缆费、开关坞门及抽放水(浮坞的沉浮)费用。但进出坞使用拖轮的费用另计。2、特种船舶:如挖泥船、打桩船、浮吊、勘探船、钻井平台、捕鲸船、拖网渔船、船舶其长度与宽度比小于7以及带有异常船体结构的船舶,进出坞费及在坞费另计。3、船舶带贷进坞,加收50%的进出坞费及在坞费。4、特殊情况,如海损抢修、纯单一性工程(如倾斜试验)等价格另计。5、拆装坞墩,加装临时支撑的费用另计。6、坞费不足一天按一天收费7、船长不足50米,按50米船长收费。8、万吨级以上的船坞价格另计。9、若船厂已为船舶进出坞做好了各项准备工作,而船方突然变更时间,则船厂保留索取赔偿的权利。进出...

1、当您付费下载文档后,您只拥有了使用权限,并不意味着购买了版权,文档只能用于自身使用,不得用于其他商业用途(如 [转卖]进行直接盈利或[编辑后售卖]进行间接盈利)。
2、本站所有内容均由合作方或网友上传,本站不对文档的完整性、权威性及其观点立场正确性做任何保证或承诺!文档内容仅供研究参考,付费前请自行鉴别。
3、如文档内容存在违规,或者侵犯商业秘密、侵犯著作权等,请点击“违规举报”。

碎片内容

民用船舶修理价格表

确认删除?
VIP
微信客服
  • 扫码咨询
会员Q群
  • 会员专属群点击这里加入QQ群
客服邮箱
回到顶部