电脑桌面
添加小米粒文库到电脑桌面
安装后可以在桌面快捷访问

某制冷机房设计说明书VIP免费

某制冷机房设计说明书_第1页
1/13
某制冷机房设计说明书_第2页
2/13
某制冷机房设计说明书_第3页
3/13
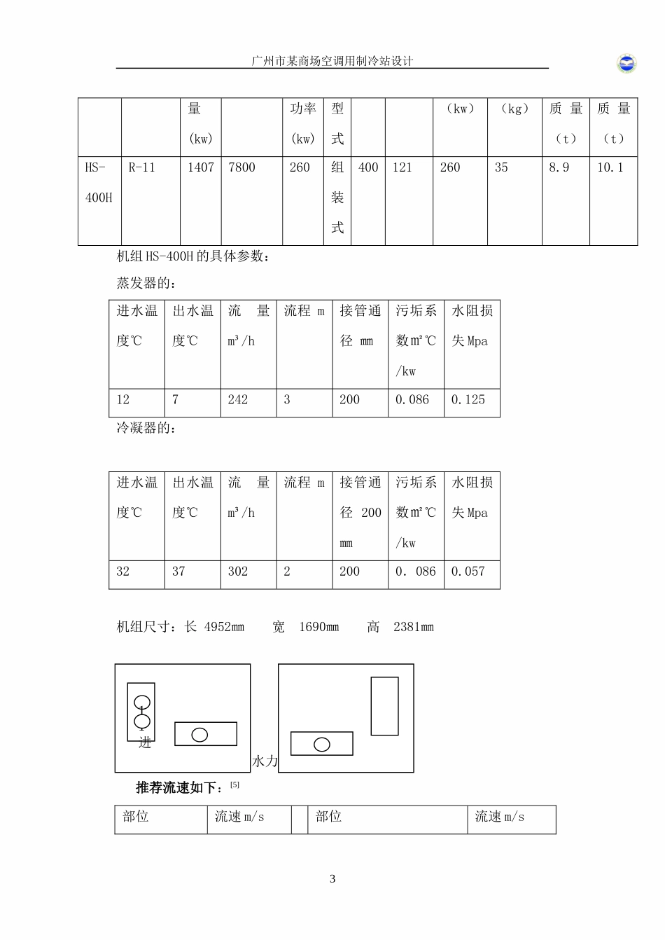
广州市某商场空调用制冷站设计广州市某商场空调用制冷站设计一设计题目与原始条件题目:广州市某商场空调用制冷站设计原始条件建筑地点:广州市建筑性质:商场建筑面积:20000㎡栋数:3栋层数:5层层高:4米广州的气象参数[1]大气压力室外计算干球温度室外计算湿球温度台站位置冬季夏季夏季空调日平均夏季空调日平均年平均温度东经海拔1019.5hpa1004.5hpa30.1℃27.7℃21.8℃113°19′6.6米二方案设计1广州市某商场空调用制冷站设计该机房制冷系统为四管制系统,即冷却水供/回水管、冷冻水供/回水管系统。经冷水机组制冷后的7℃的冷冻水通过冷冻水供水管到达分水器,再通过分水器分别送往商场的各层,经过空调机组后的12℃的冷冻水回水经集水器再由冷冻水回水管返回冷水机组,通过冷水机组中的蒸发器与制冷剂换热实现降温过程。从冷水机组出来的37℃的冷却水经冷却水供水管到达冷却塔,经冷却塔冷却后降温后的32℃的冷却水再返回冷水机组冷却制冷剂,如此循环往复。考虑到系统的稳定安全高效地运行,系统中配备补水系统,软化水系统,电子水处理系统等附属系统。三负荷计算面积热指标商场的面积热指标为:q=150—250w/㎡,这里取q=190w/㎡根据面积热指标计算冷负荷=190×20000=3800kW对于间接供冷系统一般附加7%—15%,这里选取8%。[2]Q=A(1+α)q=20000(1+8%)190=4104kw四冷水机组选择根据标准,属于中大型规模建筑,宜取制冷机组3台,而且3台机组的容量相同所以单台制冷量Q=4104/3=1368KW选择离心式制冷机组[3]离心式制冷机组规格[4]型号制冷剂额定制冷转速(r/min)主电动机机组RT10000kal/h输出功率润滑油加入量机组吊装机组运行2广州市某商场空调用制冷站设计量(kw)功率(kw)型式(kw)(kg)质量(t)质量(t)HS-400HR-1114077800260组装式400121260358.910.1机组HS-400H的具体参数:蒸发器的:进水温度℃出水温度℃流量m³/h流程m接管通径㎜污垢系数㎡℃/kw水阻损失Mpa12724232000.0860.125冷凝器的:进水温度℃出水温度℃流量m³/h流程m接管通径200㎜污垢系数㎡℃/kw水阻损失Mpa323730222000.0860.057机组尺寸:长4952㎜宽1690㎜高2381㎜五水力计算1冷冻水循环系统水力计算推荐流速如下:[5]部位流速m/s部位流速m/s311进广州市某商场空调用制冷站设计水泵压出口2.4—3.6排水管1.2—2.1水泵吸入口1.2—2.1向上立管1.0—3.0主干管1.2—4.5一般管道1.5—3.0冷冻水的管径确定:首先确定选择4台水泵3备1用!假定冷水泵出口流速2.5m/s由冷水支管的流量Q=242m³/h可得d=√4Q/πv=√4*242/3.14/2.5/3600=185㎜取DN=200㎜(内径207㎜)由DN=200㎜可得v=4Q/πd=2.1m/s在经济流速内!所以实际流速v=2.1m/s假定泵入口流速v=1.5m/s由Q=242m³/h可得d=√4Q/πv=239㎜取DN=250㎜由DN=250㎜可得v=1.37m/s所以实际流速v=1.37m/s假定干管流速v=3m/s由Q=242*3=726m³/h可得d=293㎜取DN=300㎜由DN=300㎜可得v=2.85m/s在经济流速范围内所以实际流速v=2.85m/s2冷却水循环系统水力计算冷却水的管径确定根据经济流速假定冷却水泵出口流速v=2.4m/s由Q=302m³/h可得d=√4Q/πv=207㎜取DN=250㎜由DN==250㎜可得v=1.7m/s在经济流速内!所以实际流速v=1.7m/s假定泵吸入口流速v=1.5m/s由Q=302m³/h可得d=√4Q/πv=267㎜取DN=300㎜(内径309㎜)4广州市某商场空调用制冷站设计由DN=300㎜可得v=1.2m/s在经济流速内!假定干管流速v=3m/s由Q=906m³/h可得d=327㎜取DN=350㎜(内径309㎜)由DN=350㎜可得v=2.6m/s在经济流速内!对于从机组出来的冷却水:假定支管流速v=2m/s由Q=302m³/h可得d=231㎜取DN=250㎜由DN=250㎜可得v=1.7m/s在经济流速内!假定干管流速v=3m/s可得d=327㎜取DN=350㎜由DN=350㎜可得v=2.6m/s在经济流速内!-六设备选择1冷冻水和冷却水水泵的选择水泵的选择根据流量和扬程选择冷冻水泵扬程=2倍的层高+局部损失+沿程损失+机组损失冷却水泵的扬程=冷却塔所需压力+局部损失+沿程损失+机组损失其中局部损失用到的局部损失系数ξ如下:[6]截止阀0.3止回阀DN4050200250300ξ3.93.40.10.10.1蝶阀0.1—0.3变径管渐缩0.1(对应小断面流速)渐扩0.3(对应小断面流速)5广州市某商场空调用制冷站设计...

1、当您付费下载文档后,您只拥有了使用权限,并不意味着购买了版权,文档只能用于自身使用,不得用于其他商业用途(如 [转卖]进行直接盈利或[编辑后售卖]进行间接盈利)。
2、本站所有内容均由合作方或网友上传,本站不对文档的完整性、权威性及其观点立场正确性做任何保证或承诺!文档内容仅供研究参考,付费前请自行鉴别。
3、如文档内容存在违规,或者侵犯商业秘密、侵犯著作权等,请点击“违规举报”。

碎片内容

某制冷机房设计说明书

您可能关注的文档

确认删除?
VIP
微信客服
  • 扫码咨询
会员Q群
  • 会员专属群点击这里加入QQ群
客服邮箱
回到顶部