电脑桌面
添加小米粒文库到电脑桌面
安装后可以在桌面快捷访问

扣件式钢管脚手架验收规范VIP免费

扣件式钢管脚手架验收规范_第1页
1/8
扣件式钢管脚手架验收规范_第2页
2/8
扣件式钢管脚手架验收规范_第3页
3/8
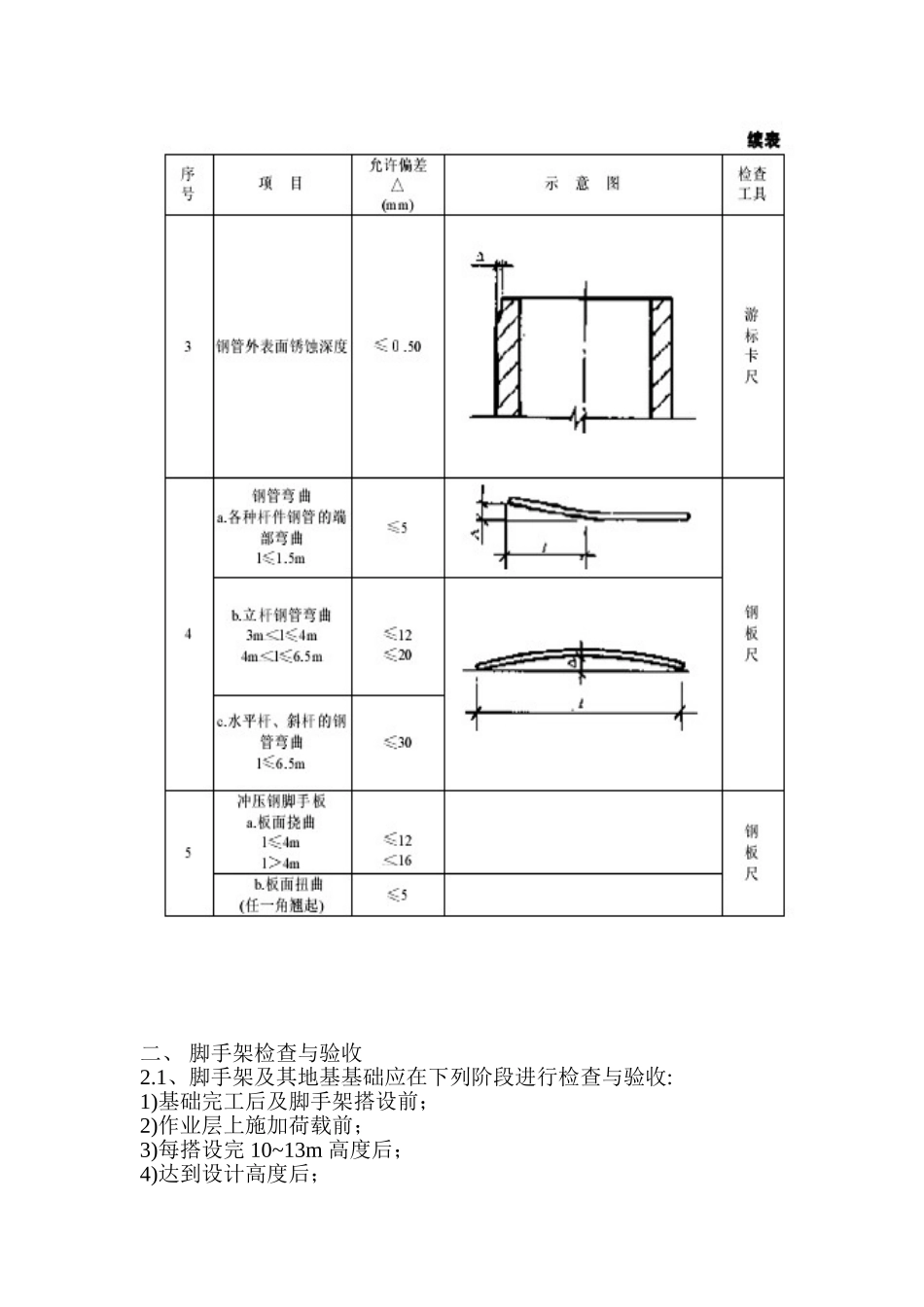
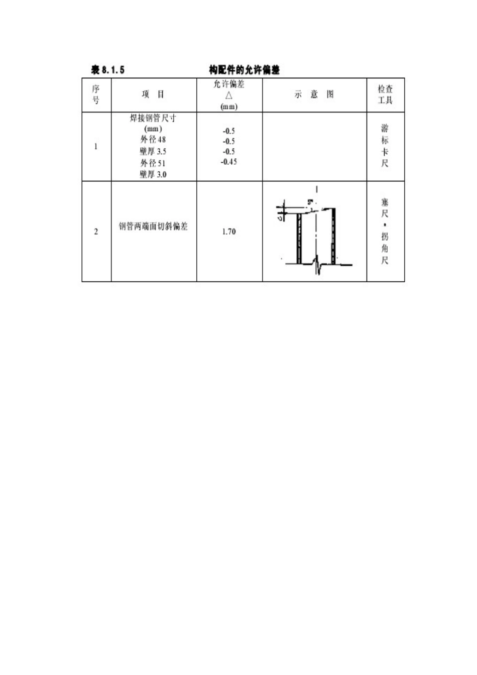
扣件式钢管脚手架验收规范一、构配件检查与验收1.1新钢管的检查应符合下列规定:1、应有产品质量合格证;2、应有质量检验报告,钢管材质检验方法应符合现行国家标准,金属拉伸试验方法(GB/T228)的有关规定,质量应符合本规范第1.1条的规定;3、钢管表面应平直光滑,不应有裂缝、结疤、分层、错位、硬弯、毛刺、压痕和深的划道;4、钢管外径、壁厚、端面等的偏差,应分别符合本规范表1.5的规定;5、钢管必须涂有防锈漆;1.2旧钢管的检查应符合下列规定:1、表面锈蚀深度应符合本规范表1.5序号3的规定,锈蚀检查应每年一次。检查时,应在锈蚀严重的钢管中抽取三根,在每根锈蚀严重的部位横向截断取样检查,当锈蚀深度超过规定值时不得使用;2、钢管弯曲变形应符合本规范表1.5序号4的规定;1.3扣件的验收应符合下列规定:1、新扣件应有生产许可证、法定检测单位的测试报告和产品质量合格证,当对扣件质量有怀疑时,应按现行国家标准钢管脚手架扣件(GB--15831)的规定抽样检测;2、旧扣件使用前应进行质量检查,有裂必须更换;3、新、旧扣件均应进行防锈处理;1.4脚手板的检查应符合下列规定:1、冲压钢脚手板的检查应符合下列规定:1)新脚手板应有产品质量合格证;2)尺寸偏差应符合本规范表1.5序号5的规定;3)新、旧脚手板均应涂防锈漆;2、木脚手板的检查应符合下列规定:1)木脚手板的宽度不宜小于200mm厚度,腐朽的脚手板不得使用;2)竹笆脚手板、竹串片脚手板的材料应符合要求;构配件的偏差应符合表1.5的规定二、脚手架检查与验收2.1、脚手架及其地基基础应在下列阶段进行检查与验收:1)基础完工后及脚手架搭设前;2)作业层上施加荷载前;3)每搭设完10~13m高度后;4)达到设计高度后;5)遇有六级大风与大雨后,寒冷地区开冻后;6)停用超过一个月;2.2、进行脚手架检查、验收时应根据下列技术文件:1)本规范第2.3、2.5条的规定2)施工组织设计及变更文件;3)技术交底文件;2.3、脚手架使用中,应定期检查下列项目:1、杆件的设置和连接连墙件支撑门洞桁架等的构造是否符合要求;2、地基是否积水、底座是否松动、立杆是否悬空;3、扣件螺栓是否松动;4、高度在24m以上的脚手架,其立杆的沉降与垂直度的偏差是否符合本规范表2.4项次1、2的规定;5、安全防护措施是否符合要求;6、是否超载;2.4、脚手架搭设的技术要求、允许偏差与检验方法,应符合规定;2.5、安装后的扣件螺栓拧紧扭力矩应采用扭力扳手检查,抽样方法应按随机分布原则进行。抽样检查数目与质量判定标准,应按表2.5的规定确定,不合格的必须重新拧紧,直至合格为止。三、安全管理3.1、脚手架搭设人员必须是经过按现行国家标准《特种作业人员安全技术考核管理规则》(GB-5036)考核合格的专业架子工。上岗人员应定期体检,合格者方可持证上岗;3.2、搭设脚手架人员必须戴安全帽、系安全带、穿防滑鞋;3.3、脚手架的构配件质量与搭设质量应按本规范第一章的规定进行检查验收,合格后方准使用;3.4、作业层上的施工荷载应符合设计要求,不得超载,不得将模板支架、缆风绳、泵送混凝土和砂浆的输送管等固定在脚手架上,严禁悬挂起重设备;3.5、当有六级及六级以上大风和雾、雨、雪天气时应停止脚手架搭设与拆除作业;雨、雪后上架作业应有防滑措施,并应扫除积雪;3.6、脚手架的安全检查与维护,应按本规范第2.2、2.5条的规定进行,安全网应按有关规定搭设或拆除;3.7、在脚手架使用期间,严禁拆除下列杆件:1)主节点处的纵、横向水平杆,纵、横向扫地杆;2)连墙件;3.8、不得在脚手架基础及其邻近处进行挖掘作业,否则应采取安全措施,并报主管部门批准;3.9、临街搭设脚手架时,外侧应有防止坠物伤人的防护措施;3.10、在脚手架上进行电、气焊作业时,必须有防火措施和专人看守;3.11、工地临时用电线路的架设及脚手架接地、避雷措施等,应按现行行业标准《施工现场临时用电安全技术规范》(JGJ46)的有关规定执行;3.12、搭拆脚手架时,地面应设围栏和警戒标志,并派专人看守。严禁非操作人员入内。

1、当您付费下载文档后,您只拥有了使用权限,并不意味着购买了版权,文档只能用于自身使用,不得用于其他商业用途(如 [转卖]进行直接盈利或[编辑后售卖]进行间接盈利)。
2、本站所有内容均由合作方或网友上传,本站不对文档的完整性、权威性及其观点立场正确性做任何保证或承诺!文档内容仅供研究参考,付费前请自行鉴别。
3、如文档内容存在违规,或者侵犯商业秘密、侵犯著作权等,请点击“违规举报”。

碎片内容

扣件式钢管脚手架验收规范

确认删除?
VIP
微信客服
  • 扫码咨询
会员Q群
  • 会员专属群点击这里加入QQ群
客服邮箱
回到顶部