电脑桌面
添加小米粒文库到电脑桌面
安装后可以在桌面快捷访问

山东省威海二中高中物理 感应电流产生的条件导学案 教科版选修3-2VIP免费

山东省威海二中高中物理 感应电流产生的条件导学案 教科版选修3-2_第1页
1/4
山东省威海二中高中物理 感应电流产生的条件导学案 教科版选修3-2_第2页
2/4
山东省威海二中高中物理 感应电流产生的条件导学案 教科版选修3-2_第3页
3/4
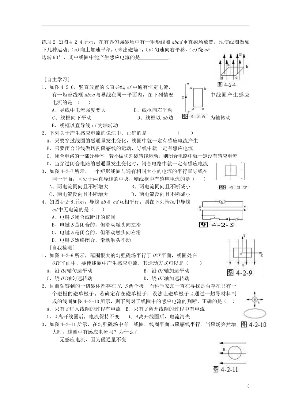
第一、二节划时代的发现探究电磁感应产生的条件课标:(1)收集资料,了解电磁感应现象的发现过程,体会人类探索自然规律的科学态度和科学精神。(2)通过实验,理解感应电流的产生条件。举例说明电磁感应在生活和生产中的应用。学习学习学习目标:(1)能说出什么是电磁感应现象。能记住产生感应电流的条件。(2)会运用产生感应电流的条件判断具体实例中有无感应电流。(3)能说出电磁感应现象中的能量转化特点。(4)通过实验探究,归纳概括出利用磁场产生电流的条件,培养学生的观察、操作、探究、概括能力。重点难点:1、2、3课程导学(学生阅读第一节)提炼两句话:奥斯特梦圆“电生磁”------电流的磁效应法拉第心系“磁生电”------电磁感应现象一、磁通量在匀强磁场中,如果有一个与磁感应强度B垂直的平面,其面积为S,定义________为穿过这个平面的磁通量,单位是,简称,符号为。如果平面与磁感应强度方向不垂直,如何计算穿过它的磁通量呢?一种方法是:考虑到磁感应强度是矢量,可以分解为平行于平面的分量和垂直于平面的分量,如图3-3-2所示,由于平行于平面的分量并不穿过平面,所以磁通量数值上等于垂直于平面的分量与面积的乘积,sinsinBSSB。另一种方法是:磁感应强度不分解,将平面的面积做投影,磁通量数值上等于磁感应强度与投影面积的乘积,sinBSBS。不管用哪种方法来计算磁通量的值,必须保证BS中的磁感应强度与平面垂直。二、磁通密度穿过单位面积的磁通量称为磁通密度,根据这一定义,磁通密度与磁感应强度数值上是等价的,即B=_______。磁感线越密处(磁通密度越大),磁场的磁感应强度越大,磁感线越稀疏处,(磁通密度越小),磁场的磁感应强度越小。三、磁通量的变化量Φ=Φ2-Φ1思考:从图示位置开始,转动900,磁通量变化多少?从图示位置开始,转动180o,磁通量变化多少?练习1、下列那些情况下穿过线圈的磁通量发生了变化()1图3-3-2四、探究电磁感应产生的条件。有哪些情况可以产生感应电流学生实验:下面同学们进行实验探索。以6人一小组为单位,看哪组速度快、方法多,5分钟为限。(1)学生可能会有下列实验操作:1.条形磁铁插入或拔出大的螺线管2.按课本实验三连接电路,电键闭合或断开电键闭合后,改变变阻器阻值3.电键闭合后,小螺线管插入或拔出大螺线管(2)各小组汇报情况,宣布获胜小组,给予表扬,并对学生的实验探索小结。(3)给学生提供正确的实验现象答案。表2磁铁的运动表针的摆动方向磁铁的运动表针的摆动方向N极插入线圈向右S极插入线圈向左N极停在线圈中不摆动S极停在线圈中不摆动N极从线圈中抽出向左S极从线圈中抽出向右结论:只有磁铁相对线圈运动时,有电流产生。磁铁相对线圈静止时,没有电流产生。表3操作现象开关闭合瞬间有电流产生开关断开瞬间有电流产生开关闭合时,滑动变阻器不动无电流产生开关闭合时,迅速移动变阻器的滑片有电流产生结论:只有当线圈A中电流变化时,线圈B中才有电流产生。学生:分组讨论,学生代表发言。教师点评:通过大家的论证,我们得出结论:“磁生电”的确是一种在变化、运动的过程中才能出现的效应。思考:以上实验中能产生感应电流的电路有什么特点?学生思考后很快能得出。2练习2如图4-2-4所示,在有界匀强磁场中有一矩形线圈abcd垂直磁场放置,现使线圈做如下几种运动:(a)向上加速平移,(未出磁场),(b)匀速向右平移,(c)绕ab边转90°,其中线圈中能产生感应电流的是。[自主学习]1、如图4-2-6,竖直放置的长直导线ef中通有恒定电流,有一矩形线框abcd与导线在同一平面内,在下列情况中线圈产生感应电流的是()A、导线中电流强度变大B、线框向右平动C、线框向下平动D、线框以ab边为轴转动E、线框以直导线ef为轴转动2、下列关于产生感应电流的说法中,正确的是()A、只要穿过线圈的磁通量发生变化,线圈中就一定有感应电流产生B、只要闭合导线做切割磁感线的运动,导线中就一定有感应电流C、闭合电路的一部分导体,若不做切割磁感线运动,则闭合电路中就一定没有感应电流D、当穿过闭合电路的磁通量发生变化时,闭合电路中就一定有感应电流3...

1、当您付费下载文档后,您只拥有了使用权限,并不意味着购买了版权,文档只能用于自身使用,不得用于其他商业用途(如 [转卖]进行直接盈利或[编辑后售卖]进行间接盈利)。
2、本站所有内容均由合作方或网友上传,本站不对文档的完整性、权威性及其观点立场正确性做任何保证或承诺!文档内容仅供研究参考,付费前请自行鉴别。
3、如文档内容存在违规,或者侵犯商业秘密、侵犯著作权等,请点击“违规举报”。

碎片内容

山东省威海二中高中物理 感应电流产生的条件导学案 教科版选修3-2

;绿洲书城+ 关注
实名认证
内容提供者

从事历史教学,热爱教育,高度负责。

确认删除?
VIP
微信客服
  • 扫码咨询
会员Q群
  • 会员专属群点击这里加入QQ群
客服邮箱
回到顶部