电脑桌面
添加小米粒文库到电脑桌面
安装后可以在桌面快捷访问

脚手架检查验收表VIP专享VIP免费

脚手架检查验收表_第1页
1/35
脚手架检查验收表_第2页
2/35
脚手架检查验收表_第3页
3/35
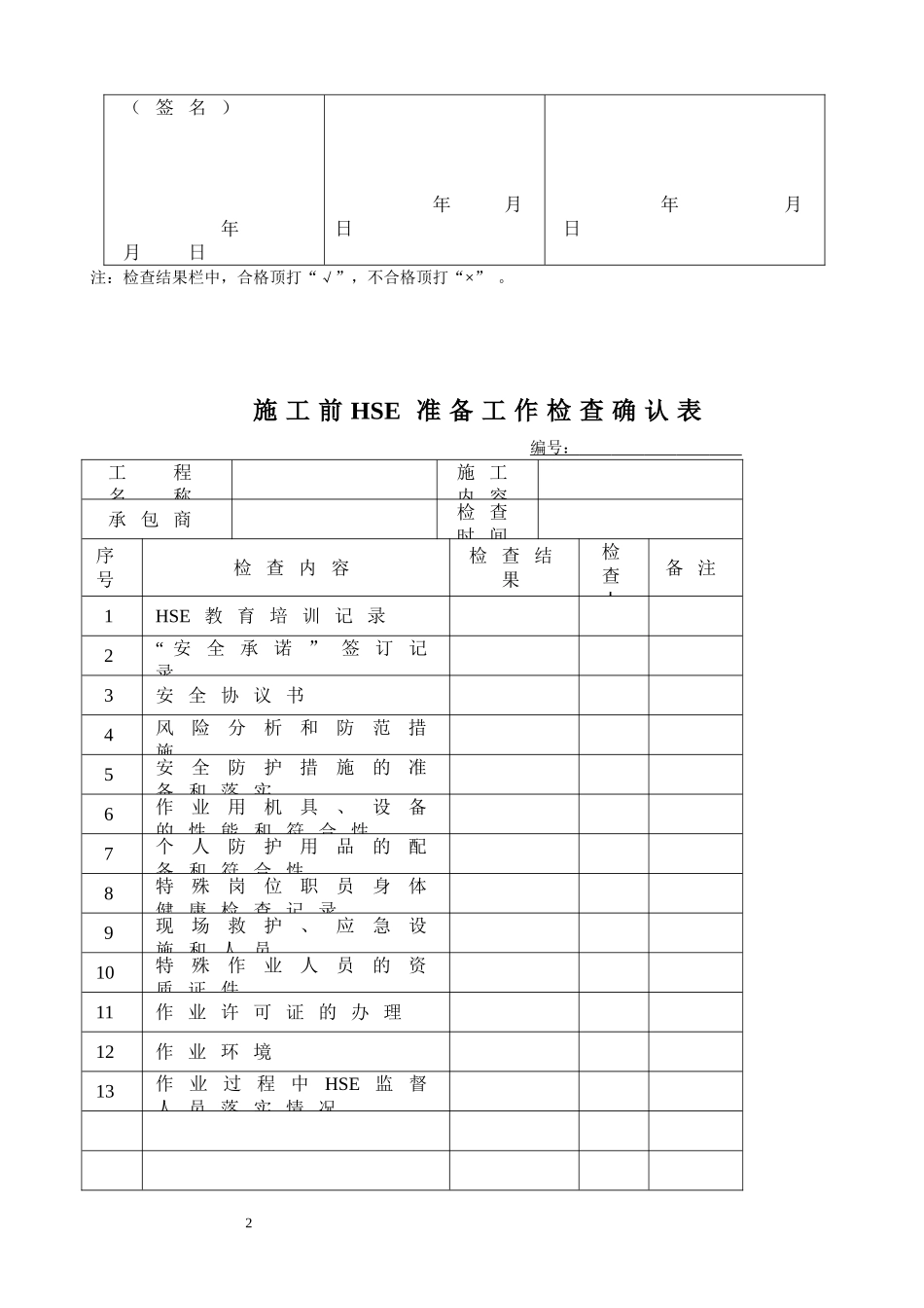
脚手架检查验收记录表工程名称施工单位验收日期2007年月日施工区域高度/层安全员检查项目序号检查内容检查结果1脚手架材料外观检查,必要时由搭设单位提供材料出厂合格证2脚手架搭设人员操作资质3脚手架搭设施工方案及审查批复4脚手架立杆处地基承载情况、平整度5脚手架立杆地基周围的排水措施6脚手架立杆下垫板、底座、扫地杆的设置7脚手架立杆、横杆间距及接头位置8脚手架联墙杆、斜撑及剪刀撑的设置9脚手板的铺设和绑扎10脚手架走道和平台的防护栏杆和挡脚板的设置11脚手架上人楼梯的防滑设施12钢扣件与杆件的联接和紧固13脚手架外围安全隔离网的设置14脚手架的标识设置检查意见:施工单位代表:甲方代表:(签名)监理公司代表:(签名)1(签名)年月日年月日年月日注:检查结果栏中,合格顶打“√”,不合格顶打“×”。施工前HSE准备工作检查确认表编号:工程名称施工内容承包商检查时间序号检查内容检查结果检查人备注1HSE教育培训记录2“安全承诺”签订记录3安全协议书4风险分析和防范措施5安全防护措施的准备和落实6作业用机具、设备的性能和符合性7个人防护用品的配备和符合性8特殊岗位职员身体健康检查记录9现场救护、应急设施和人员10特殊作业人员的资质证件11作业许可证的办理12作业环境13作业过程中HSE监督人员落实情况2检查结论:□检查合格,同意施工□检查不合格,整改后重新检查□同意施工,但以下问题须尽快完善监理公司代表EPC代表施工单位代表动土作业申请批表申请日期:编号:项目名称承包商动土部位开挖长度或面积计划开始时间内容:批准:经办:审批栏检查内容:检查结果合格不合格1.施工方案已经过审查2.动土证已办理3.开挖区域地面障碍物已清理34.开挖区域地下障碍物已经过确认并已在地面上作好标识5.开挖轴线已经过复测6.作业人员已经过安全教育并有教育记录7.开挖机械及抽水机械已经过安全检查并有检查记录8.安全防护措施及防护设施已到位(\支撑\爬梯\跳板\护栏)会签:监理公司:EPC或施工单位:年月日年月日注:检查结果栏中,合格项打“√”,不合格项打“×”。动土作业安全检查记录表日期:编号:项目名称承包商动土部位开挖长度或面积动土作业开始时间检查内容检查结果1动土作业时的天气情况晴阴雨2动土作业时的地面堆截情况3动土作业前安全班会和记录4动土作业前施工机具安全检查和记录(挖掘机、抽水泵)5沟槽内安全出入爬梯的数量和固定6放坡或支撑7过沟跳板的数量和固定8坑、槽壁的稳定情况9基坑内的排水情况10坑\槽口的围护情况11机械开挖作业过程中的安全监护12检查过程中不合格项的整改情况4131415161718审核人:检查人:注:检查结果栏中,合格项打“√”,不合格项打“×”。狭窄空间动土作业申请、审批表申请日期:编号:项目名称承包商动土部位开挖长度或面积计划开始时间内容:5批准:经办:审批栏检查内容:检查结果合格不合格1防护措施方案已经过审查2动土证已办理3开挖区域地面障碍物已清理4开挖区域地下障碍物已经过确认并已在地面上作好标识5开挖轴线已经过复测6作业人员已经过安全教育并有教育记录7抽水机械已经过安全检查并有检查记录8安全防护措施及防护设施已到位(支撑\爬梯\护栏)会签:监理公司负责人:EPC、施工单位:年月日年月日注:检查结果栏中,合格项打“√”,不合格项打“×”。HSE会记录编号:会议时间会议地点主持人会议主题1.2.3.参加会议的单位和名单单位名称人员名单联系电话6摘要:记录人:参观人员通行申请表外来人员单位:参观理由:参观区域:带车情况:参观日期:年月日上午时分至时分下午时分至时分参观者姓名性别年龄身份证号码7相关部门负责人:HSE管理部:身份证留存:张换取通行证:张车辆临时通行申请表姓名:驾驶证号:车型牌号:身份证号码:进场时间:月日上午点分下午点分供货单位:离场时间:月日上午点分下午点分货物名称:送货单编号:是否随车携带下列物品:剧毒品易燃品放射性物品枪枝场内行驶路段:8随车人员记录:姓名:性别:年龄:身份证号码:相关部门负责人:HSE管理部:临时车辆通行证:发张,交还张材料外运通行申请表承包商:货车牌号:车型:颜色:驾驶员姓名:随车人数:...

1、当您付费下载文档后,您只拥有了使用权限,并不意味着购买了版权,文档只能用于自身使用,不得用于其他商业用途(如 [转卖]进行直接盈利或[编辑后售卖]进行间接盈利)。
2、本站所有内容均由合作方或网友上传,本站不对文档的完整性、权威性及其观点立场正确性做任何保证或承诺!文档内容仅供研究参考,付费前请自行鉴别。
3、如文档内容存在违规,或者侵犯商业秘密、侵犯著作权等,请点击“违规举报”。

碎片内容

脚手架检查验收表

确认删除?
VIP
微信客服
  • 扫码咨询
会员Q群
  • 会员专属群点击这里加入QQ群
客服邮箱
回到顶部