电脑桌面
添加小米粒文库到电脑桌面
安装后可以在桌面快捷访问

金属工艺学理论考试模拟试题及答案VIP免费

金属工艺学理论考试模拟试题及答案_第1页
1/19
金属工艺学理论考试模拟试题及答案_第2页
2/19
金属工艺学理论考试模拟试题及答案_第3页
3/19
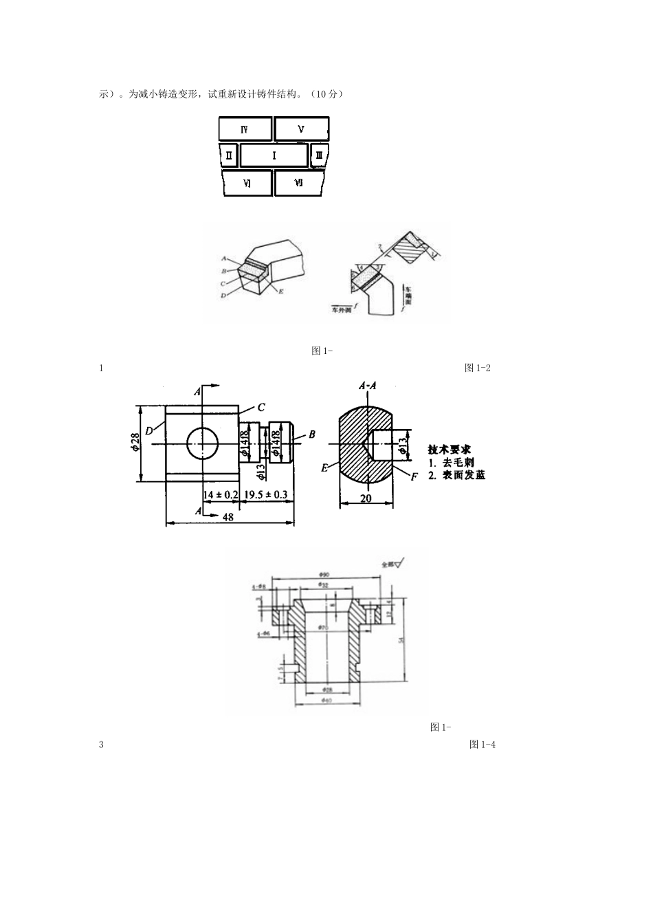
模拟试题(卷一)课程名称:金属工艺学专业班级姓名一、填空题(每空0.5分,共15分)1、①、信息、能源称为现代技术的三大支柱。2、碳在铸铁中的存在形式有①和②。3、根据石墨形态,工业生产中使用的铸铁可分为①、②、③和④。4、金属塑性变形的基本方式是①和②。5、常见毛坯种类有①、②、③、和④。其中对于形状较复杂的毛坯一般采用⑤。6、确定刀具标注角度参考系的三个主要基准平面(坐标平面)是指①、②、和③。7、在金属学中,通常把金属从液态向固态的转变称为①。8、珠光体是①和②组成的机械混合物。9、常用的平面加工方法有①、②、③、④等。10、根据焊接接头的各部位出现的组织和性能变化,整个焊接接头由①、②、③构成。11、对灰铸铁进行①处理,对低碳钢进行②处理,对高碳钢进行③处理,均可改善其切削加工性(可加工性)。二、单选题(每小题1分,共10分)1、某砂型铸件,常产生浇不足、冷隔等缺陷。为防止这些缺陷的产生,可采取的措施有:()A.适当提高浇注温度;B.改变化学成分;C.提高直浇口高度;D.A、B与C;E.A与B;F.A与C2、可锻铸铁中的团絮状石墨由下述方式获得。()A.由白口铸铁经高温退火从渗碳体分解而得到B.直接从液体中结晶而得C.由灰口铸铁经锻造而得D.上述说法都不对3、铸铁熔点比钢()流动性比钢()收缩率比钢()故铸铁铸造性能好。A.高、好、小B.低、好、小C.高、坏大D.低、坏、大4、在机械加工中直接改变工件的形状、尺寸和表面质量,使之成为所需零件的过程称为:()A.生产过程B.工艺过程C.工艺规程D.机械加工工艺过程5、零件在加工过程中使用的基准叫做:()A.设计基准B.装配基准C.定位基准D.测量基准6、用下列方法生产的钢齿轮中,使用寿命最长,强度最好的为:()A.精密铸造齿轮;B.利用厚板切削的齿轮;C.利用圆钢直接加工的齿轮;D.利用圆钢经镦粗加工的齿轮。7、对于重要结构,承受冲击载荷或在低温度下工作的结构,焊接时应选用碱性焊条,原因是:()A.焊缝金属含氢量低;B.焊缝金属韧性高;C.焊缝金属抗裂性好;D.A、B和C。8、在焊接性估算中,()钢材焊接性比较好。A.碳含量高,合金元素含量低;B.碳含量中,合金元素含量中;C.碳含量低,合金元素含量高;D.碳含量低,合金元素含量低。9、大批量生产外径为50mm,内径为25mm、厚为2mm的垫圈。为保证孔与外圆的同轴度应选用。()A.简单冲模B.连续冲模C.复合冲模D.级进模10、淬火一般安排在:()A.毛坯制造之后;B.粗加工之后,C.磨削之前,D.磨削之后。三、多选题(每小题2分,共10分)1、在焊接工艺方面,在结构设计合理的前提下,可采取如下工艺措施达到防止和减小变形的目的。()A.反变形法B.刚性固定法C.正确设计焊件结构D.焊前预热和焊后缓冷E.焊后热处理F.合理安排焊接次序。2、在铸件的结构设计时,应考虑的因素有:()A.使造型方便B.应设计结构斜度C.应有铸造圆角D.壁厚应尽可能均匀E.壁的连接应圆滑过渡F.便于型芯的固定3、自由锻件结构设计的基本原则是:()A.形状尽量简单B.避免曲面交接C.避免锻肋D.设计飞边槽E.凹坑代凸台F.合理设计落料件外形4、积屑瘤对切削加工件质量有一定的影响,下述说法中正确的是:()A.粗加工时,不要求抑制积屑瘤的产生;B.加工铝合金易产生积屑瘤;C.积屑瘤会使工件已加工表面变得粗糙;D.中速切削(5—50m/min)易产生积屑瘤;E.工件材料越硬越易产生积屑瘤;F.积屑瘤的存在,增大了刀具前角,使切削轻快。5、车削加工中的切削用量包括:()A.主轴每分钟转数;B.切削层公称宽度;C.背吃刀量(切削深度);D.进给量E.切削层公称厚度;F.切削速度。四、简答题(共55分)1、用一根冷拉钢丝绳吊装一大型工件入炉,并随工件一起加热至1000oC,当出炉后再次吊装工件时,钢丝绳发生断裂,试分析其原因。(6分)2、铸造厂生产了一批灰铸铁件。经检测,随炉单个浇注的Φ30试棒的抗拉强度为205~210MPa,符合图纸得出的HT200的要求。用户检验时,在铸件不同部位取样,检测结果表明,铸件上壁厚为8mm处的σb为200MPa;15mm处的σb为196MPa;25mm处σb为175MPa;30mm处的σb为168MPa。据此,用户认为该批铸件不合格,理由是:1)铸件力学性能不符合HT2...

1、当您付费下载文档后,您只拥有了使用权限,并不意味着购买了版权,文档只能用于自身使用,不得用于其他商业用途(如 [转卖]进行直接盈利或[编辑后售卖]进行间接盈利)。
2、本站所有内容均由合作方或网友上传,本站不对文档的完整性、权威性及其观点立场正确性做任何保证或承诺!文档内容仅供研究参考,付费前请自行鉴别。
3、如文档内容存在违规,或者侵犯商业秘密、侵犯著作权等,请点击“违规举报”。

碎片内容

金属工艺学理论考试模拟试题及答案

;绿洲书城+ 关注
实名认证
内容提供者

从事历史教学,热爱教育,高度负责。

确认删除?
VIP
微信客服
  • 扫码咨询
会员Q群
  • 会员专属群点击这里加入QQ群
客服邮箱
回到顶部