电脑桌面
添加小米粒文库到电脑桌面
安装后可以在桌面快捷访问

清水池施工组织设计VIP免费

清水池施工组织设计_第1页
1/32
清水池施工组织设计_第2页
2/32
清水池施工组织设计_第3页
3/32
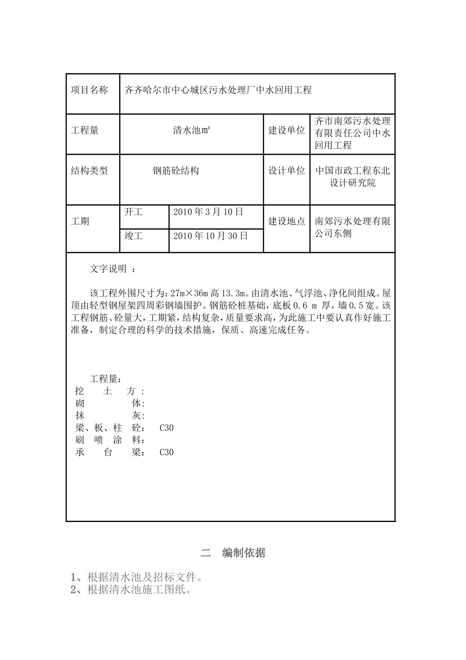
单位工程施工组织设计工程名称:中水回用清水池施工单位:审核:编制:编制日期:2010年3月8日目录一、工程概况二、编制依据三、施工总体布置四、施工准备计划五、分部分项工程的施工措施(一)施工技术准备(二)材料的检验和试验(三)定位放线(四)基坑开挖回填施工(五)钻孔灌注桩施工(六)钢筋工程(七)穿墙套管安装注意事项(八)加强带、工作缝安装注意事项(九)模板工程(十)砼工程(十一)脚手架工程(十二)水池满水试验(十三)雨季施工措施(十四)砌筑工程五、质量保证措施六、工期保证措施七、安全生产措施八、文明施工措施九、环境保护措施十、施工现场平面图十一、施工进度计划表十二、分项工程质量评定表十三、加强带、施工缝大样图十四、模板、支架、止水环、池壁钢筋网拉结筋大样图十五、主要材料计划表十六、主要机具设备计划表十七、劳动力一览表一工程概况项目名称齐齐哈尔市中心城区污水处理厂中水回用工程工程量清水池㎡建设单位齐市南郊污水处理有限责任公司中水回用工程结构类型钢筋砼结构设计单位中国市政工程东北设计研究院工期开工2010年3月10日建设地点南郊污水处理有限公司东侧竣工2010年10月30日文字说明:该工程外围尺寸为:27m×36m高13.3m。由清水池、气浮池、净化间组成。屋顶由轻型钢屋架四周彩钢墙围护。钢筋砼桩基础,底板0.6m厚,墙0.5宽。该工程钢筋、砼量大,工期紧,结构复杂,质量要求高,为此施工中要认真作好施工准备,制定合理的科学的技术措施,保质、高速完成任务。工程量:挖土方:砌体:抹灰:梁、板、柱砼:C30刷喷涂料:承台梁:C30二编制依据1、根据清水池及招标文件。2、根据清水池施工图纸。3、根据中华人民共和国国家标准(GB50300)建筑工程施工和验收规范及检验标准。4、根据ISO9002质量认证体系文件的《质量手册》、《程序文件》和作业指导书。5、根据本工程施工现场实际情况结合本单位同类工程的施工经验。三施工总体布置1、首先制定科学的施工方案,严密的组织措施,选用专业的、技术素质高、实际施工经验丰富的人员组建项目经理部。2、提前作好开工前的准备工作,特别是三通一平,搭好暂设,落实设备、原材料、钻孔桩、砼搅拌站及大型挖土运土设备,落实水泥、钢材进场。3、按照ISO9000质量保证体系的要求,选用人员素质较高的整建制队伍进场。4、现场施工实行科学管理,将该工程划分为3个流水作业工程段,实行木工、钢筋、砼三个分项工程平行流水作业,用网络技术统筹安排,对施工进度资源优化。5、全力抓好施工工程质量,工程百年大计,质量第一,高标准,严要求,该工程量大,结构复杂,地下水位高,为此必须把质量放到重中之重,精心施工,在合同期内高质量完成任务。四施工准备计划1、施工组织机构:该工程实行项目经理负责制,由项目经理统一指挥,调配,抓质量、抓安全、抓进度、抓效益。工地实行承包责任制,包质量、包安全、包效益。争取以最优的质量、最快的进度、最好的效益圆满地完成施工任务。项目经理部岗位组成:(1)项目经理:崔昱赤(2)技术负责人:刘贵军(3)工长:齐水海(4)质检员:何泽宇张秋菊(5)测量员:尹成岩(6)技术员:何泽宇(7)试验员:于涛(8)内业员:王利何泽宇(9)材料员:张丽珍(10)安全员:宋安(11)预算员:赵丽凤(12)后勤员:付艳2、技术准备2.1、针对本工程的实际情况,备齐各专业所需的施工验收规范、操作规程、质量评定标准、标准图集和其他有关技术资料;2.2、组织有关人员认真审阅研究施工图纸,领会设计意图,将疑点、难点搞清楚,明确整个施工中的关键工序和特殊项目。2.3、组织施工人员进行技术交底,商讨正确的施工方法,制定合理的各分部、分项工程及各专业工种的施工方案,重点确定各项工艺流程、施工质量控制要求等;2.4、编制施工图预算,准确提出各种材料、构件的使用数量,并编制材料采购计划,提前做好各种原材料的试化验和试配等工作,已满足施工要求。2.5、施工中相关工种密切配合,杜绝预埋件、预留构件、孔洞的遗漏及位置和标高错误。3、现场准备3.1、测量定位,根据规划图和设计总平面图及给定的轴线控制点进行定位测量,建设单位、监理单位验收合格后,将轴线...

1、当您付费下载文档后,您只拥有了使用权限,并不意味着购买了版权,文档只能用于自身使用,不得用于其他商业用途(如 [转卖]进行直接盈利或[编辑后售卖]进行间接盈利)。
2、本站所有内容均由合作方或网友上传,本站不对文档的完整性、权威性及其观点立场正确性做任何保证或承诺!文档内容仅供研究参考,付费前请自行鉴别。
3、如文档内容存在违规,或者侵犯商业秘密、侵犯著作权等,请点击“违规举报”。

碎片内容

清水池施工组织设计

确认删除?
VIP
微信客服
  • 扫码咨询
会员Q群
  • 会员专属群点击这里加入QQ群
客服邮箱
回到顶部