电脑桌面
添加小米粒文库到电脑桌面
安装后可以在桌面快捷访问

暖气改造施工组织设计VIP专享VIP免费

暖气改造施工组织设计_第1页
1/10
暖气改造施工组织设计_第2页
2/10
暖气改造施工组织设计_第3页
3/10
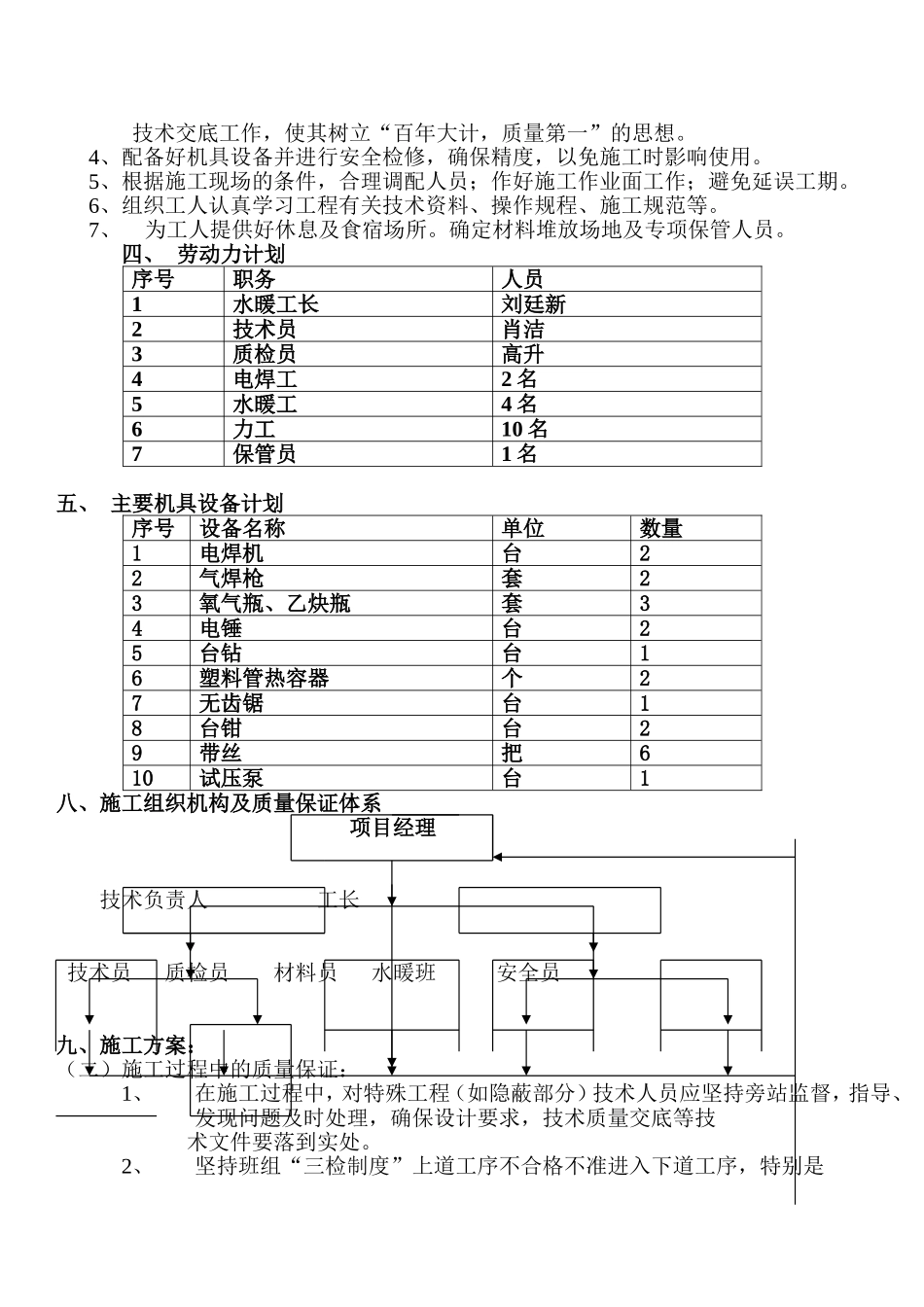
目录一、编制说明(一)、编制依据(二)、施工中主要遵循的有关规范及标准二、工程概况三、施工准备计划四、劳动力计划五、主要机具设备计划六、主要材料计划七、施工进度计划八、施工组织机构及质量保证体系九、施工方案工艺流程及施工方法采暖工程十、保证质量技术措施十一、保证安全文明施工措施十二、保证工期施工措施十三、成品保护措施十四、多工种施工配合措施十五、降低成本措施十六、质保期一、编制说明(一)、编制依据1、设计提供的施工图纸2、施工现场施工条件3、国家有关工程建设法规要求4、国家现行有关施工规范及标准5、建筑安装工程预算及定额资料(二)、施工中主要遵循的有关规范及标准6、采暖通风与空气调节设计规范7、建筑安装工程施工图集8、建筑采暖工程施工及验收规范(GBJ50242-2002)9、公司内控、受控文件工程概况本工程日照钢铁生活区暖气改造工程即采暖工程。10、采暖系统:本工程热源由小区锅炉房经室外采暖热力管网供应。系统形式:(1)、采暖管道采用热镀锌钢管,管径〈DN80,DN65为热熔管〉(2)采暖系统排气采用ZP-1型自动排气阀。散热器型号TZY2-5-5(8)型及TZY2-3-5(8)型,单片标准散热量分别为131W,82W。三、施工准备工作1、接到图纸后认真看图、审图,熟悉图纸,了解设计意图和相关细节,作好图纸会审的准备,确保施工前消灭图纸中存在的问题。2、按图纸要求预算工程所需材料,严格按质量标准检验厂家予供货物3、组织好施工人员,并对其进行质量、技术及安全培训,技术人员向工人作好详细的技术交底工作,使其树立“百年大计,质量第一”的思想。4、配备好机具设备并进行安全检修,确保精度,以免施工时影响使用。5、根据施工现场的条件,合理调配人员;作好施工作业面工作;避免延误工期。6、组织工人认真学习工程有关技术资料、操作规程、施工规范等。7、为工人提供好休息及食宿场所。确定材料堆放场地及专项保管人员。四、劳动力计划序号职务人员1水暖工长刘廷新2技术员肖洁3质检员高升4电焊工2名5水暖工4名6力工10名7保管员1名五、主要机具设备计划序号设备名称单位数量1电焊机台22气焊枪套23氧气瓶、乙炔瓶套34电锤台25台钻台16塑料管热容器个27无齿锯台18台钳台29带丝把610试压泵台1八、施工组织机构及质量保证体系项目经理技术负责人工长技术员质检员材料员水暖班安全员九、施工方案:(二)施工过程中的质量保证:1、在施工过程中,对特殊工程(如隐蔽部分)技术人员应坚持旁站监督,指导、发现问题及时处理,确保设计要求,技术质量交底等技术文件要落到实处。2、坚持班组“三检制度”上道工序不合格不准进入下道工序,特别是卡架安装防腐处理关键工序、,应严格执行质量检查验收制度。工作做好预检,隐蔽检查记录,预检合格后报请甲方,监理和质量监督站核验。3、进入现场的材料应分门别类堆放,特别是管材应防止变形,底部应垫木方找平,堆成塔型。4、施工人员应与土建专业密切配合,特别是预埋件及预留洞等予留工作一定要作好。5、非镀锌钢管,安装时刷好防锈漆,要求不漏刷,不流淌,均匀备用。十、工艺流程、施工方法及技术措施给水系统:(一)、工艺流程:安装准备预制加工干管安装立管安装支管安装管道试压管道冲洗管道保温暖气管道系统安装:(一)工艺流程:预留孔洞埋件套管安装安装准备管道预制加工管道设备安装(二)、施工方法及技术措施1)、施工准备:1、根据施工方案安排好适当的现场工作场地,工作棚,料具库。2、在地沟内操作时,要接通低压照明灯,配合土建施工进度作好各项预留孔洞、管槽。3、浇注楼板孔洞堵抹墙洞工作应在土建装修工程开始前完成。4、在各项预制加工项目进行前要根据安装测绘草图及材料计划,将需用材料、设备的规格型号、质量、数量确认合格并准备齐全,运到现场。2)、管道预制加工1、所有进入现场的焊接钢管经监理现场验证合格后方可使用,首先进行清砂、除绣、达到要求后刷两遍防锈漆。2、断管:根据现场测绘草图,在选好的管材上划线,按线断管。3、套丝:将断好的管材,按管径尺寸分次套制丝扣,一般管径15-32mm者套二次,4配装管件:根据现场测绘的草图,将已套好的丝扣的或已焊...

1、当您付费下载文档后,您只拥有了使用权限,并不意味着购买了版权,文档只能用于自身使用,不得用于其他商业用途(如 [转卖]进行直接盈利或[编辑后售卖]进行间接盈利)。
2、本站所有内容均由合作方或网友上传,本站不对文档的完整性、权威性及其观点立场正确性做任何保证或承诺!文档内容仅供研究参考,付费前请自行鉴别。
3、如文档内容存在违规,或者侵犯商业秘密、侵犯著作权等,请点击“违规举报”。

碎片内容

暖气改造施工组织设计

确认删除?
VIP
微信客服
  • 扫码咨询
会员Q群
  • 会员专属群点击这里加入QQ群
客服邮箱
回到顶部