电脑桌面
添加小米粒文库到电脑桌面
安装后可以在桌面快捷访问

洁净室施工及验收规范VIP免费

洁净室施工及验收规范_第1页
1/21
洁净室施工及验收规范_第2页
2/21
洁净室施工及验收规范_第3页
3/21
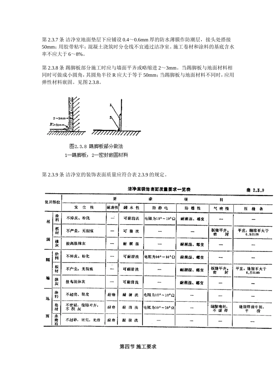
第一章总则第1.0.1条为了在洁净室(含装配式洁净室,下同)施工中,贯彻国家有关的方针政策和统一施工验收要求,统一检测方法,做到保证工程质量、节约能源、保护环境和安全操作特制定本规范。第1.0.2条本规范适用于新建和改建的工业洁净室和一般生物洁净室的施工及验收,不适用于有生物学安全要求的特殊生物洁净室的施工及验收。第1.0.3条洁净室必须按设计图纸施工,施工中需修改设计时应有设计单位的变更通知。没有图纸和技术要求的不能施工和验收。第1.0.4条洁净室施工前应制订详尽的施工方案和程序,施工中各工种之间应密切配合,按程序施工。先行施工的工种,不得妨碍后续的施工。第1.0.5条工程所用的主要材料、设备、成品、半成品均应符合设计规定,并有出厂合格证或质量鉴定证明文件。对质量有怀疑时,必须进行检验。过期材料不得使用。第1.0.6条洁净室施工过程中,应在每道工序施工完毕后进行中间检验验收,并记录备案。第1.0.7条洁净室的施工及验收除执行本规范外,还应符合国家现行的有关标准的规定。第二章建筑装饰第一节一般规定第2.1.1条洁净室建筑装饰施工应于屋面防水工程和外围护结构完成,外门、外窗安装完毕,主体结构验收后进行,其内容包括室内装饰工程,门窗安装,缝隙密封,以及各种管线、照明灯具、净化空调设备、工艺设备等与建筑的结合部位缝隙的密封作业。第2.1.2条洁净室建筑装饰施工进度安排应与其他专业工种制订明确的施工协作计划,按程序施工,互相配合。施工主要程序见附录二。第2.1.3条洁净室建筑装饰施工除应符合现行国家标准《装饰工程施工及验收规范》GBJ210和《地面与楼面工程施工及验收规范》GBJ209的要求外,还应保证施工的气密性,减少施工作业的发尘量和保持施工现场的清洁。有防腐蚀要求时,还应符合现行国家标准《建筑防腐蚀工程施工及验收规范》TJ212的规定。第2.1.4条洁净室建筑装饰施工现场的环境温度应不低于10℃,但对特殊的装饰工程,应按装饰材料说明书要求的温度施工。第二节材料要求第2.2.1条用于洁净室嵌缝的弹性密封材料及防尘涂料必须有注明成份、品种、出厂日期、贮存有效期和施工方法的说明书以及产品合格证书。不得使用过期产品和未经鉴定的产品。第2.2.2条洁净室涂料地面水泥砂浆基底的水泥标号不得低于425号;水磨石地面应现浇,所用小石子直径为6~15mm,水磨石细磨后,宜用不挥发的护面材料打涂。第2.2.3条洁净室墙面和吊顶的抹灰,应为高级抹灰,养护时间应充分。不得采用受热、湿影响产生变形、霉变、粉化的材料。第2.2.4条洁净室使用的木材的含水率不应大于16%,并且不得外露使用;石膏板、胶合板和木龙骨应做防潮处理,或采用防水石膏板;生物洁净室不应使用木材和石膏板作表面装饰材料。第三节构造与装饰要求第2.3.1条预埋在钢筋混凝土构件和墙体上的铁件、木框等应牢固,木砖和木框应做防腐处理,预埋铁件外露部分和吊杆支架应做防锈或防腐处理。第2.3.2条不同材料相接处采用弹性材料密封时,应预留适当宽度和深度的槽口或缝隙,见图2.3.2。第2.3.3条所有建筑构配件、隔墙、吊顶的固定和吊挂件,应与主体结构相联,不应与设备支架(如传送带吊杆、风管吊杆以及有振动的设备)和管线支架相联接。第2.3.4条建筑装饰及门窗的缝隙应在正压面密封。第2.3.5条改建工程在隔墙拆移、打洞、管线穿墙和穿楼板等施工后,应修补牢固,表面进行相应装饰,防止积尘掉灰。第2.3.6条管线隐蔽工程应在管线施工完成并进行试压验收后进行。管线穿墙、穿吊顶处的洞口周围应修补平齐,严密,清洁,并用密封材料嵌缝。隐蔽工程的检修口周边应粘贴气密性密封垫。第2.3.7条洁净室地面垫层下应铺设0.4~0.6mm厚的防水薄膜作防潮层,接头处搭接50mm;用胶带粘牢;混凝土浇筑时分仓线不宜通过洁净室。施工卷材和涂料的基底含水率不应大于6~8%。第2.3.8条踢脚板部分施工时应与墙面平齐或略缩进2~3mm。当踢脚板与地面材料相同时可做成小圆角,其圆角半径R应大于等于50mm;当踢脚板与地面材料不同时,应用弹性材料嵌固。见图2.3.8。第2.3.9条洁净室的装饰表面质量应符合表2.3.9的规定。第四节施工要求第2.4.1条建筑装饰工程必须与各专业工...

1、当您付费下载文档后,您只拥有了使用权限,并不意味着购买了版权,文档只能用于自身使用,不得用于其他商业用途(如 [转卖]进行直接盈利或[编辑后售卖]进行间接盈利)。
2、本站所有内容均由合作方或网友上传,本站不对文档的完整性、权威性及其观点立场正确性做任何保证或承诺!文档内容仅供研究参考,付费前请自行鉴别。
3、如文档内容存在违规,或者侵犯商业秘密、侵犯著作权等,请点击“违规举报”。

碎片内容

洁净室施工及验收规范

确认删除?
VIP
微信客服
  • 扫码咨询
会员Q群
  • 会员专属群点击这里加入QQ群
客服邮箱
回到顶部