电脑桌面
添加小米粒文库到电脑桌面
安装后可以在桌面快捷访问

地铁旁站监理细则VIP免费

地铁旁站监理细则_第1页
1/7
地铁旁站监理细则_第2页
2/7
地铁旁站监理细则_第3页
3/7
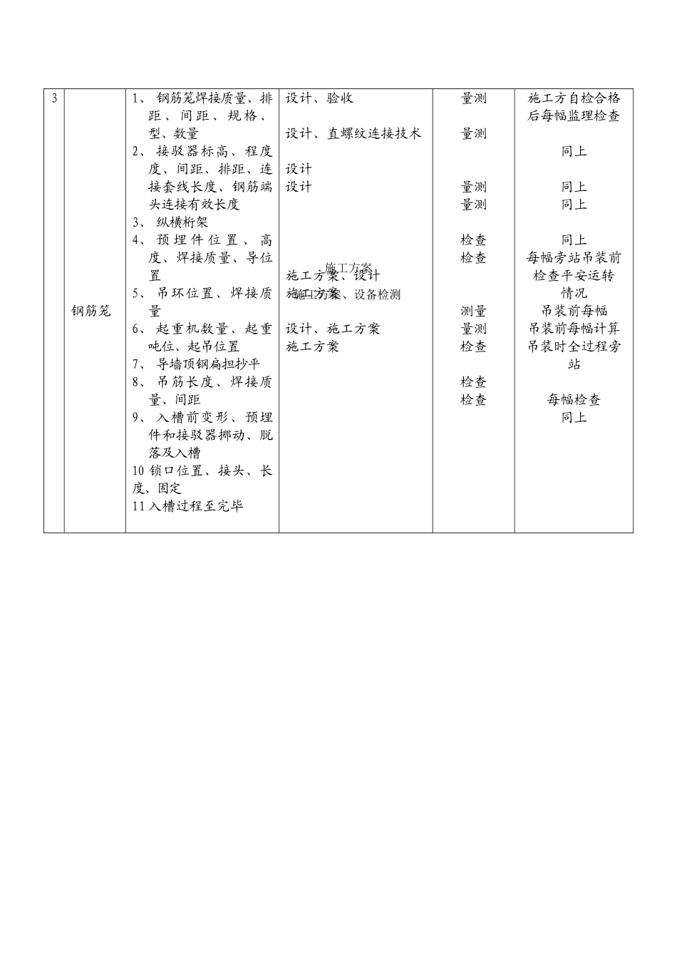
地铁旁站监理细那么WDYT2021二00三年八月十一、工程概况金桥路站位于金桥路北侧的张杨路绿化带中间为地下一层半敞开式侧式站台车站形式〔部分地下二层〕。车站和地下设备理用房总计全长142米车站有效站台长度78米车站段埋深约14米设东西两个出入口通道。车站主体部分采用地下连续墙围护施工出入口部分采用SMW进展围护施工。云山路站位于云山路北侧的张杨路绿化带中间为地下一层半敞开式侧式站台车站形式〔部分地下二层〕。车站和地下设备理用房总计全长约160米车站有效站台长度78米车站段埋深约15米设东西两个出入口通道。车站主体部分采用地下连续墙围护施工出入口部分采用SMW进展围护施工。本工程工作量大工紧质量要求高施工中牵涉的专业工种多施工复杂特别是地下连续墙施工、土方施工、钢筋砼自防水构造施工等工艺施工难度大且对整个工程进度、质量和平安影响大我们特别制定有针对性的监控措施保证工程顺利进展。为加强对现场施工的理确保工程质量根据建立部?房屋建筑工程施工旁站监理理方法?〔〕的有关规定要求制定本工程旁站监理方案。二、旁站监理的工作范围涉及构造平安的重点施工部位和隐蔽工程,影响工程质量的关键工序和特殊过程施工过程中容易出现的严重质量问题及质量事故处理:地下连续墙施工中的钢筋笼吊放过程、砼浇筑;地基加固施工中的喷注作业;土方开挖及支撑施工中的支撑安装及预应力施加;主体构造施工中的钢筋接驳器连接安装、砼浇筑。三、旁站监理的内容1、根本情况:包括天气情况、、施工部位、施工起止时间等;2、检查情况:⑴地下连续墙:钢筋笼吊点位置、起吊时钢筋笼变形情况、吊车指挥情况、吊放过程及定位情况;砼配合比、水泥用量、坍落度、导埋深情况、试块制作情况;⑵地基加固:喷水嘴、喷气嘴、喷浆嘴畅通情况及送浆情况、水灰比、浆液比重、提升速度、浆液流量、加固深度、注浆压力。⑶土方开挖及支撑:土方开挖及支撑安装时间、支撑预应力施加大小、活络头伸出量;⑷主体构造:钢筋接驳器连接情况、隐蔽工程情况及构造防水工程、砼配合比、坍落度、振捣情况、试块制作情况;3、施工中出现质量问题的处理:监理人员对需要施行旁站监理的关键部位、关键工序在施工现场跟班监视及时发现和处理施工过程中出现的质量问题如实准确地做好旁站监理记录。发现施工企业有违背工程建立强迫性行为的有权责施工企业立即整改;发现其施工活动可能或已经动性工程质量及平安应及时向监理工程师或总监理工程师由总监理工程师下达部分暂停施工指或采取其它应急措施。四、旁站监理的程序五、旁站监理人员的主要职责1、检查施工企业现场质检人员到岗、特殊工种人员持证上岗以及施工机械、建筑材料准备情况;2、在现场跟班监视关键部位、关键工序的施工执行施工方案以及工程建立强迫性情况;3、检查进场建筑材料、建筑构配件、设备和商品混凝土的资料检验等并可在现场监视施工企业进展检验或者委托具有资格的第三方进展复验;4、做好旁站监理记录和监理日记保存旁站监理原始资料关键工序、关键部位、巡视旁站要点见下表:六、地下连续墙监理巡视旁站要点;地下连续墙监理巡视旁站细那么要点序工程子目技术质量根据检查手段检查时段1导墙测量放样1、复核轨道中心线2、中心线角点坐标3、复核导墙中心线设计、测量全站仪复核施工方自检合格后监理复核2槽段开挖1、泥浆配合比2、槽段中心线3、导墙顶标高4、槽壁机、提升接头支架5、泥浆高度6、挖槽深度7、挖槽宽度、垂直度8、沉渣厚度,基底泥浆比重9、挖槽全过程施工方案设计、施工方案施工方案设备说明书、检测施工方案、设计、验收设计、验收设计、验收检查、比重仪量测测量检查量测测绳测绳超声波测壁仪旁站按工艺过程检查分幅量测挖槽前分幅量测挖槽前挖槽前巡视、旁站每幅清前与后每幅清槽完毕后清槽完毕时24小时监控填写旁站记录否是是监理制定旁站监理方案施工根据旁站监理方案在关键部位、关键工序施工前24小时书面工程监理机构工程监理机构安排旁站监理人员施行旁站监理旁站监理人员催促检查施工按照设计及要求进展施工如实准确做好旁站监理记录签认旁站监理记录同意下道工序施工责施工企业立即整改3钢筋笼1、...

1、当您付费下载文档后,您只拥有了使用权限,并不意味着购买了版权,文档只能用于自身使用,不得用于其他商业用途(如 [转卖]进行直接盈利或[编辑后售卖]进行间接盈利)。
2、本站所有内容均由合作方或网友上传,本站不对文档的完整性、权威性及其观点立场正确性做任何保证或承诺!文档内容仅供研究参考,付费前请自行鉴别。
3、如文档内容存在违规,或者侵犯商业秘密、侵犯著作权等,请点击“违规举报”。

碎片内容

地铁旁站监理细则

确认删除?
VIP
微信客服
  • 扫码咨询
会员Q群
  • 会员专属群点击这里加入QQ群
客服邮箱
回到顶部