电脑桌面
添加小米粒文库到电脑桌面
安装后可以在桌面快捷访问

施工总体进度计划及保障措施(DOC62页)VIP专享VIP免费

施工总体进度计划及保障措施(DOC62页)_第1页
1/67
施工总体进度计划及保障措施(DOC62页)_第2页
2/67
施工总体进度计划及保障措施(DOC62页)_第3页
3/67
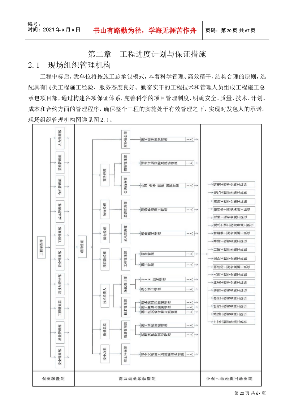
第20页共67页编号:时间:2021年x月x日书山有路勤为径,学海无涯苦作舟页码:第20页共67页第二章工程进度计划与保证措施2.1现场组织管理机构工程中标后,我单位将按施工总承包模式,本着科学管理、高效精干、结构合理的原则,选配具有同类工程施工经验、服务态度良好、勤奋实干的工程技术和管理人员组成工程施工总承包项目部,通过构建各项保证体系,完善科学的项目管理制度,明确安全、质量、技术、计划、成本和合约方面的管理程序,确保整个工程的实施处于有效管理之下,实现对发包人的承诺。现场组织管理机构图详见图2.1。第21页共67页编号:时间:2021年x月x日书山有路勤为径,学海无涯苦作舟页码:第21页共67页图2.1现场组织管理机构图2.2管理机构人员配置本工程项目管理机构人员的配置主要由项目部领导层、部门领导层和部门管理人员三部分组成,人员配备也根据上述部分进行配备,鉴于现场施工面积较大、专业施工队伍多,总承包工程项目管理机构人员配备见表2.2。表2.2项目管理机构人员配备表序号部门名称岗位名称配备人数备注1项目领导层项目经理1技术负责人1项目副经理1商务经理1机电经理1装饰经理1安全总监1质量总监12技术管理部部门经理1技术负责人兼任技术工程师1测量工程师1资料员13深化设计部深化设计师1BIM工程师14质量管理部部门经理1质量总监兼任质量工程师1试验工程师15安全环保部部门经理1安全总监兼任安全工程师16工程管理部部门经理1项目副经理兼任土建工程师2机电工程师1装饰工程师1第22页共67页编号:时间:2021年x月x日书山有路勤为径,学海无涯苦作舟页码:第22页共67页序号部门名称岗位名称配备人数备注7合约商务部部门经理1商务经理兼任商务工程师18物资管理部物资工程师19财务资金部会计110合计232.3部门及主要管理人员职责1项目主要管理人员职责项目主要管理人员职责2.3-1。序号职务主要管理职责1项目经理1)负责落实企业总部对项目经理部人员配备,落实和解决企业总部对项目物质、设备、资金等主要生产要素的供给,保证项目有充足的资源组织施工。2)施工过程中与发包人、监理保持沟通和协调,具体落实发包人和监理安排的重大的事项。3)对项目经理部进行有效的监管,保证总承包管理的有效实施,处理各专业分包之间重大的管理和协调问题。4)负责与发包人的沟通联系,负责各专业施工之间和项目管理人员的总协调及调度,制定项目工期、质量、成本、安全文明施工等管理目标,并组织实施等。2项目副经理1)直接领导工程部。2)对工程的施工生产、进度计划、现场总平面协调及管理全面负责,确保工程施工顺利进行。3)对结构工程施工与其他各专业分包之间的施工生产进行协调。4)负责结构施工中各专业工种之间和其它专业项目的协调及配合,并组织实施结构各专业管理人员、施工日常工作的落实,组织各分项工程的施工、验收工作等,及时解决施工中出现的各种问题。3技术负责人1)直接领导技术管理部、质量管理部,负责项目部的深化设计、技术和质量工作的展开。2)审核各分包商的施工组织设计与施工方案,并协调各分包商的技术问题。3)与设计、监理保持经常沟通,保证设计、监理的要求与指令在各分包商中贯彻实施。第23页共67页编号:时间:2021年x月x日书山有路勤为径,学海无涯苦作舟页码:第23页共67页序号职务主要管理职责4)组织对本项目的关键技术难题进行科技攻关,进行新工艺、新技术的研究,确保本项目顺利进行。5)及时组织技术人员解决工程施工中出现的技术问题。6)直接领导各级技术人员,施工员和有关职能部门人员的技术工作,承担项目的技术领导责任,贯彻执行技术规范、标准,制订施工项目的技术管理制度,组织工程的施工验收工作,领导工程安全事故的预防和处理工作,组织工程的施工安全验收工作等。4商务经理1)直接领导合约商务部的各项管理工作。2)监督各分包商的履约情况,控制工程造价和工程进度款的支付情况,确保投资控制目标的实现。3)审核各分包商制定的物资计划和设备计划,督促分包单位及时采购所需的材料和设备,保证分包单位的工程设备、材料的及时供应。5机电经理1)组织总包范围内机电安装工程。2)组织协调及配合专业分包的现场施工管理。3)...

1、当您付费下载文档后,您只拥有了使用权限,并不意味着购买了版权,文档只能用于自身使用,不得用于其他商业用途(如 [转卖]进行直接盈利或[编辑后售卖]进行间接盈利)。
2、本站所有内容均由合作方或网友上传,本站不对文档的完整性、权威性及其观点立场正确性做任何保证或承诺!文档内容仅供研究参考,付费前请自行鉴别。
3、如文档内容存在违规,或者侵犯商业秘密、侵犯著作权等,请点击“违规举报”。

碎片内容

施工总体进度计划及保障措施(DOC62页)

确认删除?
VIP
微信客服
  • 扫码咨询
会员Q群
  • 会员专属群点击这里加入QQ群
客服邮箱
回到顶部