电脑桌面
添加小米粒文库到电脑桌面
安装后可以在桌面快捷访问

星级饭店卫生间参照标准VIP免费

星级饭店卫生间参照标准_第1页
1/19
星级饭店卫生间参照标准_第2页
2/19
星级饭店卫生间参照标准_第3页
3/19
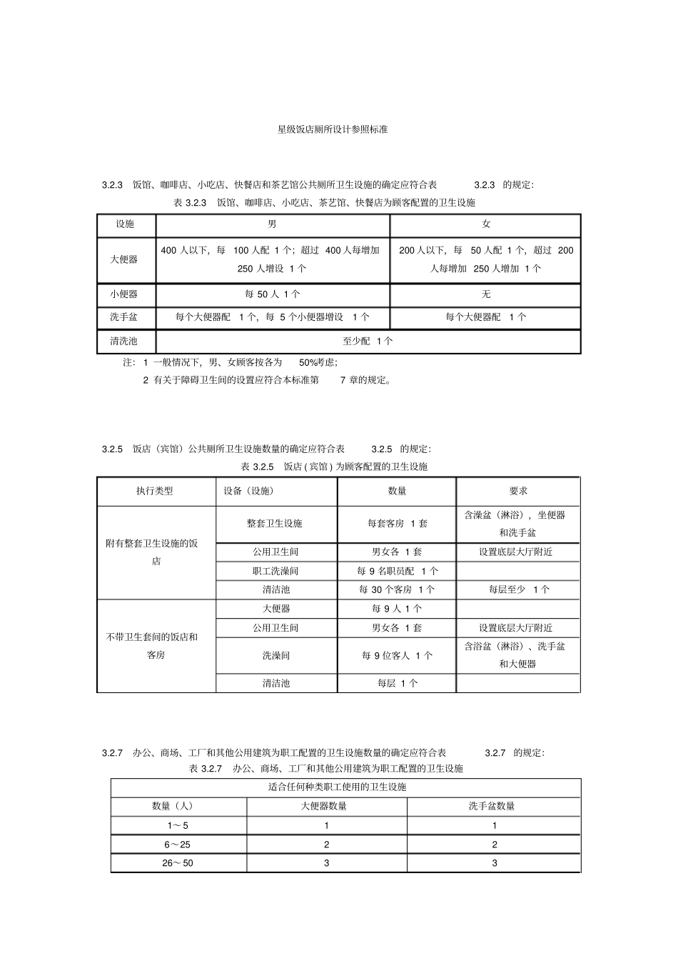
星级饭店厕所设计参照标准3.2.3饭馆、咖啡店、小吃店、快餐店和茶艺馆公共厕所卫生设施的确定应符合表3.2.3的规定:表3.2.3饭馆、咖啡店、小吃店、茶艺馆、快餐店为顾客配置的卫生设施设施男女大便器400人以下,每100人配1个;超过400人每增加250人增设1个200人以下,每50人配1个,超过200人每增加250人增加1个小便器每50人1个无洗手盆每个大便器配1个,每5个小便器增设1个每个大便器配1个清洗池至少配1个注:1一般情况下,男、女顾客按各为50%考虑;2有关于障碍卫生间的设置应符合本标准第7章的规定。3.2.5饭店(宾馆)公共厕所卫生设施数量的确定应符合表3.2.5的规定:表3.2.5饭店(宾馆)为顾客配置的卫生设施执行类型设备(设施)数量要求附有整套卫生设施的饭店整套卫生设施每套客房1套含澡盆(淋浴),坐便器和洗手盆公用卫生间男女各1套设置底层大厅附近职工洗澡间每9名职员配1个清洁池每30个客房1个每层至少1个不带卫生套间的饭店和客房大便器每9人1个公用卫生间男女各1套设置底层大厅附近洗澡间每9位客人1个含浴盆(淋浴)、洗手盆和大便器清洁池每层1个3.2.7办公、商场、工厂和其他公用建筑为职工配置的卫生设施数量的确定应符合表3.2.7的规定:表3.2.7办公、商场、工厂和其他公用建筑为职工配置的卫生设施适合任何种类职工使用的卫生设施数量(人)大便器数量洗手盆数量1~5116~252226~503351~754476~10055>100增建卫生间的数量或按每25人的比例增加设施其中男职工的卫生设施男生人数大便器小便器1~151116~302231~452246~603361~753376~904491~10044>100增建卫生间的数量或按每50人的比例增加设施注:1洗手盆设置:50人以下,每10人配1个,50人以上每增加20人增配1个;2男女性别的厕所必需各设1个;3无障碍厕所应符合本标准每7章的规定;4该表卫生设施的配置适合任何种类职工使用;5该表如考虑外部人员使用,应按多少人可能使用一次的概率来计算。3.3设计规定3.3.1公共厕所的平面设计应将大便间、小便间和盥洗室分室设置,各室应具有独立功能。小便间不得露天设置。厕所的进门处应设置男、女通道,屏蔽墙或物。每个大便器应有一个独立的单元空间,划分单元空间的隔断板及门与地面距离应大于100mm,小于150mm。隔断板及门距离地坪的高度:一类二类公厕大于1.8m、三类公厕大于1.5m。独立小便器站位应有高度0.8m的隔断板。3.3.2公共厕所的大便器应以蹲便器为主,并应为老年人和残疾人设置一定比例的坐便器。大、小便的冲洗宜采用自动感应或脚踏开关冲便装置。厕所的洗手龙头、洗手液宜采用非接触式的器具,并应配置烘干机或用一次性纸巾。大门应能双向开启。3.3.3公共厕所服务范围内应有明显的指示牌。所需要的各项基本设施必须齐备。厕所平面布置宜将管道、通风等附属设施集中在单独的夹道中。厕所设计应采用性能可靠、故障率低、维修方便的器具。3.3.4公共厕所内部空间布置应合理,应加大采光系数或增加人工照明。大便器应根据人体活动时所占的空间尺寸合理布置。通过调整冲水和下水管道的安装位置和方式,确保前后空间的设置符合本标准第3.4节的规定。一类公共厕所冬季应配置暖气、夏季应配置空调。3.3.5公共厕所应采用先进、可靠、使用方便的节水卫生设备。公共厕所卫生器具的节水功能应符合现行行业标准《节水型生活用水器具》CJ164的规定。大便器宜采用每次用水量为6L的冲水系统。采用生物处理或化学处理污水,循环用水冲便的公共厕所,处理后的水质必须达到国家现行标准《城市污水再生利用城市杂用水水质》GB/T18920的要求。3.3.6公共厕所应合理布置通风方式,每个厕位不应小于40m3/h换气率,每个小便位不应小于20m3/h的换气率,并应优先考虑自然通风。当换气量不足时,应增设机械通风。机械通风的换气频率应达到3次/h以上。设置机械通风时,通风口应设在蹲(坐、站)位上方1.75m以上。大便器应采用具有水封功能的前冲式蹲便器,小便器宜采用半挂式便斗。有条件时可采用单厕排风的空气交换方式。公共厕所在使用过程中的臭味应符合现行国家标准《城市公共厕所卫生标准》GB/T17217和《恶臭污染物排放标准》GB14554的要求。3.3.7厕所间平面优先尺寸(内表面尺寸...

1、当您付费下载文档后,您只拥有了使用权限,并不意味着购买了版权,文档只能用于自身使用,不得用于其他商业用途(如 [转卖]进行直接盈利或[编辑后售卖]进行间接盈利)。
2、本站所有内容均由合作方或网友上传,本站不对文档的完整性、权威性及其观点立场正确性做任何保证或承诺!文档内容仅供研究参考,付费前请自行鉴别。
3、如文档内容存在违规,或者侵犯商业秘密、侵犯著作权等,请点击“违规举报”。

碎片内容

星级饭店卫生间参照标准

确认删除?
VIP
微信客服
  • 扫码咨询
会员Q群
  • 会员专属群点击这里加入QQ群
客服邮箱
回到顶部