电脑桌面
添加小米粒文库到电脑桌面
安装后可以在桌面快捷访问

普通初中化学试验室装备标准VIP免费

普通初中化学试验室装备标准_第1页
1/5
普通初中化学试验室装备标准_第2页
2/5
普通初中化学试验室装备标准_第3页
3/5
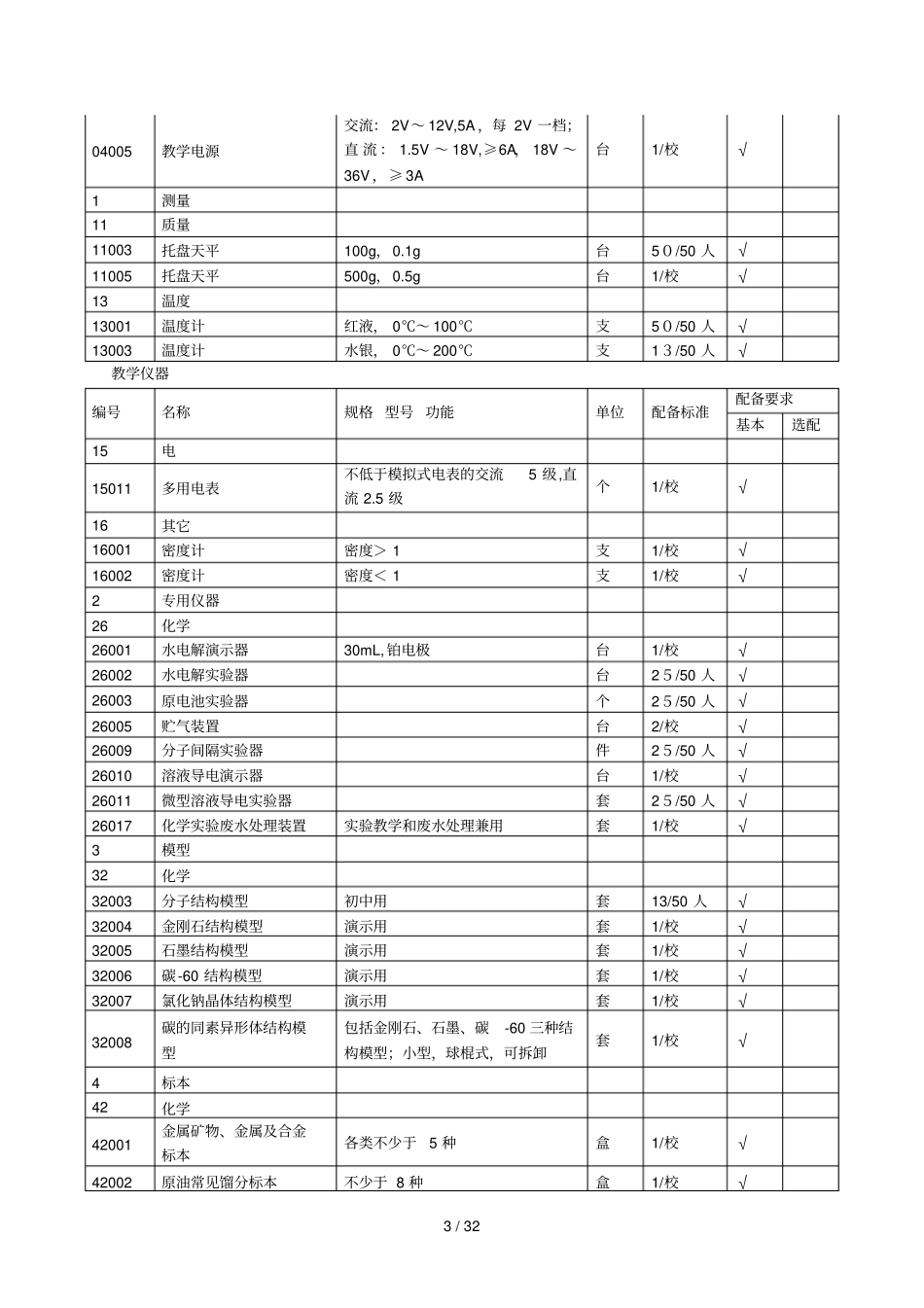
普通初中化学实验室装备标准实验室设置室别功能设置面积m2间数基本规划基本规划4~8个平行班8~12个平行班12~16个平行班基本规划基本规划基本规划实验室满足实验教学要求,学习基本实验技能。√√93≥9312~31~33~43~54~6实验员室实验员办公。√人均使用面积≥6111111准备室进行实验的准备和简单的仪器维修。√√≥18≥23111122仪器室存放实验仪器。√√≥23≥43111~21~222药品室存放实验药品√√每间≥23111111危险药品室存放危险实验药品√每间≥8111注:1、学校规模小于12个班的可参照表中4~8个平行班的数据指标执行;学校规模大于48个班的,以本标准中48个班的数据指标为基准。矚慫润厲钐瘗睞枥庑赖賃軔。2、仪器室只设一间时面积应不小于40m2。。3、药品室可与准备室合并使用,应采取防潮、通风及安全措施。实验室设备编号名称规格型号功能单位配备标准配备要求基本选配1书写板4000mm×1200mm块1/校√2演示讲台2400×700×850(mm)。张1/室√3总控电源全室过线管路系统符合中小学理科实验室装备规范(JY/T0385-2006)。套1/室√4学生实验台1200mm×600mm×780mm。张13/50人√2/325学生实验凳2800mm×600mm×780mm。张50/50人√6网络信息口预留网络接口。个2/室√7水嘴、水池防锈水嘴,防堵、防臭水池套若干√8准备台2400×700×850(mm)。张1/校√9仪器柜1000×500×2000(mm)。个4/校√10药品柜1000×500×2000(mm)。个4/校√11模型、标本柜1000×500×2000(mm)。个2/校√教学仪器编号名称规格型号功能单位配备标准配备要求基本选配02一般02001钢制黑板900mm×600mm,双面块1/校√02002打孔器四件套2/校√02003打孔夹板个1/校√02004打孔器刮刀个1/校√02005手摇钻孔器台1/校√02020仪器车辆1/校√02071离心沉淀器手摇式台1/校√02075酒精喷灯坐式个2/校√02077电加热器密封式个1/校√02081蒸馏水器台1/校√02083列管式烘干器台1/校√02102注射器10mL,塑料只50/50人√02121塑料洗瓶250mL个4/校√02122试剂瓶托盘个13/50人√02123实验用品提蓝个2/校√02124塑料水槽250mm×180mm×100mm个25/50人√02125碘升华凝华管密封式个25/50人√03支架03002方座支架套25/50人√03005万能夹个5/校√03006三脚架个25/50人√03007泥三角个25/50人√03008试管架个25/50人√03009漏斗架个5/校√03010滴定台个3/校√03011滴定夹个3/校√03012多用滴管架个25/50人√04电源3/3204005教学电源交流:2V~12V,5A,每2V一档;直流:1.5V~18V,≥6A,18V~36V,≥3A台1/校√1测量11质量11003托盘天平100g,0.1g台50/50人√11005托盘天平500g,0.5g台1/校√13温度13001温度计红液,0℃~100℃支50/50人√13003温度计水银,0℃~200℃支13/50人√教学仪器编号名称规格型号功能单位配备标准配备要求基本选配15电15011多用电表不低于模拟式电表的交流5级,直流2.5级个1/校√16其它16001密度计密度>1支1/校√16002密度计密度<1支1/校√2专用仪器26化学26001水电解演示器30mL,铂电极台1/校√26002水电解实验器台25/50人√26003原电池实验器个25/50人√26005贮气装置台2/校√26009分子间隔实验器件25/50人√26010溶液导电演示器台1/校√26011微型溶液导电实验器套25/50人√26017化学实验废水处理装置实验教学和废水处理兼用套1/校√3模型32化学32003分子结构模型初中用套13/50人√32004金刚石结构模型演示用套1/校√32005石墨结构模型演示用套1/校√32006碳-60结构模型演示用套1/校√32007氯化钠晶体结构模型演示用套1/校√32008碳的同素异形体结构模型包括金刚石、石墨、碳-60三种结构模型;小型,球棍式,可拆卸套1/校√4标本42化学42001金属矿物、金属及合金标本各类不少于5种盒1/校√42002原油常见馏分标本不少于8种盒1/校√4/3242003合成有机高分子材料标本不少于10种盒1/校√42004新型无机非金属材料标本氧化铝陶瓷、氮化硅陶瓷、光导纤维等盒1/校√5挂图、软件及资料52化学520教学挂图图片52001走进化学实验室套1/校√52002身边的化学物质套1/校√教学仪器编号名称规格型号功能单位配备标准配备要求基本选配52003物质构成的奥妙套1/校√52005化学与社会发展套1/校√52041元素周...

1、当您付费下载文档后,您只拥有了使用权限,并不意味着购买了版权,文档只能用于自身使用,不得用于其他商业用途(如 [转卖]进行直接盈利或[编辑后售卖]进行间接盈利)。
2、本站所有内容均由合作方或网友上传,本站不对文档的完整性、权威性及其观点立场正确性做任何保证或承诺!文档内容仅供研究参考,付费前请自行鉴别。
3、如文档内容存在违规,或者侵犯商业秘密、侵犯著作权等,请点击“违规举报”。

碎片内容

普通初中化学试验室装备标准

文库响当当+ 关注
实名认证
内容提供者

该用户很懒,什么也没介绍

确认删除?
VIP
微信客服
  • 扫码咨询
会员Q群
  • 会员专属群点击这里加入QQ群
客服邮箱
回到顶部