电脑桌面
添加小米粒文库到电脑桌面
安装后可以在桌面快捷访问

机械传动性能测试和系统方案设计VIP免费

机械传动性能测试和系统方案设计_第1页
1/27
机械传动性能测试和系统方案设计_第2页
2/27
机械传动性能测试和系统方案设计_第3页
3/27
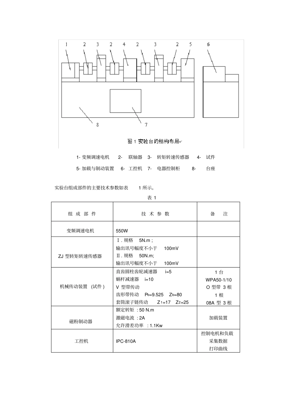
机械传动系统方案设计和性能测试综合实验指导书一、实验目的....................................2二、实验设备介绍................................2三、实验任务....................................4四、实验安排....................................4五、实验台的使用与操作..........................51.实验台各部分的安装连线....................52.实验前的准备及实验操作....................6六、测试软件介绍................................81.界面总览..................................82.数据操作面板.............................83.电机控制操作面板.........................84.下拉菜单.................................9附录1:机械传动方案设计和性能测试综合实验任务卡12附录2:机械传动方案设计和性能测试综合实验方案书13附录3:机械传动方案设计和性能测试综合实验报告..13附录4:实验系统各模块展示......................14附录5:转矩转速传感器介绍.....................25附录6:实验注意事项...........................27一、实验目的1.培养学生根据机械传动实验任务,进行自主实验的能力。实验在“机械传动性能综合测试实验台”上进行,实验室提供机械传动装置和测试设备资料,学生根据实验任务自主设计实验方案,写出实验方案书,搭接传动系统进行测试,分析传动系统设计方案,写出实验报告。2.掌握机械传动合理布置的基本要求,机械传动方案设计的一般方法,并利用机械传动综合实验台对机械传动系统组成方案的性能进行测试,分析组成方案的特点;3.通过实验掌握机械传动性能综合测试的工作原理和方法,掌握计算机辅助实验的新方法。4.测试常用机械传动装置(如带传动、链传动、齿轮传动、蜗杆传动等)在传递运动与动力过程中的参数曲线(速度曲线、转矩曲线、传动比曲线、功率曲线及效率曲线等),加深对常见机械传动性能的认识和理解;二、实验设备介绍“机械传动性能综合测试实验台”由机械传动装置、联轴器、变频电机、加载装置、和工控机几个模块组成,另外还有实验软件支持。系统性能参数的测量通过测试软件控制,安装在工控机主板上的两块转矩转速测试卡和转矩转速传感器联接。学生可以根据自己的实验方案进行传动连接、安装调试和测试,进行设计性实验、综合性实验或创新性实验。1-变频调速电机2-联轴器3-转矩转速传感器4-试件5-加载与制动装置6-工控机7-电器控制柜8-台座实验台组成部件的主要技术参数如表1所示。表1组成部件技术参数备注变频调速电机550WZJ型转矩转速传感器Ⅰ.规格5N.m;输出讯号幅度不小于100mVⅡ.规格50N.m;输出讯号幅度不小于100mV机械传动装置(试件)直齿圆柱齿轮减速器i=5蜗杆减速器i=10V型带传动齿形带传动Pb=9.525Zb=80套筒滚子链传动Z1=17Z2=251台WPA50-1/10O型带3根1根08A型3根磁粉制动器额定转矩:50N.m激磁电流:2A允许滑差功率:1.1Kw加载装置工控机IPC-810A控制电机和负载采集数据打印曲线三、实验任务在“机械传动性能综合测试实验台”上能开展典型机械传动装置性能测试、组合传动系统布置优化和新型机械传动性能测试三类实验。在本科生主要进行第二类实验,即组合传动系统布置优化设计。学生根据实验任务自主设计实验方案和写出实验方案书,搭接传动系统进行测试,分析传动系统设计方案,写出实验报告。实验方案书内容包括已知条件、实验目的、机械传动系统运动参数和组成方案设计、机械传动系统性能测试原理、实验步骤和注意事项。在实验中观察测试系统运行情况,采集传动性能数据,测绘实验系统。实验报告内容包括测试系统平面布置图、实验曲线和分析结果等。四、实验安排本实验指导书将在网络上发布,学生在实验前仔细阅读和研究实验指导书和相关的文件。在机械传动内容讲授完毕后,授课老师安排学生试验任务。实验分成小组进行,每组3~4人,同时可有两组进入实验室。每组同学要通过阅读实验指导书了解实验设备、使用与操作、测试软件和传动设计已知条件,参考附录2的实验方案书写好方案书,方案书经实验指导老师认可后,学生方可进行实验,实验系统搭接完后经实验指导老师检查通过后方...

1、当您付费下载文档后,您只拥有了使用权限,并不意味着购买了版权,文档只能用于自身使用,不得用于其他商业用途(如 [转卖]进行直接盈利或[编辑后售卖]进行间接盈利)。
2、本站所有内容均由合作方或网友上传,本站不对文档的完整性、权威性及其观点立场正确性做任何保证或承诺!文档内容仅供研究参考,付费前请自行鉴别。
3、如文档内容存在违规,或者侵犯商业秘密、侵犯著作权等,请点击“违规举报”。

碎片内容

机械传动性能测试和系统方案设计

文库响当当+ 关注
实名认证
内容提供者

该用户很懒,什么也没介绍

确认删除?
VIP
微信客服
  • 扫码咨询
会员Q群
  • 会员专属群点击这里加入QQ群
客服邮箱
回到顶部