电脑桌面
添加小米粒文库到电脑桌面
安装后可以在桌面快捷访问

机电超节能工程检验批VIP免费

机电超节能工程检验批_第1页
1/29
机电超节能工程检验批_第2页
2/29
机电超节能工程检验批_第3页
3/29
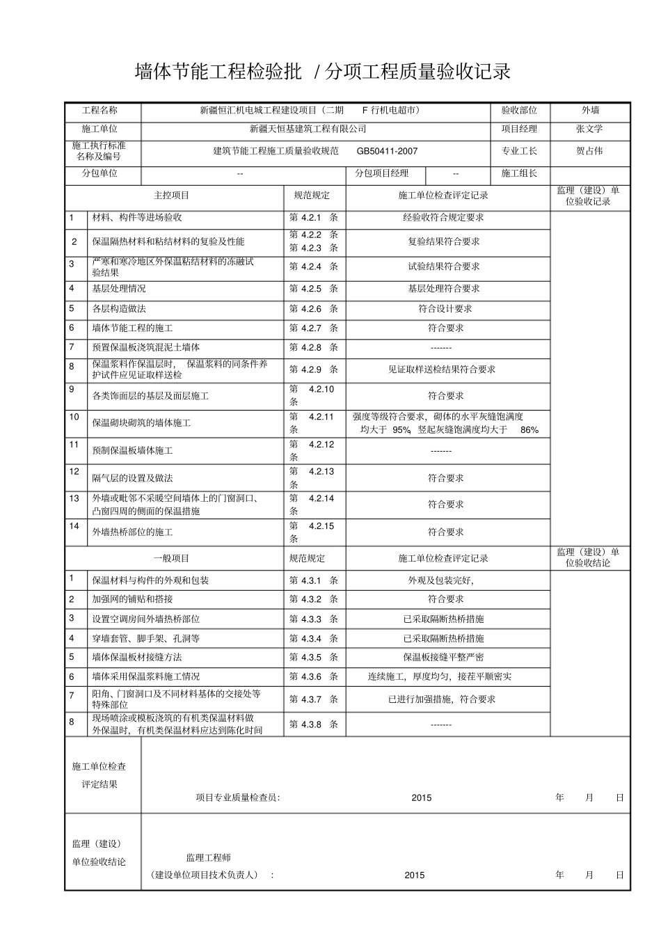
墙体节能分项工程质量验收记录工程名称新疆恒汇机电城工程建设项目(二期F型机电超市)检验批数量1设计单位新疆建学建筑与工程设计所有限公司监理单位新疆昊业工程监理有限责任公司施工单位新疆天恒基建筑工程有限公司项目经理张文学项目技术负责人周纪明分包单位--分包单位负责人--分包技术负责人--序号检验批部位区段、系统施工单位检查评定结果监理(建设)单位验收结论1外墙符合设计及规范要求√23456789101112131415施工单位检测结论:项目专业质量(技术)负责人:2015年月日验收结论:监理工程师:(建设单位项目专业技术负责人)2015年月日表B.0.7工程检验批报审、报验表工程名称:新疆恒汇机电城工程建设项目(二期F型机电超市)编号:JN2015致:新疆昊业工程监理有限责任公司(项目监理机构)我方已完成外墙节能施工工作,经自检合格,现将相关资料报上,请予以审查或验收。附件:□隐蔽工程质量检验资料□检验批质量检验资料□分项工程质量检验资料□施工试验室证明资料□其他施工项目部(盖章)项目经理或项目技术负责人(签字)2015年月日审查或验收意见:项目监理机构(盖章)专业监理工程师(签字)2015年月日注:本表一式二份,项目监理机构、施工单位各一份墙体节能工程检验批/分项工程质量验收记录工程名称新疆恒汇机电城工程建设项目(二期F行机电超市)验收部位外墙施工单位新疆天恒基建筑工程有限公司项目经理张文学施工执行标准名称及编号建筑节能工程施工质量验收规范GB50411-2007专业工长贺占伟分包单位--分包项目经理--施工组长主控项目规范规定施工单位检查评定记录监理(建设)单位验收记录1材料、构件等进场验收第4.2.1条经验收符合规定要求2保温隔热材料和粘结材料的复验及性能第4.2.2条第4.2.3条复验结果符合要求3严寒和寒冷地区外保温粘结材料的冻融试验结果第4.2.4条试验结果符合要求4基层处理情况第4.2.5条基层处理符合要求5各层构造做法第4.2.6条符合设计要求6墙体节能工程的施工第4.2.7条符合要求7预置保温板浇筑混泥土墙体第4.2.8条-------8保温浆料作保温层时,保温浆料的同条件养护试件应见证取样送检第4.2.9条见证取样送检结果符合要求9各类饰面层的基层及面层施工第4.2.10条符合要求10保温砌块砌筑的墙体施工第4.2.11条强度等级符合要求,砌体的水平灰缝饱满度均大于95%,竖起灰缝饱满度均大于86%11预制保温板墙体施工第4.2.12条-------12隔气层的设置及做法第4.2.13条符合要求13外墙或毗邻不采暖空间墙体上的门窗洞口、凸窗四周的侧面的保温措施第4.2.14条符合要求14外墙热桥部位的施工第4.2.15条符合要求一般项目规范规定施工单位检查评定记录监理(建设)单位验收结论1保温材料与构件的外观和包装第4.3.1条外观及包装完好,2加强网的铺贴和搭接第4.3.2条符合要求3设置空调房间外墙热桥部位第4.3.3条已采取隔断热桥措施4穿墙套管、脚手架、孔洞等第4.3.4条已采取隔断热桥措施5墙体保温板材接缝方法第4.3.5条保温板接缝平整严密6墙体采用保温浆料施工情况第4.3.6条连续施工,厚度均匀,接茬平顺密实7阳角、门窗洞口及不同材料基体的交接处等特殊部位第4.3.7条已进行加强措施,符合要求8现场喷涂或模板浇筑的有机类保温材料做外保温时,有机类保温材料应达到陈化时间第4.3.8条-------施工单位检查评定结果项目专业质量检查员:2015年月日监理(建设)单位验收结论监理工程师(建设单位项目技术负责人):2015年月日屋面节能分项工程质量验收记录工程名称新疆恒汇机电城工程建设项目(二期F型机电超市)检验批数量1设计单位建学建筑与工程设计所有限公司监理单位新疆昊业工程监理有限责任公司施工单位新疆天恒基建筑工程有限公司项目经理张文学项目技术负责人周纪明分包单位--分包单位负责人--分包技术负责人--序号检验批部位区段、系统施工单位检查评定结果监理(建设)单位验收结论1屋面符合设计及规范要求√23456789101112131415施工单位检测结论:项目专业质量(技术)负责人:2015年月日验收结论:监理工程师:(建设单位项目专业技术负责人)2015年月日表B.0.7工程检验批报审、报验表工程名称:新疆恒汇机电城工程建设项目(二期F型...

1、当您付费下载文档后,您只拥有了使用权限,并不意味着购买了版权,文档只能用于自身使用,不得用于其他商业用途(如 [转卖]进行直接盈利或[编辑后售卖]进行间接盈利)。
2、本站所有内容均由合作方或网友上传,本站不对文档的完整性、权威性及其观点立场正确性做任何保证或承诺!文档内容仅供研究参考,付费前请自行鉴别。
3、如文档内容存在违规,或者侵犯商业秘密、侵犯著作权等,请点击“违规举报”。

碎片内容

机电超节能工程检验批

您可能关注的文档

确认删除?
VIP
微信客服
  • 扫码咨询
会员Q群
  • 会员专属群点击这里加入QQ群
客服邮箱
回到顶部