电脑桌面
添加小米粒文库到电脑桌面
安装后可以在桌面快捷访问

模板支架坍塌的原因与控制措施VIP免费

模板支架坍塌的原因与控制措施_第1页
1/11
模板支架坍塌的原因与控制措施_第2页
2/11
模板支架坍塌的原因与控制措施_第3页
3/11
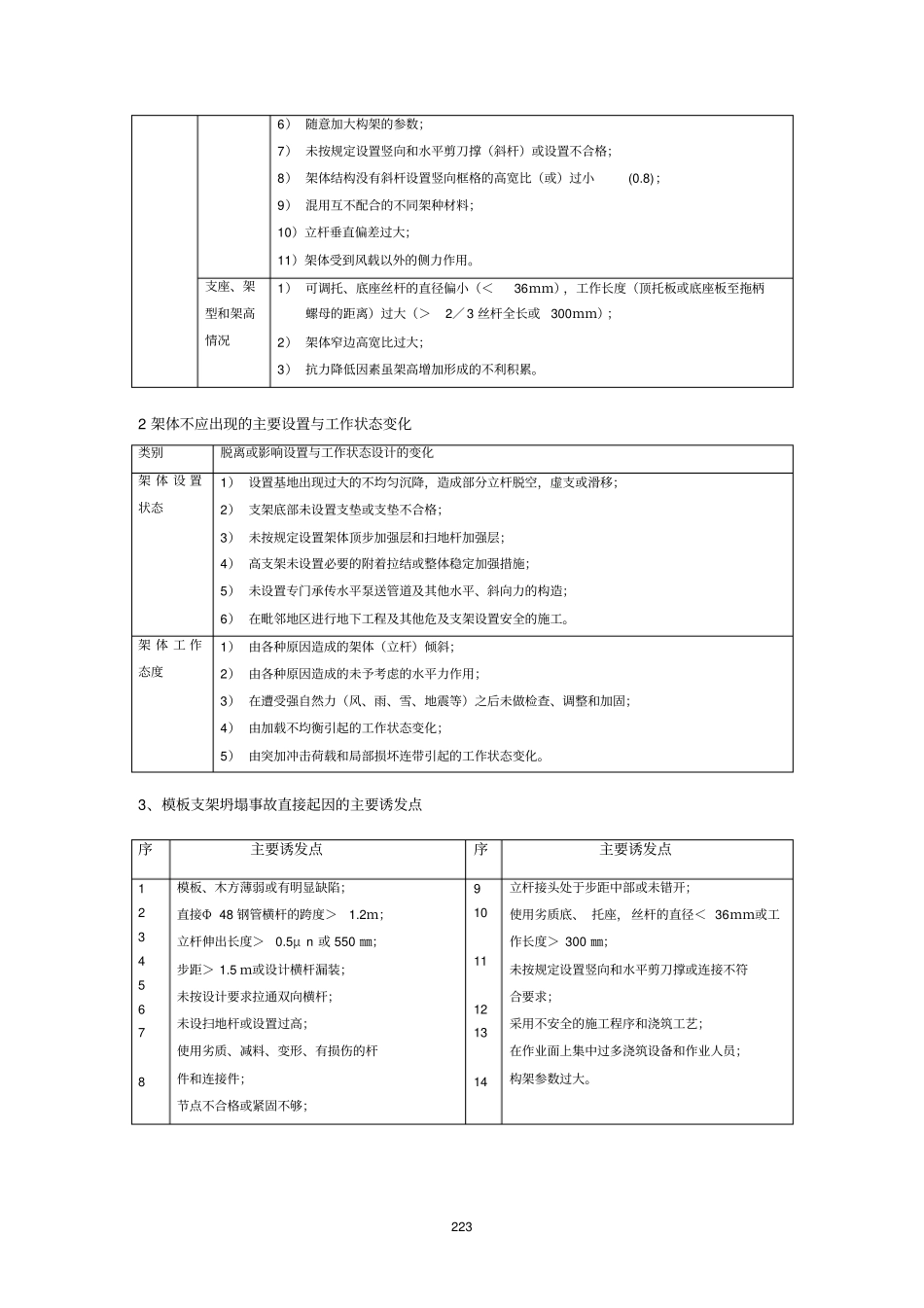
222模板支架坍塌的原因与控制措施杨三创随着近年来全国各地的建筑业发展速度越来越快,各种施工安全事故也层出不穷。其中,脚手架、模板支撑架倒塌事故占了不小的一部分。总的来讲,造成脚手架、模板支撑架倒塌事故的主要原因都是由于管理不善,模板与脚手架没有经过设计、计算、支撑系统强度不足,稳定性差而造成的。一模板支架坍塌的原因脚手架结构模板支架坍塌之所以会发生,不外出现以下两种情况,或者二者兼而有之:一是架体或其杆件、节点实际受到的荷载作用超过了其实际具有的承载能力,特别是稳定承载能力;二是架体由于受到了不应有的荷载作用(侧力、扯拉、扭转、冲砸等),或者架体发生了不应有的设置与工作状态变化(倾斜、滑移和不均衡沉降等),导致发生非原设计受力状态的破坏。1引起模板支架实际荷载增加和实际抗力降低的主要因素变化方面类别造成实际值高于或低于设计值的主要因素支架荷载及其作用的增加实际荷载1)劲性配筋和高配筋率结构件未调增自重标准值;2)出现了未予计算、但数值较大的施工设备、堆料等荷载;3)在作业面上集中了过多的人员和浇筑、振捣设备;4)在架面上进行支顶或校正等其他荷载加大因素。实际形成的荷载作用1)未按最不利受载部位(如梁交汇处、设安装用具处等)计算;2)立杆的实际间距或负载面积大于设计值;3)架体相邻顶部支点不同步承载或受载后沉降变形不一致,使高位和沉降变形小的立杆承受较大或过大的负载作用;4)支架立杆未按与集中载荷作用点对中或与集中线荷载轴线对称要求设置,造成较大的偏心作用;5)巨大集中点荷载承传分布构造对其下墩式支架立杆的不均布作用;6)混凝土浇筑或屋盖结构安装工艺不能达到稳定、逐层(步)和均匀加载的要求,或者临时做违反这一要求的改变。支架实际承载力的降低材料和构架情况1)使用劣质、减料、变形磨损的杆件和连接件;2)构架节点和杆件连接不合格;3)顶横杆以上立杆的伸出长度过大,扫地杆设置过高;4)漏设横杆;5)梁下与板下支架或混合支架(满堂与墩式或排式支架的组合)各部位架体的立杆间距和步距不配合,横杆不能按设计要求拉(连)通,使构架的整体刚度降低;2236)随意加大构架的参数;7)未按规定设置竖向和水平剪刀撑(斜杆)或设置不合格;8)架体结构没有斜杆设置竖向框格的高宽比(或)过小(0.8);9)混用互不配合的不同架种材料;10)立杆垂直偏差过大;11)架体受到风载以外的侧力作用。支座、架型和架高情况1)可调托、底座丝杆的直径偏小(<36mm),工作长度(顶托板或底座板至拖柄螺母的距离)过大(>2/3丝杆全长或300mm);2)架体窄边高宽比过大;3)抗力降低因素虽架高增加形成的不利积累。2架体不应出现的主要设置与工作状态变化类别脱离或影响设置与工作状态设计的变化架体设置状态1)设置基地出现过大的不均匀沉降,造成部分立杆脱空,虚支或滑移;2)支架底部未设置支垫或支垫不合格;3)未按规定设置架体顶步加强层和扫地杆加强层;4)高支架未设置必要的附着拉结或整体稳定加强措施;5)未设置专门承传水平泵送管道及其他水平、斜向力的构造;6)在毗邻地区进行地下工程及其他危及支架设置安全的施工。架体工作态度1)由各种原因造成的架体(立杆)倾斜;2)由各种原因造成的未予考虑的水平力作用;3)在遭受强自然力(风、雨、雪、地震等)之后未做检查、调整和加固;4)由加载不均衡引起的工作状态变化;5)由突加冲击荷载和局部损坏连带引起的工作状态变化。3、模板支架坍塌事故直接起因的主要诱发点序主要诱发点序主要诱发点12345678模板、木方薄弱或有明显缺陷;直接Φ48钢管横杆的跨度>1.2m;立杆伸出长度>0.5μn或550㎜;步距>1.5m或设计横杆漏装;未按设计要求拉通双向横杆;未设扫地杆或设置过高;使用劣质、减料、变形、有损伤的杆件和连接件;节点不合格或紧固不够;91011121314立杆接头处于步距中部或未错开;使用劣质底、托座,丝杆的直径<36mm或工作长度>300㎜;未按规定设置竖向和水平剪刀撑或连接不符合要求;采用不安全的施工程序和浇筑工艺;在作业面上集中过多浇筑设备和作业人员;构架参数过大。2244、模板...

1、当您付费下载文档后,您只拥有了使用权限,并不意味着购买了版权,文档只能用于自身使用,不得用于其他商业用途(如 [转卖]进行直接盈利或[编辑后售卖]进行间接盈利)。
2、本站所有内容均由合作方或网友上传,本站不对文档的完整性、权威性及其观点立场正确性做任何保证或承诺!文档内容仅供研究参考,付费前请自行鉴别。
3、如文档内容存在违规,或者侵犯商业秘密、侵犯著作权等,请点击“违规举报”。

碎片内容

模板支架坍塌的原因与控制措施

您可能关注的文档

文库当当响+ 关注
实名认证
内容提供者

该用户很懒,什么也没介绍

确认删除?
VIP
微信客服
  • 扫码咨询
会员Q群
  • 会员专属群点击这里加入QQ群
客服邮箱
回到顶部