电脑桌面
添加小米粒文库到电脑桌面
安装后可以在桌面快捷访问

水电站同业对标数据报送表概要VIP免费

水电站同业对标数据报送表概要_第1页
1/7
水电站同业对标数据报送表概要_第2页
2/7
水电站同业对标数据报送表概要_第3页
3/7
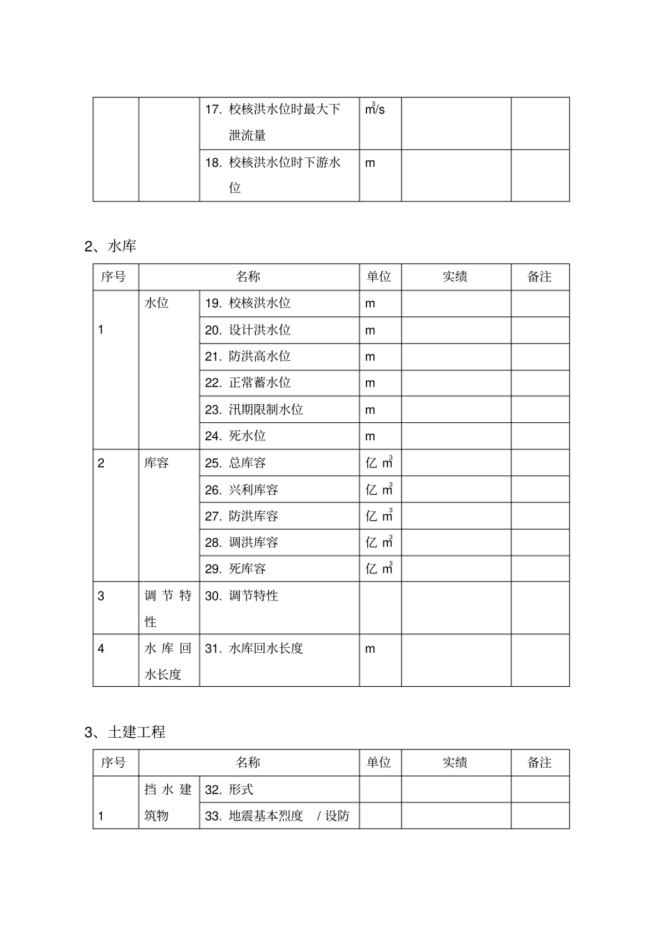
水电站同业对标数据报送表一、基本信息1、水文水情序号名称单位实绩备注1流域1.所在流域2.全流域面积km23.工程坝址以上流域面积km24.坝址多年平均年径流量亿m32代表性流量5.多年平均流量m3/s6.实测最大流量m3/s7.实测最小流量m3/s3洪量8.实测3天最大洪量万m39.设计3天洪水洪量万m310.校核3天洪水洪量万m34泥沙11.多年平均悬移质年输沙量亿t12.多年平均含沙量t/m313.实测最大含沙量t/m314.多年平均推移质年输沙量万t5下泄流量及相应下游水位15.设计洪水位时最大下泄流量m3/s16.设计洪水位时下游水位m17.校核洪水位时最大下泄流量m3/s18.校核洪水位时下游水位m2、水库序号名称单位实绩备注1水位19.校核洪水位m20.设计洪水位m21.防洪高水位m22.正常蓄水位m23.汛期限制水位m24.死水位m2库容25.总库容亿m326.兴利库容亿m327.防洪库容亿m328.调洪库容亿m329.死库容亿m33调节特性30.调节特性4水库回水长度31.水库回水长度m3、土建工程序号名称单位实绩备注1挡水建筑物32.形式33.地震基本烈度/设防烈度34.坝顶高程m35.最大坝高m36.坝顶长度m37.宽度m2泄水建筑物38.形式39.泄洪能力m3/s3引水建筑物40.形式41.最大过水能力m3/s4调压井(前池)42.结构形式5厂房43.形式6水头44.最大水头m45.最小水头m46.额定水头m47.平均水头m7进水口48.形式49.进口尺寸m250.底部高程m51.工作闸门形式52.启闭机形式8压力管道53.型式54.内径55.条数56.最大流速m/s9大坝状态57.大坝安全等级58.注册等级4、机电设备序号名称单位实绩备注1水轮机59.型号60.转轮直径mm61.制造厂62.台数63.单机容量MW64.额定转速r/min65.设计工作水头m66.设计单机引用流量m3/s67.转轮重量t2发电机68.型号69.结构型式70.冷却方式71.制造厂72.台数73.单机额定容量MW74.最大出力MW75.额定转速r/min76.设定效率%77.推力结构型式78.定子重量t79.转子重量t3主变压器80.型号81.制造厂82.容量MVA83.台数84.额定电压kV85.接线方式86.线圈数87.冷却方式4投产日期88.第一台投产日期89.全部投产日期二、生产管理指标1、发电设备可靠性序号名称实绩备注1.全年连续安全生产天数2.平均无故障可用小时3.非计划停运次数4.等效可用系数5.等效强迫停运率6.运行系数7.启动成功率8.设备利用小时2、自动化控制水平序号名称实绩(%)备注9.自动化设备投入率10.AGC投入率11.全厂监控系统投入率12.自动化设备正确运作率13.机组操作系统正确运作率14.调速器设备正确运作率15.励磁系统正确运作率16.继电保护正确动作率3、水情预报4、节能调度序号名称实绩备注21.可用水量利用率22.发电耗水率23.年末库水位系数24.单位电量库容损失25.弃水损失电量26.丰枯电量比三、经济管理指标序号名称单位实绩备注1.发电量亿kWh2.综合厂用电率%3.单位维修费元/MWh4.单位材料费元/MWh序号名称实绩备注17.水情自动测报系统畅通率18.最大洪量预报平均准确率19.洪水总量预报平均准确率20.峰现时间预报平均准确率5.单位人工成本元/MWh6.发电单位成本元/MWh7.全员劳动生产率万元/人四、填报人信息填表人姓名固定电话职务或职称手机电子邮箱传真负责人姓名职务或职称年月日

1、当您付费下载文档后,您只拥有了使用权限,并不意味着购买了版权,文档只能用于自身使用,不得用于其他商业用途(如 [转卖]进行直接盈利或[编辑后售卖]进行间接盈利)。
2、本站所有内容均由合作方或网友上传,本站不对文档的完整性、权威性及其观点立场正确性做任何保证或承诺!文档内容仅供研究参考,付费前请自行鉴别。
3、如文档内容存在违规,或者侵犯商业秘密、侵犯著作权等,请点击“违规举报”。

碎片内容

水电站同业对标数据报送表概要

文库响当当+ 关注
实名认证
内容提供者

该用户很懒,什么也没介绍

确认删除?
VIP
微信客服
  • 扫码咨询
会员Q群
  • 会员专属群点击这里加入QQ群
客服邮箱
回到顶部