电脑桌面
添加小米粒文库到电脑桌面
安装后可以在桌面快捷访问

水闸课程设计VIP免费

水闸课程设计_第1页
1/32
水闸课程设计_第2页
2/32
水闸课程设计_第3页
3/32
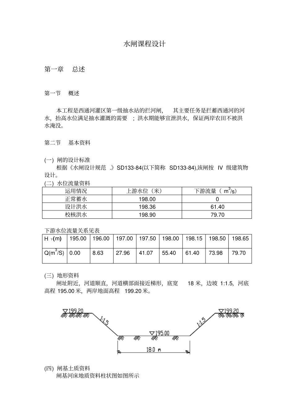
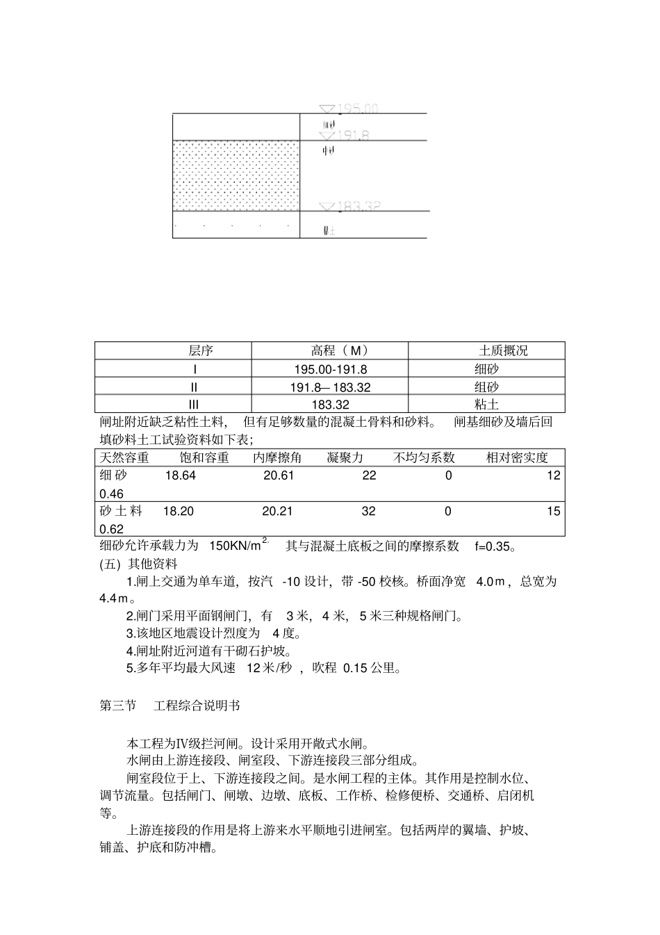
水闸课程设计第一章总述第一节概述本工程是西通河灌区第一级抽水站的拦河闸,其主要任务是拦蓄西通河的河水,抬高水位满足抽水灌溉的需要;洪水期能够宣泄洪水,保证两岸农田不被洪水淹没。第二节基本资料(一)闸的设计标准根据《水闸设计规范.》SD133-84(以下简称SD133-84),该闸按IV级建筑物设计。(二)水位流量资料运用情况上游水位(米)下游流量(m3/s)正常蓄水198.000设计洪水198.3661.40校核洪水198.9079.70下游水位流量关系见表H下(m)195.00196.00197.00197.50198.00198.15198.50198.65Q(m3/S)0.008.6327.9641.0755.4061.4073.9879.70(三)地形资料闸址附近,河道顺直,河道横部面接近梯形,底宽18米,边坡1:1.5,河底高程195.00米,两岸地面高程199.20米。(四)闸基土质资料闸基河床地质资料柱状图如图所示层序高程(M)土质摡况I195.00-191.8细砂II191.8—183.32组砂III183.32粘土闸址附近缺乏粘性土料,但有足够数量的混凝土骨料和砂料。闸基细砂及墙后回填砂料土工试验资料如下表;天然容重饱和容重内摩擦角凝聚力不均匀系数相对密实度细砂18.6420.61220120.46砂土料18.2020.21320150.62细砂允许承载力为150KN/m2,其与混凝土底板之间的摩擦系数f=0.35。(五)其他资料1.闸上交通为单车道,按汽-10设计,带-50校核。桥面净宽4.0m,总宽为4.4m。2.闸门采用平面钢闸门,有3米,4米,5米三种规格闸门。3.该地区地震设计烈度为4度。4.闸址附近河道有干砌石护坡。5.多年平均最大风速12米/秒,吹程0.15公里。第三节工程综合说明书本工程为Ⅳ级拦河闸。设计采用开敞式水闸。水闸由上游连接段、闸室段、下游连接段三部分组成。闸室段位于上、下游连接段之间。是水闸工程的主体。其作用是控制水位、调节流量。包括闸门、闸墩、边墩、底板、工作桥、检修便桥、交通桥、启闭机等。上游连接段的作用是将上游来水平顺地引进闸室。包括两岸的翼墙、护坡、铺盖、护底和防冲槽。下游连接段的作用是引导过闸水流均匀扩散。通过消能防冲设施。以保证闸后水流不发生有害的冲刷。包括消力池、海漫、防冲槽以及两岸的翼墙和护坡。第二章水力计算第一节闸室的结构型式及孔口尺寸确定﹙一﹚闸孔型式的选择该闸建在天然河道上,河道横部面接近梯形,因此采用开敞式闸室结构。该闸建在天然河道上,为了满足泄洪、冲沙、排污的要求,宜采用结构简单,施工方便,自由出流范围较大的无坎宽顶堰,考虑到闸基持力层是粘细砂,土质一般,承载能力不好,并参考该地区已建工程的经验,根据一般情况下,拦河闸的底板顶面可与河底齐平。即闸底板顶面(即堰顶)与西通河河底齐平,所以高程为195.00m。(二)闸孔尺寸的确定初拟孔口尺寸,该闸的尺寸必须满足拦洪灌溉以及泄洪的要求。1.计算闸孔总净宽0B(1)在设计情况下:①、上游水H=198.36-195=3.36m②、下游水深sh=198.15-195.00=3.15m③、下泄流量Q=61.403/ms则上游行近流速:V0=Q/A根据和断面尺寸:A=﹙b+mH﹚H=﹙18+1.5×3.36﹚×3.36=77.4m2其中b为河道宽:b=18mm为边坡比:m=1:1.5V0=Q/A=61.40/77.41=0.793m/sH0=H﹢αv2/2(取α=1.0﹚=3.36﹢0.7932/﹙2×9.81﹚=3.39m则0shH=3.15/3.39=0.929>0.8故属于淹没出流。(2)校核情况:①、上游水H=198.9-195=3.9m②、下游水深sh=198.65-195=3.65m③、下泄流量Q=79.703/ms则上游行近流速:V0=Q/A根据和断面尺寸:A=﹙b+mH﹚H=﹙18+1.5×3.9﹚×3.9=93.02m2其中b为河道宽:b=18mm为边坡比:m=1:1.5V0=Q/A=79.7/93.02=0.86m/sH0=H﹢αv2/2g﹙取α=1.0﹚=3.9﹢0.862/﹙2×9.81﹚=3.94m则0shH=3.65/3.94=0.93>0.8,故属于淹没出流。(3)确定闸孔宽度由以上结果可得,则按水流成堰流时并且为淹没出流,计算根据《水工建筑物》,由宽顶堰淹没出流公式:0根据0shH,查SL-265-2001,附录A.01,查得淹没系数=0.74,对无坎宽顶堰:m=0.385假设侧收缩系数=0.90gv220HH1sh在设计情况下:由公式0所以,在设计情况下=8.66m在校核情况下:=9.0m整理上述计算如下表计算情况上游水深H下游水深sh流量Q行进流速行进水头0H淹没系数б流量系数m侧收缩系数ε0B设计情况下3.363.1561.400.7933.390.740.3850.908.66校核情况下3.903.6579....

1、当您付费下载文档后,您只拥有了使用权限,并不意味着购买了版权,文档只能用于自身使用,不得用于其他商业用途(如 [转卖]进行直接盈利或[编辑后售卖]进行间接盈利)。
2、本站所有内容均由合作方或网友上传,本站不对文档的完整性、权威性及其观点立场正确性做任何保证或承诺!文档内容仅供研究参考,付费前请自行鉴别。
3、如文档内容存在违规,或者侵犯商业秘密、侵犯著作权等,请点击“违规举报”。

碎片内容

水闸课程设计

您可能关注的文档

确认删除?
VIP
微信客服
  • 扫码咨询
会员Q群
  • 会员专属群点击这里加入QQ群
客服邮箱
回到顶部