电脑桌面
添加小米粒文库到电脑桌面
安装后可以在桌面快捷访问

物料编码规则所有物料VIP免费

物料编码规则所有物料_第1页
1/37
物料编码规则所有物料_第2页
2/37
物料编码规则所有物料_第3页
3/37
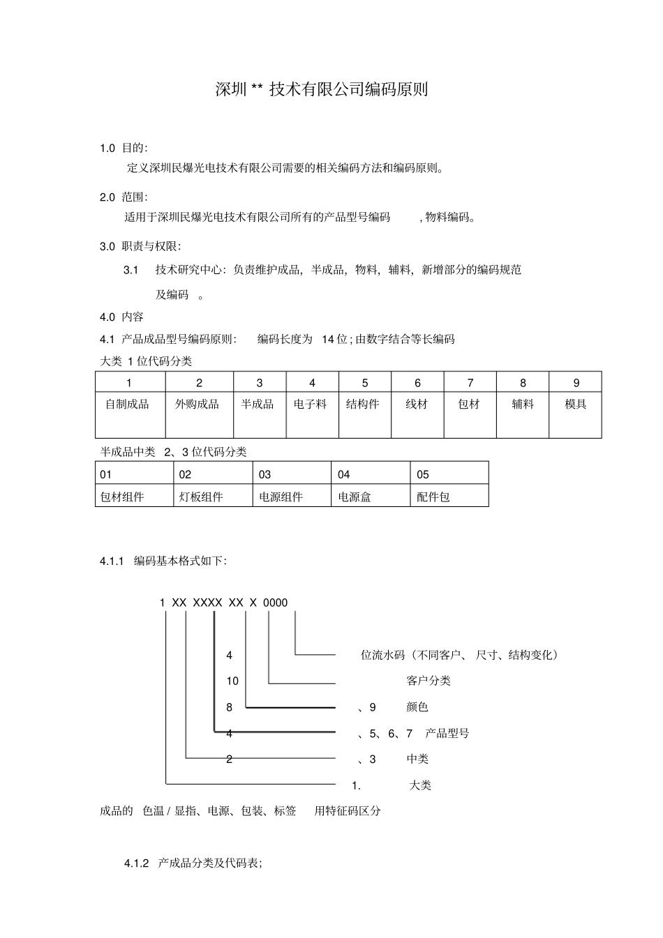
深圳**技术有限公司编码原则1.0目的:定义深圳民爆光电技术有限公司需要的相关编码方法和编码原则。2.0范围:适用于深圳民爆光电技术有限公司所有的产品型号编码,物料编码。3.0职责与权限:3.1技术研究中心:负责维护成品,半成品,物料,辅料,新增部分的编码规范及编码。4.0内容4.1产品成品型号编码原则:编码长度为14位;由数字结合等长编码大类1位代码分类123456789自制成品外购成品半成品电子料结构件线材包材辅料模具半成品中类2、3位代码分类0102030405包材组件灯板组件电源组件电源盒配件包4.1.1编码基本格式如下:1XXXXXXXXX00004位流水码(不同客户、尺寸、结构变化)10客户分类8、9颜色4、5、6、7产品型号2、3中类1.大类成品的色温/显指、电源、包装、标签用特征码区分4.1.2产成品分类及代码表;大类第1位中类第2、3位产品型号第4、5、6、7位颜色第8、9位客户分类10名称代号名称代号名称代号名称代号名称代号自制成品外购成品12筒灯天花灯吸顶灯面板灯轨道灯支架灯格栅灯射灯射灯模组吊灯坎灯灯管三防灯泛光灯工矿灯路灯隧道灯镜前灯墙角灯插地灯硬灯条厨柜灯灯泡面板灯吸顶框筒灯安装架样品其它010203040506070809101112131415161718192021222324259899DL-00CL-00AL-00PL-AZTL-00DB-00GL-AZSP-00V-00PD-00RD-00T-AZTRP-00FL-00HB-00SL-00UL-00ML-00WL-00NL-00LB-00KL-00BL-00Pl-00DL-00其它00000000000000000000000000000000000000000000000000000000000000000000000000000000000000000000000000009999白色黑色银色绿色蓝色橙色红色灰铝色氧化银色氧化雾银氧化黑色氧化喷吵电泳黑色电泳白色电镀镍电镀扫镍电镀铬电镀白锌电镀蓝锌电镀黑锌其它010203040506070811121314151621222324252699常规客户其它1295.1半成品包材编码基本格式如下:1XXXXXXXXXX0003位流水码(不同客户、设计方案、尺寸)11客户分类10类型6、7、8、9产品型号4、5成品中类2、3中类2.大类5.1.1产成品分类及代码表:大类第1位中类第2、3位成品中类4、5位产品型号6、7、8、9类型10位客户分类11位名称代号名称代号名称代号名称代码名称代码名称代码半成品3包材组件01筒灯天花灯吸顶灯面板灯轨道灯支架灯格栅灯射灯射灯模组吊灯坎灯灯管三防灯泛光灯工矿灯路灯隧道灯镜前灯墙角灯插地灯硬灯条010203040506070809101112131415161718192021DL-00CL-00AL-00PL-AZTL-00DB-00GL-AZSP-00V-00PD-00RD-00T-AZTRP-00FL-00HB-00SL-00UL-00ML-00WL-00NL-00LB-00000000000000000000000000000000000000000000000000000000000000000000000000000000000000彩盒白盒其它129常规客户其它129厨柜灯灯泡面板灯吸顶框筒灯安装架样品其它222324259899KL-00BL-00Pl-00DL-00其它000000000000000099995.1.2半成品灯板组件编码基本格式如下:1XXXXXXXXXX0003位流水码(尺寸、品牌、封装、串并)11显色指数10色温6、7、8、9产品型号4、5成品中类2、3中类3.大类5.1.3产成品分类及代码表大类第1位中类第2、3位成品中类4、5位产品型号6、7、8、9色温10显色指数11名称代号名称代号名称代号名称代号名称代号名称代号半成品3灯板组件02筒灯天花灯吸顶灯面板灯轨道灯支架灯格栅灯射灯射灯模组吊灯坎灯灯管三防灯01020304050607080910111213DL-00CL-00AL-00PL-AZTL-00DB-00GL-AZSP-00V-00PD-00RD-00T-AZTRP-00000000000000000000000000000000000000000000000000000027003000350040004500500057006500其它132485679Ra70Ra80Ra90Ra977891泛光灯工矿灯路灯隧道灯镜前灯墙角灯插地灯硬灯条厨柜灯灯泡面板灯吸顶框筒灯安装架141516171819202122232425FL-00HB-00SL-00UL-00ML-00WL-00NL-00LB-00KL-00BL-00Pl-00DL-000000000000000000000000000000000000000000000000005.1.4半成品电源编码基本格式如下:1XXXXXXXXXX0003位流水码(尺寸、型号、品牌)8、9、10、11功率7电压5、6产品功能4产品类型2、3中类4.大类5.1.5产成品分类及代码表大类第1位中类第2、3位产品类型4产品功能5、6电压第7位功率8、9、10、11名称代号名称代号名称代号名称代号名称代码名称代码半成品3电源组件03隔离非隔离样品其它1289不调光可控硅调光拔码调色可控硅调光拔码调色可控...

1、当您付费下载文档后,您只拥有了使用权限,并不意味着购买了版权,文档只能用于自身使用,不得用于其他商业用途(如 [转卖]进行直接盈利或[编辑后售卖]进行间接盈利)。
2、本站所有内容均由合作方或网友上传,本站不对文档的完整性、权威性及其观点立场正确性做任何保证或承诺!文档内容仅供研究参考,付费前请自行鉴别。
3、如文档内容存在违规,或者侵犯商业秘密、侵犯著作权等,请点击“违规举报”。

碎片内容

物料编码规则所有物料

文库响当当+ 关注
实名认证
内容提供者

该用户很懒,什么也没介绍

确认删除?
VIP
微信客服
  • 扫码咨询
会员Q群
  • 会员专属群点击这里加入QQ群
客服邮箱
回到顶部