电脑桌面
添加小米粒文库到电脑桌面
安装后可以在桌面快捷访问

环境试验报告表模板VIP免费

环境试验报告表模板_第1页
1/7
环境试验报告表模板_第2页
2/7
环境试验报告表模板_第3页
3/7
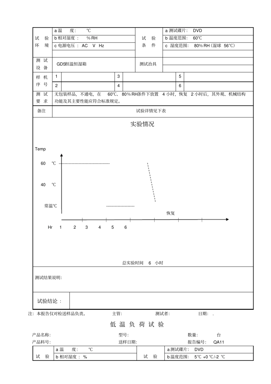
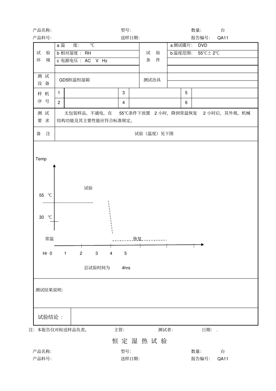
环境试验报告高温负荷试验产品名称:型号:数量:台产品料号:送样日期:报告编号:QA110400试验环境a温度:℃试验条件a测试碟片:DVDb相对湿度:%RHb温度范围:40℃±2℃c电源电压:ACV50Hzc湿度范围:60%RH(湿球34℃)ACV60Hzd将待测品设定自动循环播放模式测试设备GDS恒温恒湿箱测试治具样机序号135246测试要求整机在40℃条件下,无包装接通电源持续工作8小时。整机各项功能均应正常备注试验详情见下表监控状况表序号时间段NG机编号试验情况备注10h-1h21h--2h32h--3h43h--4h54h--5h65h--6h76h-7h87h-8h测试结果说明:本次试验时间为8小时,上午开始结束试验结论:注:本报告仅对检送样品负责。主管:测试者:日期:.高温储存试验产品名称:型号:数量:台产品料号:送样日期:报告编号:QA11试验环境a温度:℃试验条件a测试碟片:DVDb相对湿度:RHb温度范围:55℃±2℃c电源电压:ACVHz测试设备GDS恒温恒湿箱测试治具样机序号135246测试要求无包装样品,不通电,在55℃条件下放置2小时,降到常温恢复2小时后,其外观、机械结构功能及其主要性能应符合标准规定。备注试验(温度)见下图Temp试验55℃-----------------------------------30℃常温恢复│││││Hr012345总试验时间为4hrs测试结果说明:试验结论:注:本报告仅对检送样品负责。主管:测试者:日期:.恒定湿热试验产品名称:型号:数量:台产品料号:送样日期:报告编号:QA11试验环境a温度:℃试验条件a测试碟片:DVDb相对湿度:%RHb温度范围:60℃c电源电压:ACVHzc湿度范围:80%RH(湿球56℃)测试设备GDS恒温恒湿箱测试治具样机序号135246测试要求无包装样品,不通电,在60℃、80%RH条件下放置4小时,恢复2小时后,其外观、机械结构功能及其主要性能应符合标准规定。备注试验详情见下表实验情况Temp60℃------------------------------------40℃常温℃--------------------恢复││││││Hr123456总实验时间6小时测试结果说明:试验结论:注:本报告仅对检送样品负责。主管:测试者:日期:.低温负荷试验产品名称:型号:数量:台产品料号:送样日期:报告编号:QA11试验a温度:℃试验a测试碟片:DVDb相对湿度:%b温度范围:5℃+0℃/-2℃环境c电源电压:ACVHz条件测试设备GDS恒温恒湿箱测试治具样机序号135246测试要求整机在5℃±0℃/-2℃℃条件下放置2小时后,在通电正常播放1小时,机器的各项功能均应正常备注试验(温度)见下图Temp常温5℃-------------------------------------------------││││││Hr012345储存通电播放总试验时间为3hrs测试结果说明:试验结论:注:本报告仅对检送样品负责。主管:测试者:日期:.低温储存试验产品名称:型号:数量:台产品料号:送样日期:报告编号:QA11试验环境a温度:℃试验条件a测试碟片:DVDb相对湿度:%b温度范围:-25℃±2℃c电源电压:ACVHz测试设备GDS恒温恒湿箱测试治具样机序号135246测试要求无包装样品,不通电,在-25℃±2℃条件下放置2小时,再升到常温恢复2小时后,其外观、机械结构功能及其主要性能应符合标准规定。备注试验(温度)见下图Temp常温0℃││││││-10℃1234567Hr恢复-25℃储存总试验时间为4hrs测试结果说明:试验结论:注:本报告仅对检送样品负责。主管:测试者:日期:2004.振动试验产品名称:型号:数量:台产品料号:送样日期:报告编号:QA11试验环境a.温度:℃试验条件a.振幅:0.75/0.15mm.b.振动频率:10-30-10Hz/30-55-30Hzb.相对湿度:%c.振动加速度:0.75Gd.振动轴方向:X’Y’Z三轴方向测试a.J-25A振动试验机e.X轴方向:各5次设备b.工作台面尺寸:400mmx400mm振动方式Y轴方向:各5次Z轴方向:各5次测试方向自动手动测品净重测品尺寸测品毛重彩盒尺寸振动包装固定方法样机序号1.2.3.4.5.6.测试要求无包装样机按规定试验,试验前后的各项功能均能正常工作。备注振动试验三轴方向如下图三轴方向说明:Y轴试验结果说明:X轴方向与Z轴方向无法试验,测试结论为Y轴方向的结果。试验结论:注:本报告仅对检送样品负责。主管:测试者:日期:.自由跌落试验产品名称:型号:数量:台产品料号:送样日期:报告编号:QA11试验环境a温度...

1、当您付费下载文档后,您只拥有了使用权限,并不意味着购买了版权,文档只能用于自身使用,不得用于其他商业用途(如 [转卖]进行直接盈利或[编辑后售卖]进行间接盈利)。
2、本站所有内容均由合作方或网友上传,本站不对文档的完整性、权威性及其观点立场正确性做任何保证或承诺!文档内容仅供研究参考,付费前请自行鉴别。
3、如文档内容存在违规,或者侵犯商业秘密、侵犯著作权等,请点击“违规举报”。

碎片内容

环境试验报告表模板

确认删除?
VIP
微信客服
  • 扫码咨询
会员Q群
  • 会员专属群点击这里加入QQ群
客服邮箱
回到顶部