电脑桌面
添加小米粒文库到电脑桌面
安装后可以在桌面快捷访问

电池电动势的测定及其应用试验报告VIP免费

电池电动势的测定及其应用试验报告_第1页
1/9
电池电动势的测定及其应用试验报告_第2页
2/9
电池电动势的测定及其应用试验报告_第3页
3/9
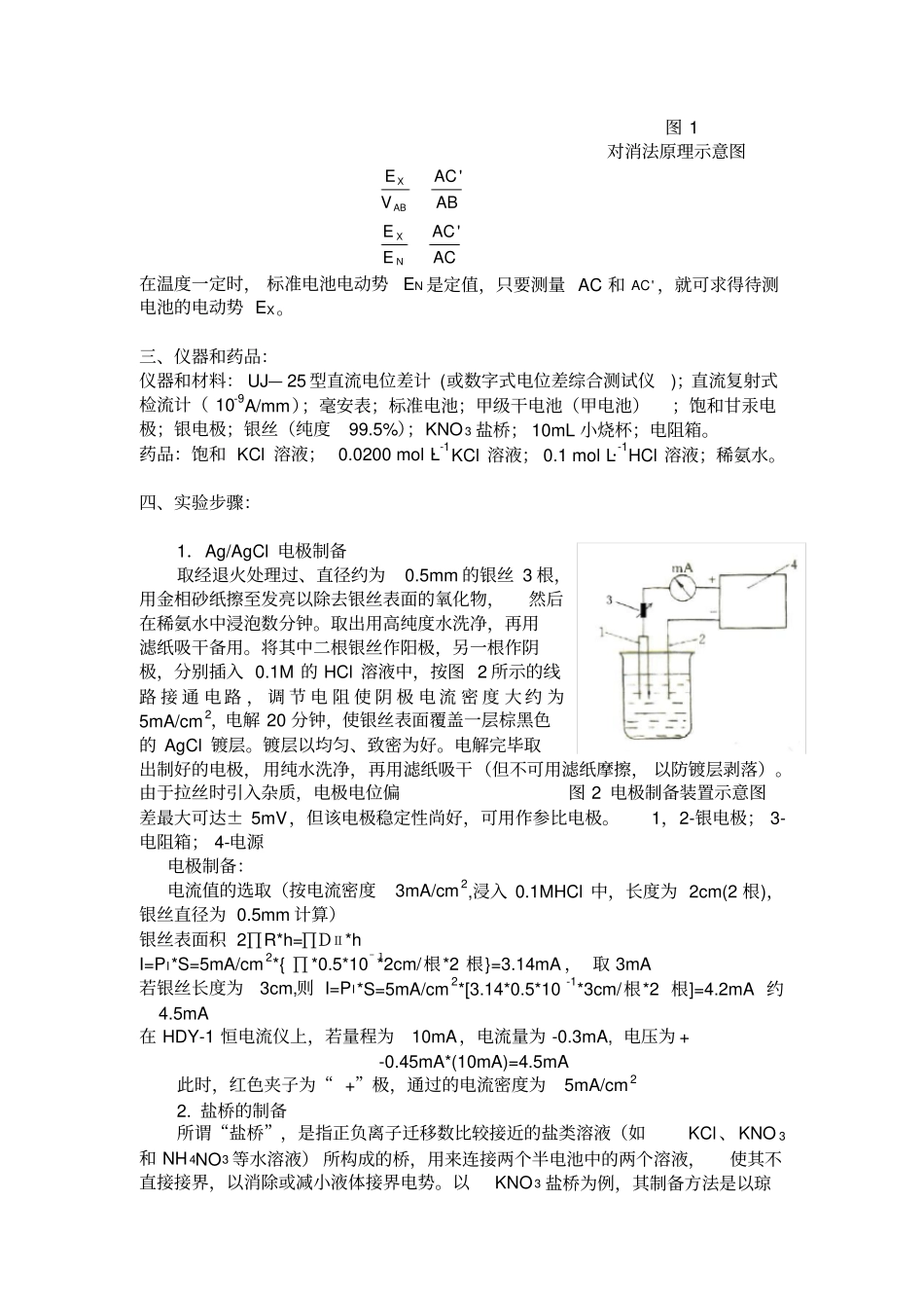
电池电动势的测定及其应用一、实验目的:1.了解对消法测定电池电动势的原理;2.掌握电动势测定难溶物溶度积(SPK)的方法;3.掌握常用参比电极银一氯化银电极的制备方法。二、实验原理:电池由两个半电池组成(半电池包括一个电极和相应的电解质溶液),当电池放电时,进行氧化反应的是负极,进行还原反应的是正极。电池的电动势就是通过电池的电流趋近于零时两极之间的电位差。它可表示成:EEE式中E、E分别表示正、负电极的电位。当温度、压力恒定时,电池的电动势E(或电极电位E、E)的大小取决于电极的性质和溶液中有关离子的活度。电极电位与有关离子活度之间的关系可以由Nernst方程表示:BBBazFRTEEln(16-1)式中:z为电池反应的转移电子数,B为参加电极反应的物质B的化学计量数,产物B为正,反应物B为负。本实验涉及的两个电池为:(1)(一)Ag(s),AgCl(s)│KCl(0.0200mol·L-1)││AgNO3(0.0100mol·L-1)│Ag(s)(+)(2)(一)Hg(l),Hg2Cl2(s)│KCl(饱和)││AgNO3(0.0100mol·L-1)│Ag(s)(+)在上述电池中用到的三个电极是:(1)银电极:电极反应:AgeLmolAg)01.0(1(16-2)AgaFRTAgAgEAgAgEln//其中:)25(00097.07991.0/tAgAgEV式中:t为摄氏温度(下同),(2)甘汞电极:电极反应:)(2)(22)(2ClaCllHgesHgCl(16-3)ClaFRTHgsClHgEHgsClHgEln/)(/)(2222对于饱和甘汞电极,温度一定时,Cla为定值,因此饱和甘汞电极电位与温度有关,其关系式为:)25(00065.02415.0/)(22tHgsClHgEV(3)银—氯化银电极电极反应)()('ClaClAgesAgCl(16-4)根据溶度积关系式spClAgKaa''得'ln}/{}/)({AgaFRTAgAgEAgsAgClE'ln}/{ClspaKFRTAgAgE'lnln}/{ClspaFRTKFRTAgAgE'ln}/)({ClaFRTAgsAgClE(16-5)式中:)25(000645.02224.0ln}/{}/)({tKFRTAgAgEAgsAgClESPV由上式可见,利用Nernst关系式可求得难溶盐的溶度积常数,为此我们将(16-2)、(16-4)两个电极连同盐桥组成电池(Ⅰ),其电动势可表示为:EEE=AgsAgClEAgAgE/)(/=)lnln}/{(ln}/{clSPAgaFRTKFRTAgAgEaFRTAgAgE=)ln(lnclAgSPaaFRTKFRT整理得:RTEFaaKclAgSPexp(16-6)因此,给定电池(I)中左右半电池活度'Cla和Aga,若测得电池(I)的电动势,依上式即可求出AgCl的溶度积常数。电池电动势一般采用Poggendorff对消法测定。根据欧姆定律,电池电动势IrVrRIE)(,r为电池内阻。当回路中电流0I时,此时E=V,这就是对消法的基本原理,其测量方法如图1所示。当K与EN连接时,移动接触点C,使G中无电流通过,此时AC上的电位降等于标准电池的电动势,又因AB是均匀电阻,故有ABACVEABN而当K与待测电池EX连接时,移动触点'C,使回路中G上电流为零,则:图1对消法原理示意图ACACEEABACVENXABX''在温度一定时,标准电池电动势EN是定值,只要测量AC和'AC,就可求得待测电池的电动势EX。三、仪器和药品:仪器和材料:UJ—25型直流电位差计(或数字式电位差综合测试仪);直流复射式检流计(10-9A/mm);毫安表;标准电池;甲级干电池(甲电池);饱和甘汞电极;银电极;银丝(纯度99.5%);KNO3盐桥;10mL小烧杯;电阻箱。药品:饱和KCl溶液;0.0200mol·L-1KCl溶液;0.1mol·L-1HCl溶液;稀氨水。四、实验步骤:1.Ag/AgCl电极制备取经退火处理过、直径约为0.5mm的银丝3根,用金相砂纸擦至发亮以除去银丝表面的氧化物,然后在稀氨水中浸泡数分钟。取出用高纯度水洗净,再用滤纸吸干备用。将其中二根银丝作阳极,另一根作阴极,分别插入0.1M的HCl溶液中,按图2所示的线路接通电路,调节电阻使阴极电流密度大约为5mA/cm2,电解20分钟,使银丝表面覆盖一层棕黑色的AgCl镀层。镀层以均匀、致密为好。电解完毕取出制好的电极,用纯水洗净,再用滤纸吸干(但不可用滤纸摩擦,以防镀层剥落)。由于拉丝时引入杂质,电极电位偏图2电极制备装置示意图差最大可达±5mV,但该电极稳定性尚好,可用作参比电极。1,2-银电极;3-电阻箱;4-电源电极制备:电流值的选取(按电流密度3mA/cm2,浸入0.1MHCl中,长度为2cm(2根),银丝直径为0.5mm计算)银丝表面积2∏R*h=∏DⅡ*hI=PI*S=5mA/cm2*{∏*0.5*10ˉ1*2cm/根*2根}=3.14mA,取3mA若银丝...

1、当您付费下载文档后,您只拥有了使用权限,并不意味着购买了版权,文档只能用于自身使用,不得用于其他商业用途(如 [转卖]进行直接盈利或[编辑后售卖]进行间接盈利)。
2、本站所有内容均由合作方或网友上传,本站不对文档的完整性、权威性及其观点立场正确性做任何保证或承诺!文档内容仅供研究参考,付费前请自行鉴别。
3、如文档内容存在违规,或者侵犯商业秘密、侵犯著作权等,请点击“违规举报”。

碎片内容

电池电动势的测定及其应用试验报告

您可能关注的文档

确认删除?
VIP
微信客服
  • 扫码咨询
会员Q群
  • 会员专属群点击这里加入QQ群
客服邮箱
回到顶部