电脑桌面
添加小米粒文库到电脑桌面
安装后可以在桌面快捷访问

电路分析基础试题库汇编标准答案1VIP免费

电路分析基础试题库汇编标准答案1_第1页
1/21
电路分析基础试题库汇编标准答案1_第2页
2/21
电路分析基础试题库汇编标准答案1_第3页
3/21
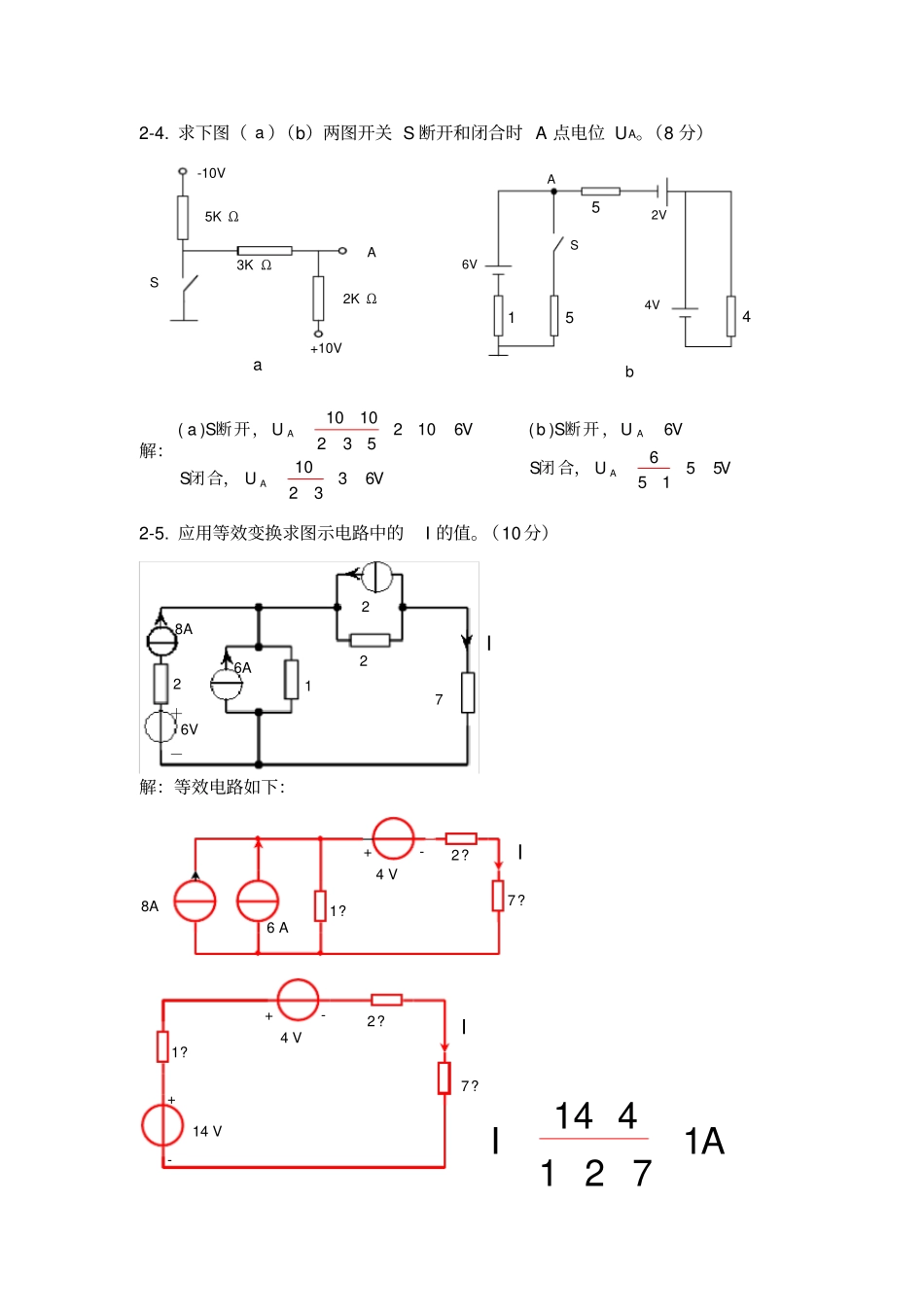
四.计算题2-1.求下图(a)(b)两图,开关S断开和闭合时A点电位UA。(8分)A9V3VS326aA2V4V6V5451Sb解:(a)936963363AASUVSUV断开,闭合,(b)665551AASUVSUV断开,闭合,2-2.图示电路中,求a、b点对地的电位Ua和Ub的值。(10分)解:ab1542315015514231151421101211abcaKVL:I()IAUVUV列=()===沿2-3.电路如下图所示,试求电流1i和abu。(10分)解:111102522009099849abiAi.i,iA.u(ii)A故2-4.求下图(a)(b)两图开关S断开和闭合时A点电位UA。(8分)S5KΩ-10V3KΩ2KΩ+10VAaA2V4V6V5451Sb解:10102106235103623AA(a)SUVSUV断开,闭合,665551AA(b)SUVSUV断开,闭合,2-5.应用等效变换求图示电路中的I的值。(10分)解:等效电路如下:1441127IA14V1?4VI2?7?+-+-+8AI6A1?4V2?7?-2126A76V2+I-8A2-6.如下图,化简后用电源互换法求I=?(10分)210111A3VI解:等效如下:14211IA2-7.求下图(a)(b)两图开关S断开和闭合时A点电位UA。(8分)A9V3VS326a3KΩ6KΩ6KΩS+12VAb解:633663163AA(a)SUVSUV断开,闭合,121236663AA(b)SUVSUV//断开,闭合,4A1?I1?1A3V1?I1?+-6V2-8.如下图,化简后用电源互换法求I=?(10分)2A9V2Ω6Ω3Ω2Ω10ΩI解:等效电路如下:252522I.A2-9.电路如图所示,有关数据已标出,求UR4、I2、I3、R4及US的值。(10分)解:432134436104623422422421018RRSUVIAIIIAURIUV2A9V3?6?I2?+-+-USaR4R2I1I2I3+-R4U+-10V4A6V+-32b5A2?I2?2-10.求下图(a)(b)两图开关S断开和闭合时A点电位UA。(8分)S5KΩ-10V3KΩ2KΩ+10VAa3KΩ6KΩ6KΩS+12VAb解:10101210212351032123AA(a)SUVSUV断开,闭合,122126632AA(b)SUVSUV//断开,闭合,2-11.如下图,求I=?(6分)解:116233222224824YRRR()//()IAUS8V2?2?2?2?2?IUS8VR16?R26?R32?R42?R56?I3K?12K?2K?2-12.求下图R=?(5分)解:RabcdaKVL:2-10-2i+20i=04i=A945i=1-=A9910R==18Ω59沿列解得所以2-13.求US,计算图中元件功率各为多少?并验算功率是否平衡。(10分)解:1111125265025521024652010246402102021020SSSRuUabcaKVL:uu;uVuVdabcdKVL:()U,UVP()W,PW,PW列沿列功率平衡2-14.已知电容器C=100uF,在t=0时uC(0)=0,若在t=0~10s期间,用I=100uA的恒定电流对它充电。问t=5s和t=10s时,电容器上的电压uC及储能WC(t)为多少?(8分)解:662623310010555101010010115100105125102210510CCCCIu(s)tV,u(s)VCW(s)CU.JW(s)J同理同理=3-1.如图电路,用节点分析法求电压u。(10分)USR14?R26?+-u1abc5u1+-d2A-1A-+2iR-i++2V10V20?abcd3Ω6Ω+-+-4Ω2Ω3V12Vab+-u3A解:列节点电压方程1321131236369bb(uuu(uuV11)4211)22解得:3-2.如下图,(1)用节点电压法或用网孔法求1i,2i(2)并计算功率是否平衡?(14分)6A12V1Ω3Ω1i2i12ia解:125335606422510253604210011aa1a121112221212V6A2i(1)2i1121+u=+-631312-ui=1u=7V,i=5A,i=-1A1+3)i-36=12-2ii=5A,i=-1A2P=5W,P=(-1)WP=-12W,P=7W,P=(-1)WP节点法:()增补:解得:或网孔法:(解得:()功率平衡3-3.如下图,用网孔法求I1、I2及U。(6分)20V6110I410A1I2IU解:11264410202021021081024852IIAIAU()V()3-4.如图所示电路,试用网孔分析法求ux和u1。(10分)1Ω1Ω2Ω2Ω1A+-ux+-+-u12u1解:网孔电流i1~i3方向如图示:132131112131231222321221246XXXiiuiuuiiuiiuiiA,iA,iAuV,uV增补:解得:==i1i2i33-5.如下图,求2u(5分)2u1u2R1R100KΩ10KΩ10mV解:1121212211110RuuuuRRRRuumVR3-6.求下图理想运放的u0=?(10分)解:123330221011010201010011014(a)uuVi.mAiu().V12302021010022026(b)ii.mAu.V3-7.用节点法求下图123iii、、(10分)20k?10k?1V2V+2V20k?10k?+u0--u0(a)(b)解:2321223210410110616babSabaSCuV,aGG)uGuIuViAi(uu)GAi(iI)A将点接地,列点节点方程:(解得:3-8.求下图I1~I5及各元件的功率,并验算功率是否平衡?(10分)解:2143253412041410102654SSiAAiiA,iA,iiiAiiiA3-9.用网孔法或节点法,求下图i1=?(10分)IS10AG11SG21SG34SUS10Vabci2i1i32?解:1113052.11113221113222225205212112abababab1.2+1+1i-11-23=2iiiii....

1、当您付费下载文档后,您只拥有了使用权限,并不意味着购买了版权,文档只能用于自身使用,不得用于其他商业用途(如 [转卖]进行直接盈利或[编辑后售卖]进行间接盈利)。
2、本站所有内容均由合作方或网友上传,本站不对文档的完整性、权威性及其观点立场正确性做任何保证或承诺!文档内容仅供研究参考,付费前请自行鉴别。
3、如文档内容存在违规,或者侵犯商业秘密、侵犯著作权等,请点击“违规举报”。

碎片内容

电路分析基础试题库汇编标准答案1

您可能关注的文档

确认删除?
VIP
微信客服
  • 扫码咨询
会员Q群
  • 会员专属群点击这里加入QQ群
客服邮箱
回到顶部