电脑桌面
添加小米粒文库到电脑桌面
安装后可以在桌面快捷访问

基坑监测点布置及监测频率要点表VIP免费

基坑监测点布置及监测频率要点表_第1页
1/10
基坑监测点布置及监测频率要点表_第2页
2/10
基坑监测点布置及监测频率要点表_第3页
3/10
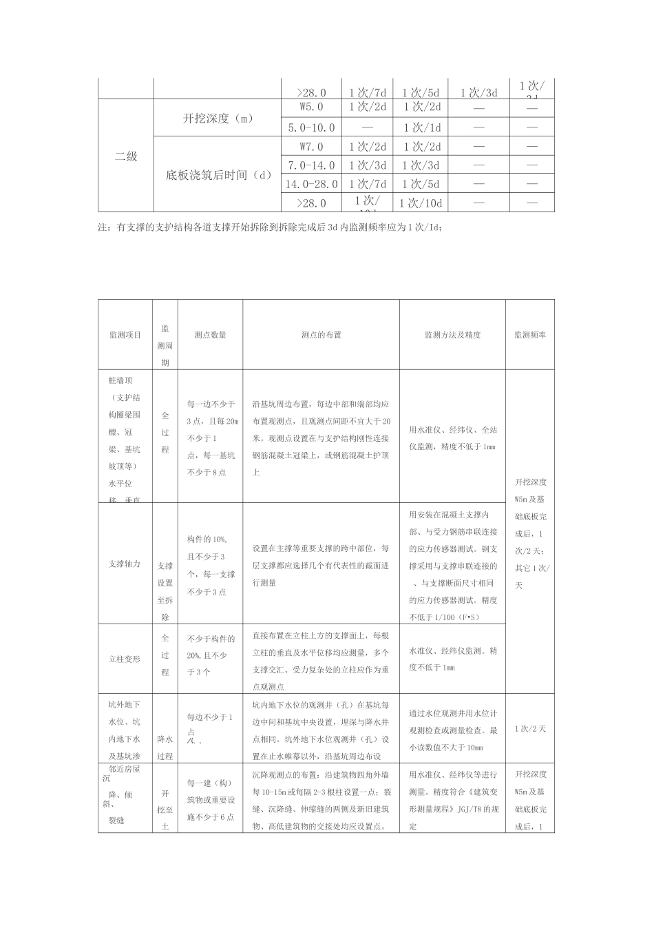
基坑监测点布置及监测频率要点表基坑监测频率《建筑基坑支护技术规程》JGJ120-2012规定1、基坑向下开挖期间,监测不应少于每天一次,直至开挖停止后连续三天的监测数值稳定;2、当地面、支护结构或周边建筑物出现裂缝、沉降,遇到降雨、降雪、气温骤变,基坑出现异常的渗水,坑外地面荷载增加等各种环境条件或异常情况时,应立即进行连续监测,直至连续三天的监测数值稳定;3、当位移速率大于前次监测的位移速率时,则应进行连续监测;4、基坑监测频率与基坑类别、施工开挖深度、基坑设计深度有着密切的关系,在以后的工作实践中应综合考虑各项参数,准确判断监测频率;如遇突发情况,加大监测频率。5、《建筑基坑支护技术规程(JGJ120-2012)》与《建筑基坑工程监测技术规范(GB50497-2009)》关于"支护结构顶部水平位移”监测频率有所不同,从业人员根据具体情况定夺。现场仪器监测的监测频率基坑类别施工进程基坑设计深度(m)W5.05.0-10.010.0-15.0>15.0一级开挖深度(m)W5.01次/1d1次/2d1次/2d1次/2d5.0-10.0—1次/1d1次/1d1次/1d>10.0——2次/1d2次/1d底板浇筑后时间(d)W7.01次/1d1次/1d2次/1d2次/1d7.0-14.01次/3d1次/2d1次/1d1次/1d14.0-28.01次/5d1次/3d1次/2d1次/1d>28.01次/7d1次/5d1次/3d1次/3d二级开挖深度(m)W5.01次/2d1次/2d——5.0-10.0—1次/1d——底板浇筑后时间(d)W7.01次/2d1次/2d——7.0-14.01次/3d1次/3d——14.0-28.01次/7d1次/5d——>28.01次/10d1次/10d——注:有支撑的支护结构各道支撑开始拆除到拆除完成后3d内监测频率应为1次/Id;监测项目监测周期测点数量测点的布置监测方法及精度监测频率桩墙顶(支护结构圈梁围檩、冠梁、基坑坡顶等)水平位移、垂直全过程每一边不少于3点,且每20m不少于1点,每一基坑不少于8点沿基坑周边布置,每边中部和端部均应布置观测点,且观测点间距不宜大于20米。观测点设置在与支护结构刚性连接钢筋混凝土冠梁上,或钢筋混凝土护顶上用水准仪、经纬仪、全站仪监测,精度不低于1mm开挖深度W5m及基础底板完成后,1次/2天;其它1次/天支撑轴力支撑设置至拆除构件的10%,且不少于3个,每一支撑不少于3点设置在主撑等重要支撑的跨中部位,每层支撑都应选择几个有代表性的截面进行测量用安装在混凝土支撑内部、与受力钢筋串联连接的应力传感器测试。钢支撑采用与支撑串联连接的、与支撑断面尺寸相同的应力传感器测试。精度不低于1/100(F•S)立柱变形全过程不少于构件的20%,且不少于3个直接布置在立柱上方的支撑面上,每根立柱的垂直及水平位移均应测量,多个支撑交汇、受力复杂处的立柱应作为重点观测点水准仪、经纬仪监测。精度不低于1mm坑外地下水位、坑内地下水及基坑渗漏水状况降水过程每边不少于1占八、、坑内地下水位的观测井(孔)在基坑每边中间和基坑中央设置,埋深与降水井点相同。坑外地下水位观测井(孔)设置在止水帷幕以外,沿基坑周边布设通过水位观测井用水位计观测检查或测量检查。最小读数值不大于10mm1次/2天邻近房屋沉降、倾斜、裂缝开挖至土每一建(构)筑物或重要设施不少于6点沉降观测点的布置:沿建筑物四角外墙每10-15m或每隔2-3根柱设置一点;裂缝、沉降缝、伸缩缝的两侧及新旧建筑物、高低建筑物的交接处均应设置点。用水准仪、经纬仪等进行测量。精度符合《建筑变形测量规程》JGJ/T8的规定开挖深度W5m及基础底板完成后,1点的布置:应沿对应观测点的主体竖直线布置,整体倾斜按顶部、底部上下对应布置;分层倾斜按分层部位、底部上下对应布置其它1次/地下管线沉降与水平位围护结构深层水平位移支护结构(板墙、圈梁、围檩冠梁等)内力支护结构(板墙)土压力和孔隙水压力基坑周围地表沉降、裂缝、地面超载状况自然环境(雨水、气温、洪水等)锚杆、土钉的应力和轴基坑底部回弹和隆起0.0每10m设一观测点每一边不少于1点,边长大于50m时,可增加1〜2点每一边不少于一般基坑平面全每边不少于2过点,竖向布置程的间距一般为2-5m在管线的端点、转角点和必要的中间部位设置;具体的观测点应设置在管线本身或靠近管线底面的土体中在结构受力、变形较大的部位设置。测斜管应沿基坑每侧中心处布置,边长大于5...

1、当您付费下载文档后,您只拥有了使用权限,并不意味着购买了版权,文档只能用于自身使用,不得用于其他商业用途(如 [转卖]进行直接盈利或[编辑后售卖]进行间接盈利)。
2、本站所有内容均由合作方或网友上传,本站不对文档的完整性、权威性及其观点立场正确性做任何保证或承诺!文档内容仅供研究参考,付费前请自行鉴别。
3、如文档内容存在违规,或者侵犯商业秘密、侵犯著作权等,请点击“违规举报”。

碎片内容

基坑监测点布置及监测频率要点表

确认删除?
VIP
微信客服
  • 扫码咨询
会员Q群
  • 会员专属群点击这里加入QQ群
客服邮箱
回到顶部