电脑桌面
添加小米粒文库到电脑桌面
安装后可以在桌面快捷访问

初中物理力学实验 VIP免费

初中物理力学实验 _第1页
1/9
初中物理力学实验 _第2页
2/9
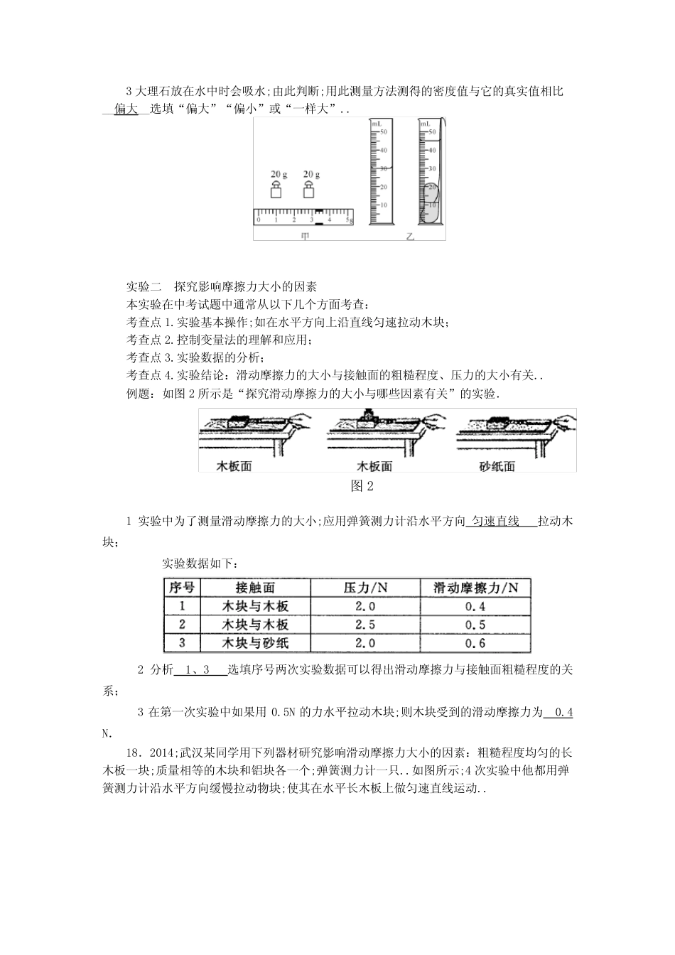
图1力学实验探究题实验一密度的测量密度的测量在中考中常从以下几个方面考查:考查点1.天平、量筒、弹簧测力计的使用;考查点2.实验步骤的正确填写、排序;考查点3.实验中误差、常见问题的分析处理;考查点4.运用ρ=m/v计算密度;考查点5.实验的评估及改进;考查点6.运用特殊方法侧密度;如助沉法、累积法、饱和溶液法等..例题:钦州坭兴陶是中国四大名陶之一..小刘取了一小块陶器样品;通过实验来测定坭兴陶的密度;过程如下:1把天平放在水平台上;把游码移到标尺左端的零刻度处;发现指针的位置如图1所示;此时应将横梁右端的平衡螺母向左选填“左”或“右”调节;使天平横梁平衡..2用调好的天平测量样品质量时;所用砝码和游码位置如图22乙所示;则样品质量为52g..3用量筒测量样品体积时;样品放在量筒前后的水位情况如图22丙所示;则样品体积为20cm34样品的密度:2.6g/cm3..15.2014;福州在课外实践活动中;小明做了以下实验:调节天平时;发现指针位置如图甲所示;此时应将右端的平衡螺母向__右__调;使天平平衡..测量李子质量时;天平右盘内砝码的质量和游码在标尺上的位置如图乙所示;则李子质量是__21.0__g..往量筒中注入60mL的水;将该李子浸没在水中后;水面位置如图丙所示;则李子的体积是__20__cm3;密度是__1.05__g/cm3..16.2014;汕尾在用天平和量筒测量一小块大理石密度的实验过程中:1使用托盘天平前要对天平进行调节;步骤如下:①组装好天平;把天平放在__水平__工作台面上;②把游码置于标尺左端的__零刻度线__处;③调节天平的平衡螺母;使天平横梁水平平衡..2实验过程:用调好的天平测大理石的质量;当右盘中所加砝码和游码位置如图甲所示时;天平平衡;则此大理石的质量是__43.2__g..在量筒内装有一定量的水;该大理石放入前、后的情况如图乙所示;则大理石的体积是__15__cm3;此大理石的密度是2.88×103kg/m3..3大理石放在水中时会吸水;由此判断;用此测量方法测得的密度值与它的真实值相比__偏大__选填“偏大”“偏小”或“一样大”..实验二探究影响摩擦力大小的因素本实验在中考试题中通常从以下几个方面考查:考查点1.实验基本操作;如在水平方向上沿直线匀速拉动木块;考查点2.控制变量法的理解和应用;考查点3.实验数据的分析;考查点4.实验结论:滑动摩擦力的大小与接触面的粗糙程度、压力的大小有关..例题:如图2所示是“探究滑动摩擦力的大小与哪些因素有关”的实验.1实验中为了测量滑动摩擦力的大小;应用弹簧测力计沿水平方向匀速直线拉动木块;实验数据如下:2分析1、3选填序号两次实验数据可以得出滑动摩擦力与接触面粗糙程度的关系;3在第一次实验中如果用0.5N的力水平拉动木块;则木块受到的滑动摩擦力为0.4N.18.2014;武汉某同学用下列器材研究影响滑动摩擦力大小的因素:粗糙程度均匀的长木板一块;质量相等的木块和铝块各一个;弹簧测力计一只..如图所示;4次实验中他都用弹簧测力计沿水平方向缓慢拉动物块;使其在水平长木板上做匀速直线运动..图2图31甲、丙两图所示的实验说明:接触面的粗糙程度相同时;滑动摩擦力的大小与__压力大小__有关..2图丙中;弹簧测力计的示数为__3.2__N;铝块受到的摩擦力大小为__0__N;3图丁中铝块受到的摩擦力大小__等于__图乙中铝块受到的摩擦力大小选填“大于”“等于”或“小于”..19.2013;黔南州某物理小组在一次探究活动中测量滑块与木板之间的滑动摩擦力..实验装置如图所示;一表面粗糙的木板固定在水平桌面上;木板上的滑块通过轻绳绕过定滑轮;绳的另一端悬挂托盘..实验时;在托盘中放入适量的砝码;使滑块做匀速直线运动..回答下列问题..1为了测量滑块的滑动摩擦力;需要测量的物理量是__④__..选填选项前的编号①木板的质量m1②滑块的质量m2③砝码的质量m3④托盘和砝码的总质量m42滑块的滑动摩擦力表达式为f=__m4g__..用已知或测量的物理量符号表示3该实验的理论依据是__二力平衡或滑块匀速滑动时;拉力等于摩擦力__..4该实验存在一些不足之处;请你写出其中的一点:__难以控制滑块恰好做匀速直线运动或砝码的质量不连续__..实验三探究二力平衡的条件例题:实验装置如图3所示..实验目的是探究小车在水平方向上所受两个拉力F1、F2的关系..1实验...

1、当您付费下载文档后,您只拥有了使用权限,并不意味着购买了版权,文档只能用于自身使用,不得用于其他商业用途(如 [转卖]进行直接盈利或[编辑后售卖]进行间接盈利)。
2、本站所有内容均由合作方或网友上传,本站不对文档的完整性、权威性及其观点立场正确性做任何保证或承诺!文档内容仅供研究参考,付费前请自行鉴别。
3、如文档内容存在违规,或者侵犯商业秘密、侵犯著作权等,请点击“违规举报”。

碎片内容

初中物理力学实验

您可能关注的文档

雪雪文库+ 关注
实名认证
内容提供者

各类文档,专业文档

相关文档

确认删除?
VIP
微信客服
  • 扫码咨询
会员Q群
  • 会员专属群点击这里加入QQ群
客服邮箱
回到顶部