电脑桌面
添加小米粒文库到电脑桌面
安装后可以在桌面快捷访问

箱梁模板安装及拆除技术交底三级概要VIP免费

箱梁模板安装及拆除技术交底三级概要_第1页
1/8
箱梁模板安装及拆除技术交底三级概要_第2页
2/8
箱梁模板安装及拆除技术交底三级概要_第3页
3/8
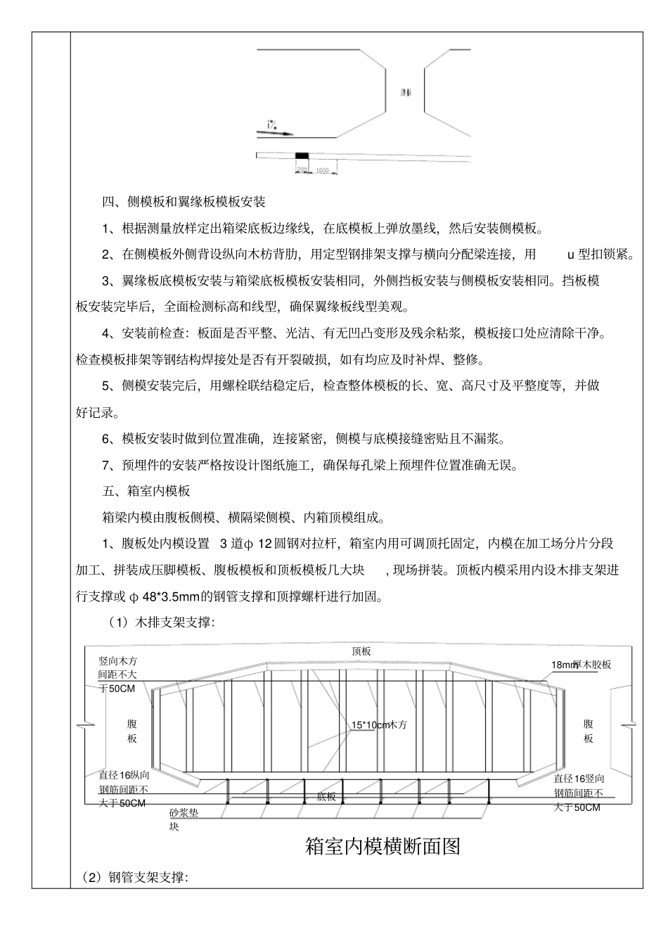
箱梁模板安装及拆除技术交底(三级)工程项目名称:武汉鹦鹉洲长江大桥汉阳接线工程施工合同段:编号:单位工程武汉鹦鹉洲长江大桥汉阳接线工程工程部位砼箱梁授交底方工程数量/进度要求/交底时间工程概况本段共有现浇砼箱梁26联,有现浇砼预应力箱梁15联,现浇普通砼箱梁11联。其中主线砼箱梁为预应力箱梁,匝道桥箱梁为普通砼箱梁。交底内容本工程箱梁底模板采用15mm厚竹胶板,外侧斜腹板及翼板模板采用12mm厚竹胶板,木枋;内膜采用15mm厚竹胶板,100*100mm木枋。翼板及斜腹板模板固定在定型钢排架上;顶板内模支撑采用钢管支架组合模支撑;内腹板采用穿PVC管对拉螺栓加固,底部采用钢筋马镫支撑。一、支架调整及预拱度设置1、支架调整根据以上实测的支架变形值,结合设计标高,确定和调整梁底标高。梁底立模标高=设计梁底标高+支架弹性变形值2、预拱度设置考虑到在支架上浇筑混凝土、施工及拆架后,上部结构要发生一定的下沉,产生一定的挠度,施工时采取预留预拱度控制。二、纵、横梁铺设主分配横梁铺设在顶托上,纵向次梁铺设在横向主分配梁上。顶托“U”型槽口向同一个方向,每个顶托必须与横梁完全接触,保证受力要求。横梁接长时,其接头位置应落在顶托上。分配梁全部安装完成后,根据设计标高要求,先固定最外两侧的标高,然后利用通线拉线调平标高,最后安装底模。1、梁式支架上纵横梁铺设主分配梁采用工40a,在箱梁底横向设置,长度为9米,将斜腹板及翼板定制钢排架支设在主分配梁上,用U型螺栓将钢排架与主分配梁连接。在主分配梁、斜腹板及翼板定制钢排架上布置木枋次梁,纵向布置,梁底及翼板部分间距0.3m,腹板横梁部分间距0.2m,斜腹板部分间距0.15m。中腹板、斜腹板模木枋布置图钢托架上翼缘板从端部向中间1.8米范围内100×100mm木枋间距为300mm,再往内1.6米范围内100×100mm木枋间距为200mm,直径800圆弧处100×100mm木枋外弧度间距为200mm,斜腹板直线段100×100mm木枋间距为200mm,具体如下图:钢托架间距纵向1.2米布置。2、碗扣支架上纵横梁铺设支架顶托上纵桥向通长布置10号工字钢作为横梁,型钢上横向铺设100×100mm木枋,木枋间距30cm。三、底模板安装1、模板从道路中线向两边对称铺设。底板纵坡按设计图纸规定设置,梁底水平段模板两侧要与外侧斜腹板模板拼接严密,并确保斜腹板和底板拼接后线形顺畅。2、模板采用横桥向布置,模板对缝处必须位于木枋之上,对拼缝要进行刷胶处理,尤其超高变化段及与支座连接处。当曲线段时可在适宜位置(一般在支座处)夹三角模板,以保证线型或根据半径大小,模板错开以形成曲线。3、模板之间的错台不超过1mm。模板拼接缝要纵横成线,避免出现错缝现象。4、底模板铺设完毕后,进行平面放样,将道路中心线投测至模板面上,通过钢尺向底板边缘复核裁切模板。全面测量底板纵横向标高,纵横向间隔5m检测一点,根据测量结果将底模板调整到设计标高。底板标高调整完毕后,再次检测标高,若标高不符合要求进行二次调整。5、箱梁底板模板每跨横向通长设置200mm冲洗槽,以便于排除扎丝、焊渣、破碎砂浆垫块等杂物。设置位置在沿纵坡设置底部横梁测,靠近横梁加腋板底部外1米处,具体如下图:四、侧模板和翼缘板模板安装1、根据测量放样定出箱梁底板边缘线,在底模板上弹放墨线,然后安装侧模板。2、在侧模板外侧背设纵向木枋背肋,用定型钢排架支撑与横向分配梁连接,用u型扣锁紧。3、翼缘板底模板安装与箱梁底板模板安装相同,外侧挡板安装与侧模板安装相同。挡板模板安装完毕后,全面检测标高和线型,确保翼缘板线型美观。4、安装前检查:板面是否平整、光洁、有无凹凸变形及残余粘浆,模板接口处应清除干净。检查模板排架等钢结构焊接处是否有开裂破损,如有均应及时补焊、整修。5、侧模安装完后,用螺栓联结稳定后,检查整体模板的长、宽、高尺寸及平整度等,并做好记录。6、模板安装时做到位置准确,连接紧密,侧模与底模接缝密贴且不漏浆。7、预埋件的安装严格按设计图纸施工,确保每孔梁上预埋件位置准确无误。五、箱室内模板箱梁内模由腹板侧模、横隔梁侧模、内箱顶模组成。1、腹板处内模设置3道φ12圆钢对拉杆,箱室...

1、当您付费下载文档后,您只拥有了使用权限,并不意味着购买了版权,文档只能用于自身使用,不得用于其他商业用途(如 [转卖]进行直接盈利或[编辑后售卖]进行间接盈利)。
2、本站所有内容均由合作方或网友上传,本站不对文档的完整性、权威性及其观点立场正确性做任何保证或承诺!文档内容仅供研究参考,付费前请自行鉴别。
3、如文档内容存在违规,或者侵犯商业秘密、侵犯著作权等,请点击“违规举报”。

碎片内容

箱梁模板安装及拆除技术交底三级概要

您可能关注的文档

文库响当当+ 关注
实名认证
内容提供者

该用户很懒,什么也没介绍

确认删除?
VIP
微信客服
  • 扫码咨询
会员Q群
  • 会员专属群点击这里加入QQ群
客服邮箱
回到顶部