电脑桌面
添加小米粒文库到电脑桌面
安装后可以在桌面快捷访问

建筑节能计算书VIP免费

建筑节能计算书_第1页
1/8
建筑节能计算书_第2页
2/8
建筑节能计算书_第3页
3/8
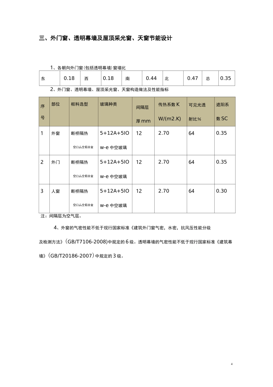
i建筑节能计算文件目录—、项目概况(3页)二、体形系数、窗墙比计算书(3页)三、外门窗、透明幕墙及屋顶采光窗、天窗节能设计(4页)四、设计建筑围护结构做法表(5页)五、结论(7页)二、体形系数、墙比计算书2项目概况1.节能设计执行《公共建筑节能设计标准》(GB50189-2015)及《海南省公共建筑节能设计标准》(DBJ03-2006)。2.本工程属_甲类节能建筑,南北向,体形系数S=0.1&3.建筑为框架结构,外墙采用外保温体系。1.本项目外表面积33443叶,体积165531m3,体形系数0.20。2.各朝向窗(包括透明幕墙)窗墙比和总窗墙比及屋顶透明部分计算书窗墙比计算朝向外墙/屋顶总面积外窗/透明面积窗墙比东33836090.18南604426590.44西20027600.18北610028670.47总窗墙比1974768950.35屋面10696730.014三、外门窗、透明幕墙及屋顶采光窗、天窗节能设计1、各朝向外门窗(包括透明幕墙)窗墙比东0.18西0.18南0.44北0.47总0.352、外门窗、透明幕墙、屋顶采光窗、天窗构造做法及性能指标序号部位框料选型玻璃种类间隔层厚mm传热系数KW/(m2.K)可见光透射比%遮阳系数SC1外窗断桥隔热5+12A+5IO122.70640.35空口厶仝铝合金w-e中空玻璃2外门断桥隔热5+12A+5IO122.70640.35空口厶仝铝合金w-e中空玻璃3人窗断桥隔热5+12A+5IO122.70640.30空口厶仝铝合金w-e中空玻璃注:间隔层为空气层。4、外窗的气密性能不低于现行国家标准《建筑外门窗气密,水密,抗风压性能分级及检测方法》(GB/T7106-2008)中规定的6级。透明幕墙的气密性能不低于现行国家标准《建筑幕墙》(GB/T20186-2007)中规定的3级。四屋顶、外墙等部位围护结构节能设计56屋顶传热系数计算:屋面材料厚度(mm)密度导热系数(W/m.K)修正系数热阻(m2.K/W)传热系数(W/m2.K)构夕卜表面0.040造细石混凝土(内配筋)4025001.7210.023层B1级挤塑聚苯板50320.0331.11.377次石灰水泥砂浆2017000.8710.023细石混凝土3023001.5110.020钢筋混凝土13025001.7410.075内表面0.110共计2701.6680.60外墙1(混凝土梁柱部分)传热系数:外墙材料厚度(mm)密度导热系数(W/m.K)修正系数热阻(m2.K/W)传热系数(W/m2.K)构夕卜表面0.040造石灰水泥砂浆2017000.8710.023层钢筋混凝土40025001.7410.075次石灰水泥砂浆2017000.8710.023内表面0.110共计4400.4262.348地WCO96O煮§OgoCOgoCXIsocogooI—1CD00<—i<—iLACN<—i导热系数(W/m.K)00oCD00o也!Woo<—1O卜oo<—1(LULU)oCXIoCXIoCXIo寸E§E浪E凰迪映W-S8-)CN矍f地0§coNco96O1.379<1.51C)669OooI—16LAfCXI矍<□8五、根据建筑节能计算,可判定本建筑为符合《公共建筑节能设计标准》GB50189-2015)及《海南省公共建筑节能设计标准》(DBJ03-2006)的节能建筑。

1、当您付费下载文档后,您只拥有了使用权限,并不意味着购买了版权,文档只能用于自身使用,不得用于其他商业用途(如 [转卖]进行直接盈利或[编辑后售卖]进行间接盈利)。
2、本站所有内容均由合作方或网友上传,本站不对文档的完整性、权威性及其观点立场正确性做任何保证或承诺!文档内容仅供研究参考,付费前请自行鉴别。
3、如文档内容存在违规,或者侵犯商业秘密、侵犯著作权等,请点击“违规举报”。

碎片内容

建筑节能计算书

您可能关注的文档

确认删除?
VIP
微信客服
  • 扫码咨询
会员Q群
  • 会员专属群点击这里加入QQ群
客服邮箱
回到顶部