电脑桌面
添加小米粒文库到电脑桌面
安装后可以在桌面快捷访问

视频会议设备巡检记录表VIP免费

视频会议设备巡检记录表_第1页
1/4
视频会议设备巡检记录表_第2页
2/4
视频会议设备巡检记录表_第3页
3/4
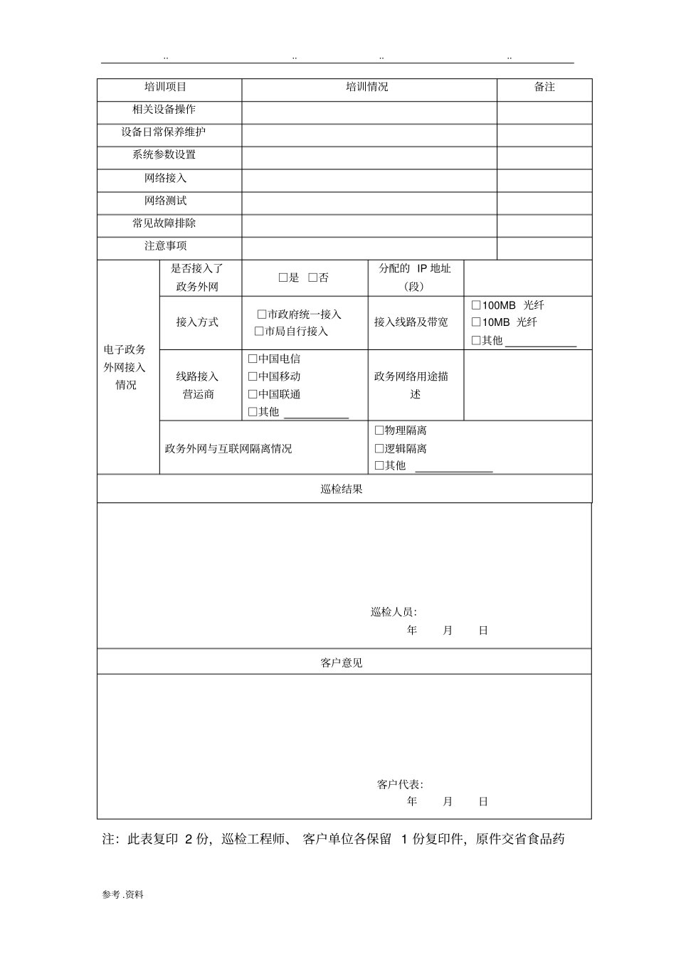
........参考.资料视频会议设备巡检记录表项目名称安徽省食品药品监督管理视频会议系统维保服务合同编号巡检时间客户名称地址客户联系人联系电话巡检单位科大国创软件股份有限公司地址合肥市长江西路669号软件园2号楼2层巡检工程师联系电话设备巡检登记设备名称设备型号数量检查结果备注设备功能检查检查项目测试方法检查结果备注视频终端功能检查运行状态视频输入视频输出音频输入音频输出会议功能软件参数设置音频功能检查麦克风音频输出音箱摄像头遥控器网络连接功能网络设备(路由器、交换机)网络接口网络参数设置其他附件功能检测现场培训记录........参考.资料培训项目培训情况备注相关设备操作设备日常保养维护系统参数设置网络接入网络测试常见故障排除注意事项电子政务外网接入情况是否接入了政务外网□是□否分配的IP地址(段)接入方式□市政府统一接入□市局自行接入接入线路及带宽□100MB光纤□10MB光纤□其他线路接入营运商□中国电信□中国移动□中国联通□其他政务网络用途描述政务外网与互联网隔离情况□物理隔离□逻辑隔离□其他巡检结果巡检人员:年月日客户意见客户代表:年月日注:此表复印2份,巡检工程师、客户单位各保留1份复印件,原件交省食品药........参考.资料品监督管理局存档。服务记录表客户单位安徽省食品药品监督管理局工程名称安徽省食品药品监督管理局视频会议系统维保服务事项:服务记录:服务人:........参考.资料年月日客户签署意见:客户代表:年月日备注:注:无论售前、售中或是售后进行的服务活动,均应及时、真实地填写本表,并经客户签署意见。《服务记录表》原件客户服务中心保存,另复印1份交省食品药品监督管理局存档。

1、当您付费下载文档后,您只拥有了使用权限,并不意味着购买了版权,文档只能用于自身使用,不得用于其他商业用途(如 [转卖]进行直接盈利或[编辑后售卖]进行间接盈利)。
2、本站所有内容均由合作方或网友上传,本站不对文档的完整性、权威性及其观点立场正确性做任何保证或承诺!文档内容仅供研究参考,付费前请自行鉴别。
3、如文档内容存在违规,或者侵犯商业秘密、侵犯著作权等,请点击“违规举报”。

碎片内容

视频会议设备巡检记录表

您可能关注的文档

确认删除?
VIP
微信客服
  • 扫码咨询
会员Q群
  • 会员专属群点击这里加入QQ群
客服邮箱
回到顶部