电脑桌面
添加小米粒文库到电脑桌面
安装后可以在桌面快捷访问

锅炉用水标准VIP专享VIP免费

锅炉用水标准_第1页
1/9
锅炉用水标准_第2页
2/9
锅炉用水标准_第3页
3/9
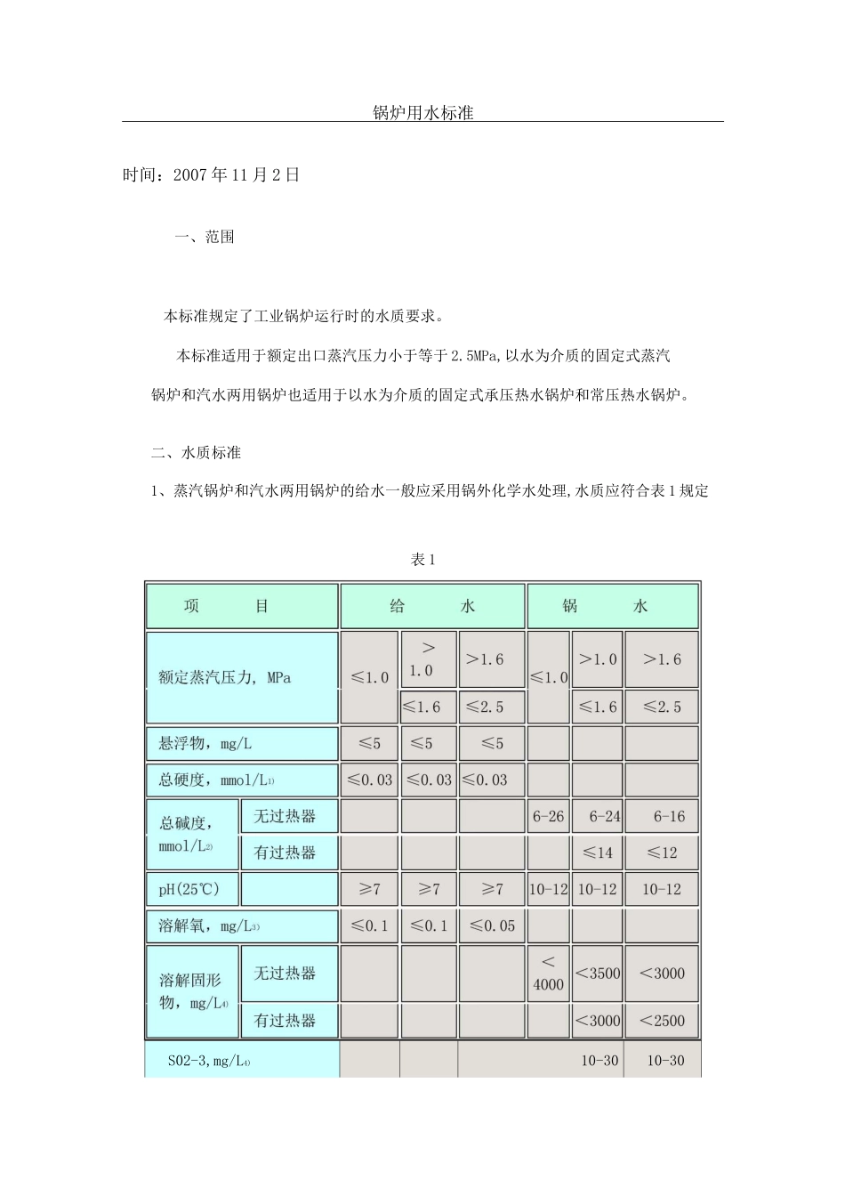
锅炉用水标准时间:2007年11月2日一、范围本标准规定了工业锅炉运行时的水质要求。本标准适用于额定出口蒸汽压力小于等于2.5MPa,以水为介质的固定式蒸汽锅炉和汽水两用锅炉也适用于以水为介质的固定式承压热水锅炉和常压热水锅炉。二、水质标准1、蒸汽锅炉和汽水两用锅炉的给水一般应采用锅外化学水处理,水质应符合表1规定表1S02-3,mg/L4)10-3010-30P03-4,mg/L10-3010-30相对碱度游离NaOH/溶解固形物)5)V0.2V0.2含油量,mg/L<2<2<2含铁量,mg/L6)<0.3<0.3<0.3国家质量技术监督局2001-01-10批准2001-10-01实施1)硬度mmol/L的基本单元为c(l/2Ca2+、l/2Mg2+),下同。2)碱度mmo1/L的基本单元为c(0H-、1/2C02-、HC03-),下同。3对蒸汽品质要求不高,且不带过热器的锅炉,使用单位在报当地锅炉压力容器安全监察机构同意后,碱度指标上限值可适当放宽。3)当锅炉额定蒸发量大于等于6t/h时应除氧,额定蒸发量小于6t/h的锅炉如发现局部腐蚀时,给水应采取除氧措施,对于供汽轮机用汽的锅炉给水含氧量应小于等于0.05mg/L。4)如测定溶解固形物有困难时,可采用测定电导率或氯离子(C1-)的方法来间接控制,但溶解固形物与电导率或与氯离子(Cl-)的比值关系应根据试验确定。并应定期复试和修正此比值关系。5)全焊接结构锅炉相对碱度可不控制。6)仅限燃油、燃气锅炉2、额定蒸发量小于等于2t/h,且额定蒸汽压力小于等于1.0MPa的蒸汽锅炉和汽水两用锅炉(如对汽、水品质无特殊要求)也可采用锅内加药处理。但必须对锅炉的结垢、腐蚀和水质加强监督,认真做好加药、排污和清洗工作,其水质应符合表2规定。表2项目给水锅炉水悬浮物,mg/L<20总硬度,mmol/lW4总碱度,mmol/l8-26pH(25°C)三710-12溶解固形物,mg/L<50003、承压热水锅炉给水应进行锅外水处理,对于额定功率小于等于4.2MW非管架式承压的热水锅炉和常压热水锅炉,可采用锅内加药处理,但必须对锅炉的结垢、腐蚀和水质加强监督,认真做好加药工作,其水质应符合表3的规定。表31)通过补加药剂使锅水pH值控制在10一12。2)额定功率大于等于4.2MW的承压热水锅炉给水应除氧,额定功率小于4.2MW的承压热水锅炉和常压热水锅炉给水应尽量除氧。4、直流(贯流)锅炉给水应采用锅外化学水处理,其水质按表1中额定蒸汽压力为大于1.6Mpa、小于等于2.5Mpa的标准执行。5、余热锅炉及电热锅炉的水质指标应符合同类型、同参数锅炉的要求。6、水质检验方法应按附录A(标准的附录)执行锅炉用水标准作者:佚名来源:本站整理点击数:459更新时间:2008-05-03【字体:小大】一、范围本标准规定了工业锅炉运行时的水质要求。本标准适用于额定出口蒸汽压力小于等于2.5MPa,以水为介质的固定式蒸汽锅炉和汽水两用锅炉也适用于以水为介质的固定式承压热水锅炉和常压热水锅炉。二、水质标准1、蒸汽锅炉和汽水两用锅炉的给水一般应采用锅外化学水处理,水质应符合表1规定表1项目给水锅水额定蒸汽压力,MPaW1.0>1.0>1.6W1.0>1.0>1.6W1.6W2.5W1.6W2.5悬浮物,mg/LW5W5W5总硬度,mmol/L1)W0.03W0.03W0.03总碱度,mmol/L2)无过热器6-266-246-16有过热器W14W12pH(25°C)三7三7三710-1210-1210-12溶解氧,mg/L3)W0.1W0.1W0.05溶解固形物,mg/L4)无过热器<4000<3500<3000有过热器<3000<2500S02-3,mg/L4)10-3010-30PO3-4,mg/L10-3010-30相对碱度游离NaOH/溶解固形物)5)<0.2<0.2含油量,mg/LW2W2W2含铁量,mg/L6)W0.3W0.3W0.3国家质量技术监督局2001-01-10批准2001-10-01实施1)硬度mmol/L的基本单元为c(l/2Ca2+、l/2Mg2+),下同。2)碱度mmol/L的基本单元为c(0H-、I/2CO2-、HCO3-),下同。3对蒸汽品质要求不高,且不带过热器的锅炉,使用单位在报当地锅炉压力容器安全监察机构同意后,碱度指标上限值可适当放宽。3)当锅炉额定蒸发量大于等于6t/h时应除氧,额定蒸发量小于6t/h的锅炉如发现局部腐蚀时,给水应采取除氧措施,对于供汽轮机用汽的锅炉给水含氧量应小于等于0.05mg/L。4)如测定溶解固形物有困难时,可采用测定电导率或氯离子(C1-)的方法来间接控制,但溶解固形物与电导率或与氯离子(Cl-)的比值关系应根据试验确定。并应定期复试和修正此...

1、当您付费下载文档后,您只拥有了使用权限,并不意味着购买了版权,文档只能用于自身使用,不得用于其他商业用途(如 [转卖]进行直接盈利或[编辑后售卖]进行间接盈利)。
2、本站所有内容均由合作方或网友上传,本站不对文档的完整性、权威性及其观点立场正确性做任何保证或承诺!文档内容仅供研究参考,付费前请自行鉴别。
3、如文档内容存在违规,或者侵犯商业秘密、侵犯著作权等,请点击“违规举报”。

碎片内容

锅炉用水标准

确认删除?
VIP
微信客服
  • 扫码咨询
会员Q群
  • 会员专属群点击这里加入QQ群
客服邮箱
回到顶部