电脑桌面
添加小米粒文库到电脑桌面
安装后可以在桌面快捷访问

试验三译码显示电路资料VIP免费

试验三译码显示电路资料_第1页
1/12
试验三译码显示电路资料_第2页
2/12
试验三译码显示电路资料_第3页
3/12
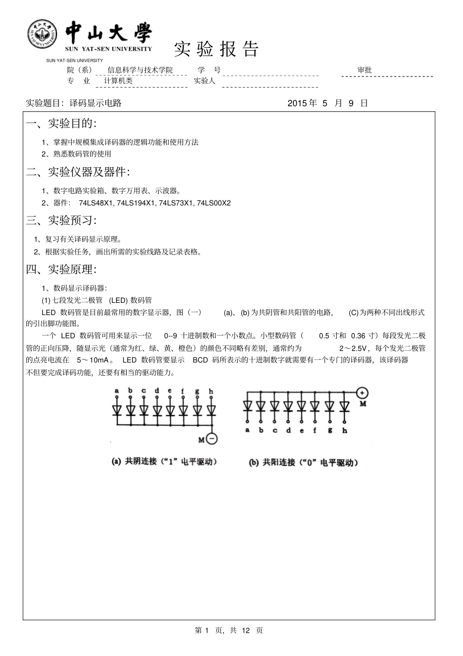
实验报告SUNYAT-SENUNIVERSITY院(系)信息科学与技术学院学号审批专业计算机类实验人实验题目:译码显示电路2015年5月9日第1页,共12页一、实验目的:1、掌握中规模集成译码器的逻辑功能和使用方法2、熟悉数码管的使用二、实验仪器及器件:1、数字电路实验箱、数字万用表、示波器。2、器件:74LS48X1,74LS194X1,74LS73X1,74LS00X2三、实验预习:1、复习有关译码显示原理。2、根据实验任务,画出所需的实验线路及记录表格。四、实验原理:1、数码显示译码器:(1)七段发光二极管(LED)数码管LED数码管是目前最常用的数字显示器,图(一)(a)、(b)为共阴管和共阳管的电路,(C)为两种不同出线形式的引出脚功能图。一个LED数码管可用来显示一位0--9十进制数和一个小数点。小型数码管(0.5寸和0.36寸)每段发光二极管的正向压降,随显示光(通常为红、绿、黄、橙色)的颜色不同略有差别,通常约为2~2.5V,每个发光二极管的点亮电流在5~10mA。LED数码管要显示BCD码所表示的十进制数字就需要有一个专门的译码器,该译码器不但要完成译码功能,还要有相当的驱动能力。实验报告SUNYAT-SENUNIVERSITY院(系)信息科学与技术学院学号审批专业计算机类实验人实验题目:译码显示电路2015年5月9日第2页,共12页(2)BCD码七段译码驱动器此类译码器型号有74LS47(共阳),74LS48(共阴),CC4511(共阴)等,本实验系采用'74LS48BCD码锁存/七段译码/驱动器。驱动共阴极LED数码管。图(二)为74LS48引脚排列。其中A、B、C、D-BCD码输入端,a、b、c、d、e、f、g——译码输出端,输出“1"有效,用来驱动共阴极LED数码管。错误!未找到引用源。-灯测试输入端,错误!未找到引用源。=“0”时,译码输出全为“1”错误!未找到引用源。-灭零输入端,错误!未找到引用源。=“0”时,不显示多余的零。错误!未找到引用源。/错误!未找到引用源。-作为输入使用时,灭灯输入控制端;作为输出端使用时,灭零输出端。2、扫描式显示对多位数字显示采用扫描式显示可以节电,这一点在某些场合很重要。对于某些系统输出的的数据,应用扫描式译码显示,可使电路大为简化。有些系统,比如计算机,某些A/D转换器,是以这样的形式输出数据的:由选通信号控制多路开关,先后送出(由高位到低位或由低位到高位)一位十进制的BCD码,如图(三)所示。图中的Ds称为选通信号,并假定系统按先高位后低位的顺序送出数据,当Ds1高电平送出千位数,Ds2高电平送出百位数,⋯⋯一般Ds的高电平相邻之间有一定的间隔,选通信号可用节拍发生器产生。如图(四)所示,为这种系统的译码扫描显示的原理图。图中各片LED(共阴)的发光段并连接至译码器的相应端,把数据输入的相应权端与系统输出端相连,把各位选通端反相后接相应LED的公共端。f(A)使数据输入是伪码(8421BCD中的1010-1111)时使f(A)=0,伪码灭灯。接译码器的灭灯IB端,使不显示伪码。实验报告SUNYAT-SENUNIVERSITY院(系)信息科学与技术学院学号审批专业计算机类实验人实验题目:译码显示电路2015年5月9日第3页,共12页3、四节拍发生器扫描显示要求数码管按先后顺序显示。这就要求如图(三)所示的选通信号。通常该类型的信号称为节拍信号。如果使用的数码管是共阴极型,则选通信号是图(三)的反相。如图(五)所示就是这种节拍信号发生器。图中74LS194为移位寄存器。它具有左移、右移,并行送数、保持及清除等五项功能。其引脚图如图(六)所示。其中错误!未找到引用源。为清除端,CP为时钟输入端,S1、S2为状态控制端,DSR为右移数据串行输入端,DSL为左移数据输入端,D0、D1、D2、D3为并行数据输入端,Q0、Q1.Q2、Q3为数据输出端。其功能表如表(二)所示。节拍发生器工作开始时,必须首先进行清零。当错误!未找到引用源。负脉冲过后Q0、Q1.Q2、Q3全为零。JK触发器错误!未找到引用源。=1,因而S1=S0=1,实现并行送数。当第一个脉冲的上升沿到达后,置入0111,CP下降沿到达后Q=0,即S1=0,S0=1,实现右移功能。在CP作用下输出依次为1011,1101,1110,第四个CP下降沿到达后又使Q=1,实现第二个循环。五.实验内容1、按表(二)测试74LS19402、按图(五)实现四节拍顺...

1、当您付费下载文档后,您只拥有了使用权限,并不意味着购买了版权,文档只能用于自身使用,不得用于其他商业用途(如 [转卖]进行直接盈利或[编辑后售卖]进行间接盈利)。
2、本站所有内容均由合作方或网友上传,本站不对文档的完整性、权威性及其观点立场正确性做任何保证或承诺!文档内容仅供研究参考,付费前请自行鉴别。
3、如文档内容存在违规,或者侵犯商业秘密、侵犯著作权等,请点击“违规举报”。

碎片内容

试验三译码显示电路资料

您可能关注的文档

确认删除?
VIP
微信客服
  • 扫码咨询
会员Q群
  • 会员专属群点击这里加入QQ群
客服邮箱
回到顶部