电脑桌面
添加小米粒文库到电脑桌面
安装后可以在桌面快捷访问

(新)护栏、爬梯相关标准VIP免费

(新)护栏、爬梯相关标准_第1页
1/16
(新)护栏、爬梯相关标准_第2页
2/16
(新)护栏、爬梯相关标准_第3页
3/16
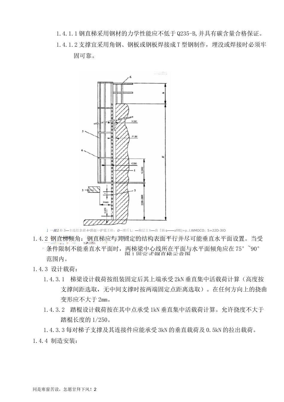
同是寒窗苦读,怎愿甘拜下风!1中华人民共和国国家标准固定式钢梯及平台安全要求1钢直梯:1.1范围本部分规定了固定式钢直梯的设计、制造和安装方面的基本安全要求。本部分适用于工业企业内工作场所中使用的固定式钢直梯(另有标准规定的除外)。1.2规范性引用文件:下列文件中的条款通过本部分的引用而成为本部分的条款。凡是注日期的引用文件,其随后所有的修改单(不包括勘误的内容)或修订版均不适用于本部分。然而,鼓励根据本部分达成协议的各方研究是否可使用这些文件的最新版本。凡是不注日期的引用文件,其最新版本适用于本部分。GB4053.3固定式钢梯及平台安全要求第3部分:工业防护栏杆及钢平台GB50057建筑物防雷设计规范GB50205钢结构工程施工质量验收规范1.3术语和定义1.3.1固定式钢直梯fixedsteelladder:永久性安装在建筑物或设备上,与水平面成75°〜90。倾角主要构件为钢材制造的直梯(见图1)。1.3.2梯梁(梯框)stile(rail):用来安装踏棍或其它横向承载件的梯子侧边构件。1.3.3踏棍rung:供使用者上下梯时脚踩踏的梯子构件。1.3.4护笼(安全护笼)cage(cageguard):安装在梯梁或固定结构上,封闭梯子周围攀登空间防止人员坠落的框架结构。1.3.5支撑support:用来将钢直梯固定在建筑物或设备上的构件。1.3.6(直梯)扶手handrail:钢直梯顶端供攀登者手握的构件。1.3.7内侧净宽度insideclearwidth:两梯梁内侧平行于踏棍测量的距离,简称梯宽。1.3.8梯段高度heightoftheladder:梯子上端基准面至下端基准面间的垂直距离,简称梯高。1.4一般要求:1.4.1材料:由禺中暫略丁样子乏歐图1固定式钢直梯示意图同是寒窗苦读,怎愿甘拜下风!21.4.1.1钢直梯采用钢材的力学性能应不低于Q235-B,并具有碳含量合格保证。1.4.1.2支撑宜采用角钢、钢板或钢板焊接成T型钢制作,埋没或焊接时必须牢固可靠。』一楓2朴3—丰连经拿葩4―窘赵一护览壬杆;G—理斤L:—柳层主h—曲『飾s——afifE|=p..l.WMOCO;5=22D-3tO1.4.2钢直梯倾角:钢直梯应与其固定的结构表面平行并尽可能垂直水平面设置。当受条件限制不能垂直水平面时,两梯梁中心线所在平面与水平面倾角应在75°~90°范围内。1.4.3设计载荷:1.4.3.1梯梁设计载荷按组装固定后其上端承受2kN垂直集中活载荷计算(高度按支撑间距选取,无中间支撑时按两端固定点距离选取)。在任何方向上的挠曲变形应不大于2mm。1.4.3.2踏棍设计载荷按在其中点承受1kN垂直集中活载荷计算。允许挠度不大于踏棍长度的1/250。1.4.3.3每对梯子支撑及其连接件应能承受3kN的垂直载荷及0.5kN的拉出载荷。1.4.4制造安装:同是寒窗苦读,怎愿甘拜下风!31.4.4.1钢直梯应采用焊接连接,焊接要求应符合GB50205的规定。采用其它方式连接时,连接强度应不低于焊接。安装后的梯子不应有歪斜、扭曲、变形及其它缺陷。1.4.4.2制造安装工艺应确保梯子及其所有部件的表面光滑、无锐边、尖角、毛刺或其它可能对梯子使用者造成伤害或妨碍其通过的外部缺陷。1.4.4.3安装在固定结构上的钢直梯,应下部固定,其上部的支撑与固定结构牢固连接,在梯梁上开设长圆孔,采用螺栓连接。1.4.4.4固定在设备上的钢直梯当温差较大时,相邻支撑中应一对支撑完全固定,另一对支撑在梯梁上开设长圆孔,采用螺栓连接。1.4.5防锈及防腐蚀:1.4.5.1固定式钢直梯的设计应使其积留湿气最小,以减少梯子的锈蚀和腐蚀。1.4.5.2根据钢直梯使用场合及环境条件,应对梯子进行合适的防锈及防腐涂装。1.4.5.3在自然环境中使用的梯子,应对其至少涂一层底漆和一层(或多层)面漆;或进行热浸镀锌,或采用等效的金属保护方法。1.4.5.4在持续潮湿条件下使用的梯子,建议进行热浸镀锌,或采用特殊涂层或采用耐腐蚀材料。1.4.6接地:在室外安装的钢直梯和连接部分的雷电保护,连接和接地附件应符合GB50057的要求。1.5结构要求1.5.1支撑间距:1.5.1.1无基础的钢直梯,至少焊两对支撑,将梯梁固定在结构、建筑物或设备上。相邻两对支撑的竖向间距,应根据梯梁截面尺寸、梯子内侧净宽度及其在钢结构或混凝土结构的拉拔载荷特性确定。1.5.1.2当梯梁采用60mmX10mm的扁钢,梯子内侧净宽度为400mm时,相邻两...

1、当您付费下载文档后,您只拥有了使用权限,并不意味着购买了版权,文档只能用于自身使用,不得用于其他商业用途(如 [转卖]进行直接盈利或[编辑后售卖]进行间接盈利)。
2、本站所有内容均由合作方或网友上传,本站不对文档的完整性、权威性及其观点立场正确性做任何保证或承诺!文档内容仅供研究参考,付费前请自行鉴别。
3、如文档内容存在违规,或者侵犯商业秘密、侵犯著作权等,请点击“违规举报”。

碎片内容

(新)护栏、爬梯相关标准

确认删除?
VIP
微信客服
  • 扫码咨询
会员Q群
  • 会员专属群点击这里加入QQ群
客服邮箱
回到顶部