电脑桌面
添加小米粒文库到电脑桌面
安装后可以在桌面快捷访问

EPC工程设计管理VIP免费

EPC工程设计管理_第1页
1/28
EPC工程设计管理_第2页
2/28
EPC工程设计管理_第3页
3/28
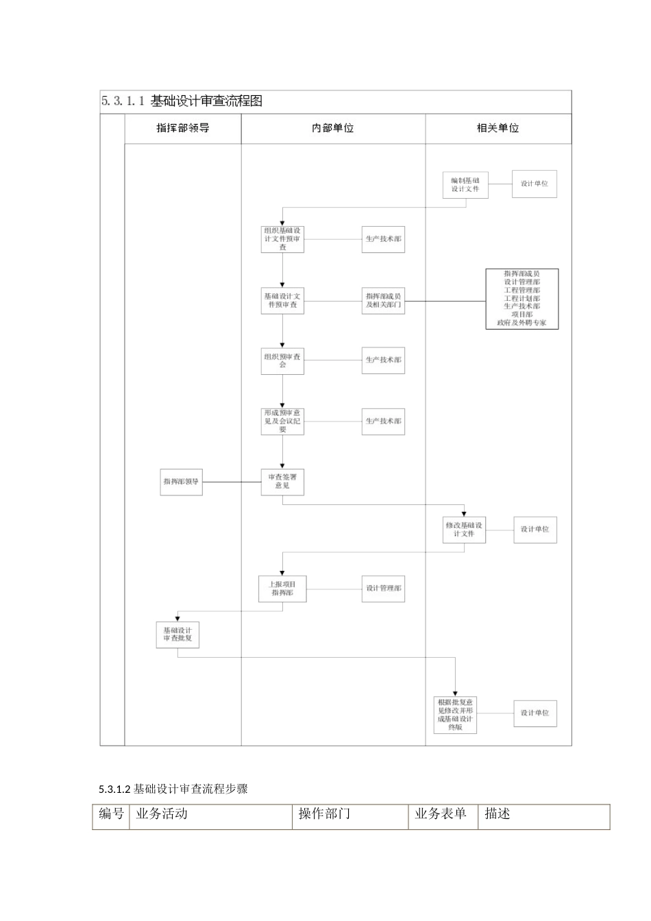
第五章设计管理主要管理思路:抓好“三个重点”、控制“两个关键环节;即重点抓好设计方案的优化、重点抓好总体设计、重点抓好基础设计;控制施工图会审和设计变更管理两个关键环节。5.1目的提高山东神达化工有限公司30万吨/年聚丙烯项目工程建设期间的设计管理水平,明确项目各部门和各相关单位在设计管理方面的职责、工作界面,规范各方的设计管理行为。5.2设计管理界面序号管理内容项目指挥部设计管理部工程管理部生产技术部工程计划部采购部项目部财务部审计部设计单位施工单位监理单位5.3设计管理流程设计管理流程分审查流程图、审查流程步骤、审查业务表单三部分。5.3.1基础设计审查流程5.3.1.1基础设计审查流程图1基础设计审查审批审查审查组织审查审查审查审查审查编制2施工图设计交底及会审组织审查审查审查审查审查审查编制审查审查3设计变更审批管理审查审查组织审批申请审核申请申请审核审核编制申请审核4供应商返设计条件组织审查审查审查审查执行审查审查5工程地质勘察组织配合配合配合编制5.3.1.2基础设计审查流程步骤编号业务活动操作部门业务表单描述1编制基础设计文件设计单位2组织基础设计文件审查生产技术部3基础设计文件预审查指挥部成员各职能部门项目部基础设计预审查意见表生产技术部负责组织文件内容审查,财务部负责概算审查4组织预审查会生产技术部5形成预审查意见及会议纪要生产技术部6审查签署意见指挥部执行副总指挥7修改基础设计文件设计单位8基础设计上报项目指挥部审查生产技术部9基础设计审查批复项目指挥部10根据批复意见修改并形成基础设计终版设计单位5.3.2施工图设计交底及会审流程5.3.2.1施工图设计交底会审流程图5.3.2.2施工图设计交底及会审流程步骤编号业务活动操作部门业务表单描述1编制施工图设计文件设计单位2收集整理施工图设计文件报设计管理部项目部3审核、下发施工图设计文件设计管理部4组织相关单位预审设计管理部5预审查意见报设计管理部及设计单位,确定审查方式项目部6根据预审意见编制交底提纲设计单位7组织施工图设计交底项目部施工图交底记录8组织施工图符合性审查项目部施工图交底记录9组织施工图技术性会审项目部施工图交底记录10形成交底、会审记录,会议纪要项目部12审核发送纪要,资料归档项目部13修改施工图或设计变更设计单位注1、根据项目规模及提供的施工图情况,设计交底、符合性审查和技术会审可分别或合并进行。2、对于建筑工程,审核部门为工程管理部。5.3.2.3施工图设计交底及会审流程业务表单(项目名称)施工图交底记录第页共页单项工程名称:单项工程编号:单位工程名称单位工程编号会议地点会议时间主持人记录人参加单位及人员施工图设计交底内容:(可附页说明)建设单位监理单位总承包单位设计单位施工单位项目部负责人:生产技术部负责人:工程管理部负责人:设计管理部负责人:工程计划部负责人:年月日监理工程师:年月日技术负责人:年月日代表:年月日技术负责人:年月日(项目名称)施工图审查记录(符合性审查)单项工程名称:单项工程编号:单位工程名称单位工程编号会审记录内容序号与初步设计的差异及说明审查处理意见建设单位监理单位总承包单位设计单位施工单位项目部负责人:生产技术部负责人:工程管理部负责人:设计管理部负责人:工程计划部负责人:(项目公章)年月日监理工程师:(项目公章)年月日技术负责人:(项目公章)年月日代表:(公章)年月日技术负责人:(公章)年月日(项目名称)施工图审查记录单项工程名称:单项工程编号:(技术性审查)单位工程名称单位工程编号会审记录内容图号会审问题说明问题类别处理意见重大一般建设单位监理单位总承包单位设计单位施工单位项目部负责人:生产技术部负责人:工程管理部负责人:设计管理部负责人:工程计划部负责人:(项目公章)年月日监理工程师:(项目公章)年月日技术负责人:(项目公章)年月日代表:(公章)年月日技术负责人:(公章)年月日5.3.2.4设计管理部档案管理规定第一章总则第一条目的为了规范神达、昊达项目建设文件的归档管理,实现档案管理的规范化、制度化,特制定本办法。第二条适用范围本办法适用于神达、...

1、当您付费下载文档后,您只拥有了使用权限,并不意味着购买了版权,文档只能用于自身使用,不得用于其他商业用途(如 [转卖]进行直接盈利或[编辑后售卖]进行间接盈利)。
2、本站所有内容均由合作方或网友上传,本站不对文档的完整性、权威性及其观点立场正确性做任何保证或承诺!文档内容仅供研究参考,付费前请自行鉴别。
3、如文档内容存在违规,或者侵犯商业秘密、侵犯著作权等,请点击“违规举报”。

碎片内容

EPC工程设计管理

您可能关注的文档

确认删除?
VIP
微信客服
  • 扫码咨询
会员Q群
  • 会员专属群点击这里加入QQ群
客服邮箱
回到顶部