电脑桌面
添加小米粒文库到电脑桌面
安装后可以在桌面快捷访问

2018年EHS工作计划-与方案VIP免费

2018年EHS工作计划-与方案_第1页
1/5
2018年EHS工作计划-与方案_第2页
2/5
2018年EHS工作计划-与方案_第3页
3/5
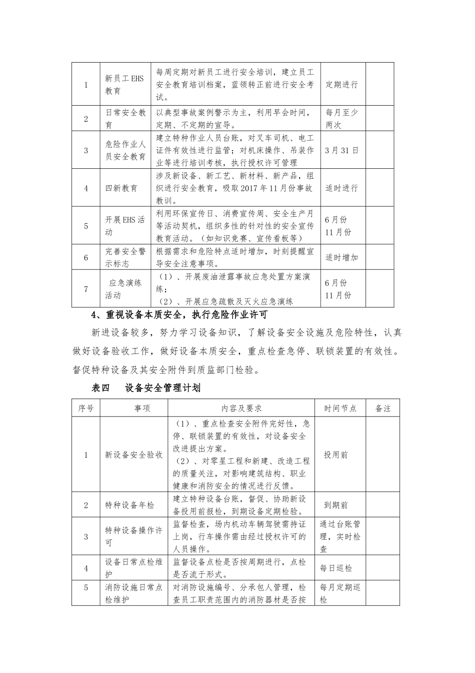
888有限公司2018年度EHS工作计划及方案为保证企业EHS工作有序开展,找准安全工作重点,明确工作目标,促进EHS工作有效推进,努力达成集团公司各项EHS相关考核指标,确保各类人员人身安全及公司财产安全,特制定本计划。2018年我公司作为敏实集团的一名新成员,主要任务,一是要秉承集团公司及塑件开发中心的优良传统,充分吸收和借鉴过往管理经验,完善自身的EHS体系建设。二是要结合自身“边建设、边生产”的特点,在安全环保设施的设计、布置、选型上要有明显的改善和提高,更好的在“打造本质安全型企业,保障员工安全和健康”做文章。一、2018年EHS管理关键控制目标1、可记录以上工伤事故<1起(工伤损失工时数在集团公司要求的管控范围内);2、不发生直接经济损失5000元以上的财产损失(含火灾、安全事故、环境污染意外事故处理等损失费用);3、不发生相关方(员工、周边企业、上级公司、政府行政主管部门)安全、环保、职业健康方面投诉、处罚事件。二、主要工作内容及要求1、落实EHS“三同时”,确保合法合规作为一个新企业,2018年要做好安全、环保、职业健康、消防方面的“三同时”工作,确保企业合法合规运营,不被政府相关部门处罚。尽快搭建与相关部门的沟通渠道,获取及时、准确的政策法规信息。具体事项如下:表一合法合规手续办理事项列表2、提高全员EHS责任意识,促进全员参与EHS管理,全面推进安全标准化针对小河新员工较多,安全管理力量相对较薄弱的特点,应通过多种途径和策略,努力提高全员安全意识,发动和鼓励全员参与安全管理工作。同时借助“他山之石”,吸收和借鉴兄弟公司好的管理经验和做法,推进安全标准化,具体事项如下:表二全员EHS责任意识提升措施序号事项内容及要求时间节点备注1成立EHS管理委员会领导带队参与管理1月15日2建立健全EHS管理制度,细化安全生产责任明确每一个岗位的EHS责任,树立“我的工作区域安全我负责的”主人翁意识。1月31日3落实EHS绩效考核将安全、5S考核纳入员工绩效考核,直接影响绩效收入1月31日4搭建EHS建议、检举途径鼓励员工对EHS行使建议检举权,开展一次合理化建议活动6月30日5通过三级安全标准化企业建设及评审借助第三方服务机构,切实有效推进安全管理水平。12月31日3、坚持一人为本,抓好EHS教育培训工作“持续有效的培训教育是安全工作的重要保障”,这是集团企业安全文化中提到的安全五原则之一,作为新建工厂,更应该坚定不移的执行。一方面要使安全教育培训工作常态化,另一方面要开展丰富多彩的教育宣导形势,提高员工的学习兴趣,保证教育宣导效果,2018年计划开展以下安全教育活动:表三EHS教育培训工作开展计划表序号事项内容及要求时间节点备注序号事项内容及要求时间节点备注1消防验收(1)、督促房东及时完善车间内消防器材,推进消防验收通过;(2)、收集验收后的备案证明资料。2月28日2环保验收(1)、环评报告表批复取得;(2)、环保设施验收批复。1月31日5月31日3防雷验收要求房东办理并提供防雷设施验收报告,留底备案。5月份4职业因素评价取得第三方职业因素评价报告满负荷生产前1新员工EHS教育每周定期对新员工进行安全培训,建立员工安全教育培训档案,蓝领转正前进行安全考试。定期进行2日常安全教育以典型事故案例警示为主,利用早会时间,定期、不定期的宣导。每月至少两次3危险作业人员安全教育建立特种作业人员台账,对叉车司机、电工证件有效性进行监管;对机床操作、吊装作业等进行培训考核,执行授权许可管理3月31日4四新教育涉及新设备、新工艺、新材料、新产品,组织进行安全教育,吸取2017年11月份事故教训。适时进行5开展EHS活动利用环保宣传日、消费宣传周、安全生产月等活动契机,组织多性的针对性的安全宣传教育活动。(如知识竞赛、宣传看板等)6月份11月份6完善安全警示标志根据需求和危险特点适时增加,时刻提醒宣导安全注意事项。适时增加7应急演练活动(1)、开展废油泄露事故应急处置方案演练;(2)、开展应急疏散及灭火应急演练6月份11月份4、重视设备本质安全,执行危险作业许可新进设备较多,努力学习设备知识,了解设备安全设施及危险特性,认真做好设备验收工...

1、当您付费下载文档后,您只拥有了使用权限,并不意味着购买了版权,文档只能用于自身使用,不得用于其他商业用途(如 [转卖]进行直接盈利或[编辑后售卖]进行间接盈利)。
2、本站所有内容均由合作方或网友上传,本站不对文档的完整性、权威性及其观点立场正确性做任何保证或承诺!文档内容仅供研究参考,付费前请自行鉴别。
3、如文档内容存在违规,或者侵犯商业秘密、侵犯著作权等,请点击“违规举报”。

碎片内容

2018年EHS工作计划-与方案

确认删除?
VIP
微信客服
  • 扫码咨询
会员Q群
  • 会员专属群点击这里加入QQ群
客服邮箱
回到顶部