电脑桌面
添加小米粒文库到电脑桌面
安装后可以在桌面快捷访问

纸箱跌落试验方法-规范性文件VIP免费

纸箱跌落试验方法-规范性文件_第1页
1/5
纸箱跌落试验方法-规范性文件_第2页
2/5
纸箱跌落试验方法-规范性文件_第3页
3/5
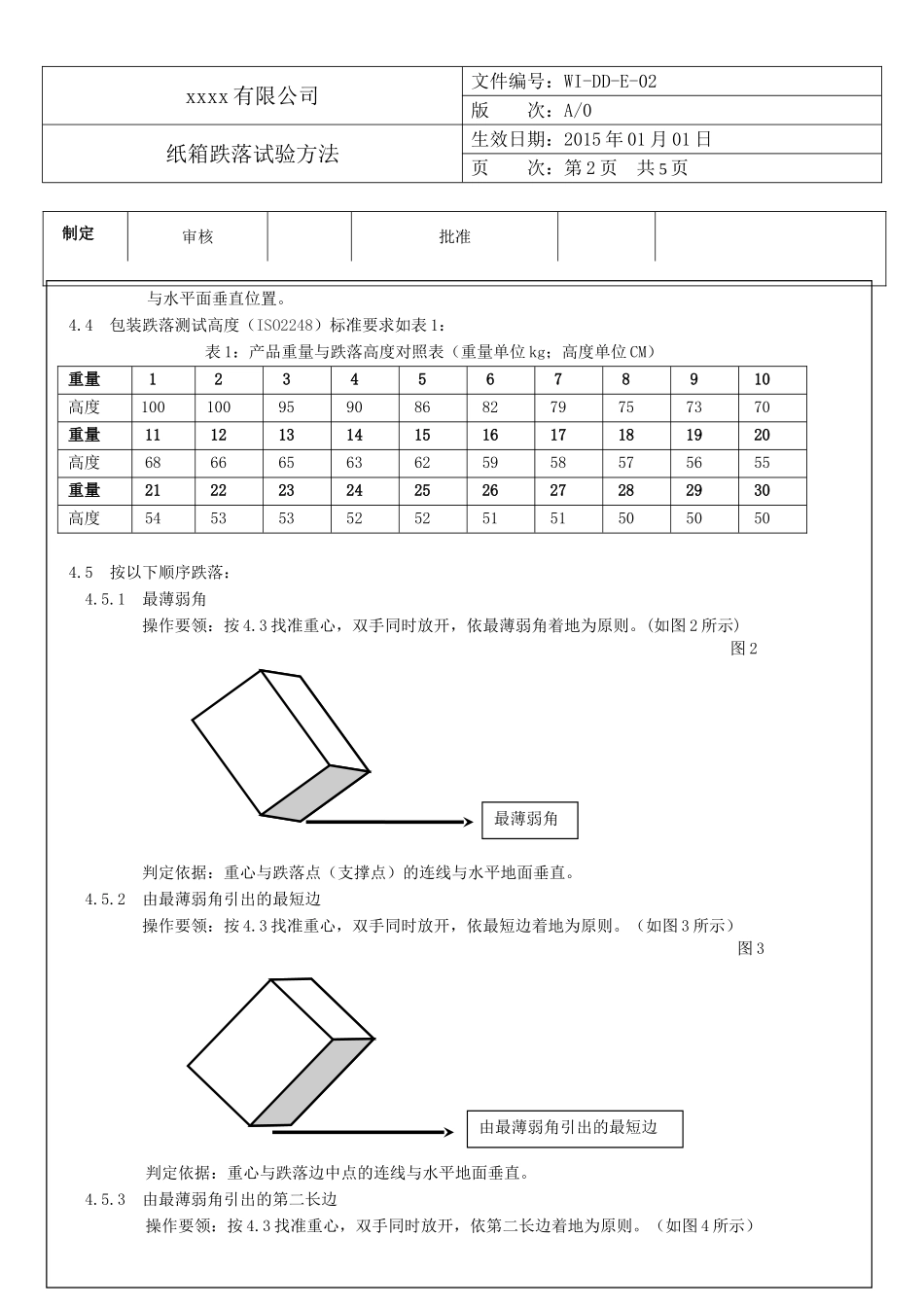
xxxx有限公司文件编号:WI-DD-E-02版次:A/0纸箱跌落试验方法生效日期:2015年01月01日页次:第1页共5页1、目的用来测试、评估产品在生产、使用、存贮、运输过程中可能遇到的意外跌落、冲击压力及震动时现时包装方法及材料能否提供有效保护、及验证产品各结构或部件的耐冲击强度,规范本公司产品的包装,使其能够承受运输过程中可能遭受的冲击。2、范围适用本公司使用的所有包装纸箱。3、引用标准美国安全运输协会(NSTA)标准、ISO2248标准。4、试验程序4.1测试前确认及基本要求。4.1.1确认测试样品的数据(表面处理、产品完好度等)完全正常。4.1.2确认测试样品的重量。4.1.3跌落地面要求平整、坚硬比如大理石地板或水泥地面。4.1.4测试样品跌落的重心应垂直于跌落地面。4.1.5跌落过程为自由落体过程,测试样品跌落过程中反弹时应无任何障碍物阻挡。4.1.6从事跌落测试的操作人员应事先经过培训,要求身体站直,两腿迈开的距离与肩部平直,双臂伸直,双手抓稳测试样品并同时放开。4.1.7跌落测试的顺序必须是一点三边六面4.2测试样品最薄弱角的选择从正面观察测试样品纸箱。纸箱接缝处位于观察者的右侧,顺着接缝线下来的右下角被认为是最薄弱角,此角为跌落测试的一角。(如图1所示)图1注:亦可以根据样品自身结构特点,以样品相对最薄弱角作为跌落测试的一个角。4.3测试样品重心的判断4.3.1判定依据:重心与跌落点(支撑点)的连线与水平地面垂直。4.3.2判定方法:①将测试样品的一角支撑于地面,用一个手指扶住测试样品恰好使其不翻倒的位置为重心与水平面垂直位置。②将测试样品的一棱支撑于地面,用一个手指扶住测试样品恰好使其不翻倒的位置为重心与水平面垂纸箱接缝线顺着接缝线下来的右下角xxxx有限公司文件编号:WI-DD-E-02版次:A/0纸箱跌落试验方法生效日期:2015年01月01日页次:第2页共5页审核批准与水平面垂直位置。4.4包装跌落测试高度(ISO2248)标准要求如表1:表1:产品重量与跌落高度对照表(重量单位kg;高度单位CM)重量12345678910高度1001009590868279757370重量11121314151617181920高度68666563625958575655重量21222324252627282930高度545353525251515050504.5按以下顺序跌落:4.5.1最薄弱角操作要领:按4.3找准重心,双手同时放开,依最薄弱角着地为原则。(如图2所示)图2判定依据:重心与跌落点(支撑点)的连线与水平地面垂直。4.5.2由最薄弱角引出的最短边操作要领:按4.3找准重心,双手同时放开,依最短边着地为原则。(如图3所示)图3判定依据:重心与跌落边中点的连线与水平地面垂直。4.5.3由最薄弱角引出的第二长边操作要领:按4.3找准重心,双手同时放开,依第二长边着地为原则。(如图4所示)最薄弱角由最薄弱角引出的最短边制定xxxx有限公司文件编号:WI-DD-E-02版次:A/0纸箱跌落试验方法生效日期:2015年01月01日页次:第3页共5页图4判定依据:重心与跌落边中点的连线与水平地面垂直。4.5.4由最薄弱角引出的最长边;操作要领:按4.3找准重心,双手同时放开,依最长边着地为原则。(如图5所示)图5判定依据:重心与跌落边中点的连线与水平地面垂直。4.5.5最小面操作要领:按4.3找准重心,双手同时放开,依最小面着地为原则。(如图6所示)图6判定依据:跌落面与跌落地面平行。4.5.6另一最小平面操作要领:按4.3找准重心,双手同时放开,依最薄弱角对应的最小面着地为原则。(如图7所示)由最薄弱角引出的第二长边最薄弱角由最薄弱角引出的最长边最薄弱角所在的最小面xxxx有限公司文件编号:WI-DD-E-02版次:A/0纸箱跌落试验方法生效日期:2015年01月01日页次:第4页共5页图7判定依据:跌落面与跌落地面平行。4.5.7第二大面操作要领:按4.3找准重心,双手同时放开,依第二大面着地为原则。(如图所示8)图8判定依据:跌落面与跌落地面平行。4.5.8另一第二大面;操作要领:按4.3找准重心,双手同时放开,依第二大面着地为原则。(如图9所示)图9判定依据:跌落面与跌落地面平行。4.5.9最大平面;操作要领:按4.3找准重心,双手同时放开,依第大面着地为原则。(如图所示10)最薄弱角对应的最小面最薄弱角所在的第二大面最薄弱角对应的第二大面xxx...

1、当您付费下载文档后,您只拥有了使用权限,并不意味着购买了版权,文档只能用于自身使用,不得用于其他商业用途(如 [转卖]进行直接盈利或[编辑后售卖]进行间接盈利)。
2、本站所有内容均由合作方或网友上传,本站不对文档的完整性、权威性及其观点立场正确性做任何保证或承诺!文档内容仅供研究参考,付费前请自行鉴别。
3、如文档内容存在违规,或者侵犯商业秘密、侵犯著作权等,请点击“违规举报”。

碎片内容

纸箱跌落试验方法-规范性文件

一米阳光+ 关注
实名认证
内容提供者

爱好英语教学和互联网行业,热爱教育事业,兢兢业业

确认删除?
VIP
微信客服
  • 扫码咨询
会员Q群
  • 会员专属群点击这里加入QQ群
客服邮箱
回到顶部