电脑桌面
添加小米粒文库到电脑桌面
安装后可以在桌面快捷访问

案例分析——污染类VIP免费

案例分析——污染类_第1页
1/14
案例分析——污染类_第2页
2/14
案例分析——污染类_第3页
3/14
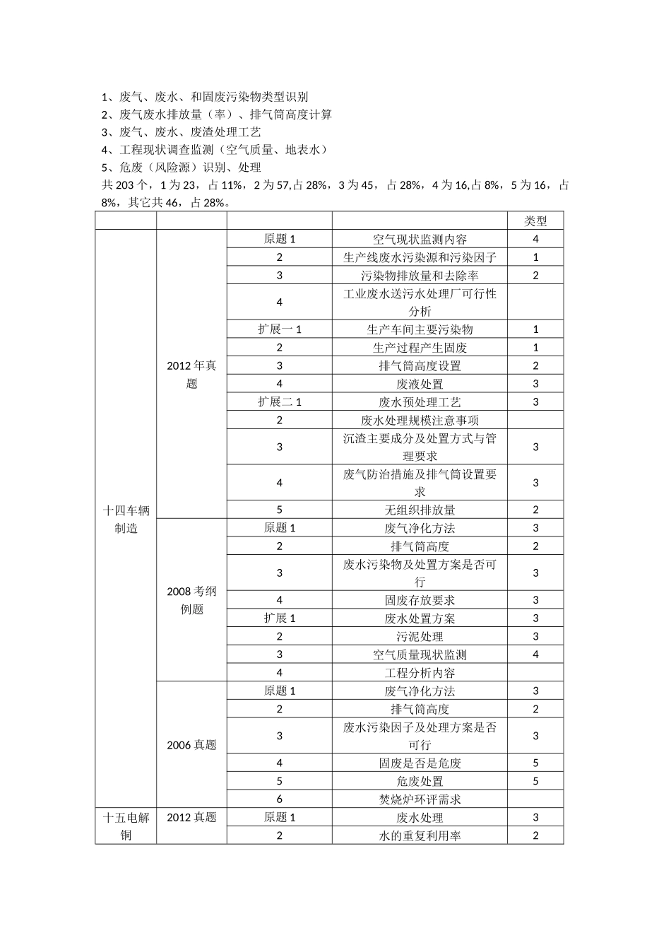
1、废气、废水、和固废污染物类型识别2、废气废水排放量(率)、排气筒高度计算3、废气、废水、废渣处理工艺4、工程现状调查监测(空气质量、地表水)5、危废(风险源)识别、处理共203个,1为23,占11%,2为57,占28%,3为45,占28%,4为16,占8%,5为16,占8%,其它共46,占28%。类型十四车辆制造2012年真题原题1空气现状监测内容42生产线废水污染源和污染因子13污染物排放量和去除率24工业废水送污水处理厂可行性分析扩展一1生产车间主要污染物12生产过程产生固废13排气筒高度设置24废液处置3扩展二1废水预处理工艺32废水处理规模注意事项3沉渣主要成分及处置方式与管理要求34废气防治措施及排气筒设置要求35无组织排放量22008考纲例题原题1废气净化方法32排气筒高度23废水污染物及处置方案是否可行34固废存放要求3扩展1废水处置方案32污泥处理33空气质量现状监测44工程分析内容2006真题原题1废气净化方法32排气筒高度23废水污染因子及处理方案是否可行34固废是否是危废55危废处置56焚烧炉环评需求十五电解铜2012真题原题1废水处理32水的重复利用率23废气排放评价需求4危废类型5扩展1水的重复利用率22废气废水特征污染因子13估算铜的浓度方法34清洁生产措施十六铅酸蓄电池2012真题原题1现有工序环境问题2工程分析关注焦点3工艺中主要污染物14烟尘去除率计算2扩展一1监测环境要素42公众参与内容3空气监测特征污染物14废水排放前提条件5以新带老环保措施3扩展二1计算烟尘三本账22水污染物三本账23属于《工业炉窑》排放废气标准4卫生防护距离和大气环境防护距离设置十七纺织印染案例2011真题原题1COD去除率计算22水的重复利用率计算23废水回用方案34计算大气环境防护距离所需源参数5噪声达标计算2扩展1方案合理比较2废气达标计算2十八硫酸铜生产2011真题原题1废液贮存措施32绘制氯化铵平衡图3废气净化措施34废水氨氮达标排放情况2扩展1本项目风险源及风险事故52对河流影响调查43废渣是否可以进入生活垃圾填埋场34某工段废水监测指标2十九焦化项目2010真题原题1废水和固废处置要求32列出本项目危废53大气特征污染物14计算某工序中硫含量25列出项目中风险物质52008年真题原题1竣工验收调查内容2大气监测污染物13污水处理厂验收监测34脱硫装置监测35试生产数据时候可作为验收依据二十电子元器件生产2010年真题原题1废水废气特征污染因子12废水排放是否达标23污泥处置要求24废气达标情况计算22009年真题原题1废气排放达标情况22废水污染物去除率计算23废水处理方案是否合理34水环境影响评价调查42007年真题原题1环境空气监测因子12废气净化效率计算23废气排放达标情况计算24本项目危废种类及处置是否合理55废水处理3二十一医药与石化项目2013真题原题1大气特征污染因子12废气排放速率23废气二次污染物及对策2/34污水处理方案35废气排放影响现状调查4扩展1工程分析重点2污泥能否直接进入生活垃圾填埋场52010真题原题1废水污染物去除32废水处理方案33固废贮存34恶臭防治措施35废水污染物监测需求4扩展1现状调查内容42已有规划,现状环评简化内容3项目风险源54环境风险预案55本项目与工业区规划的符合性2009年真题原题1污染物平衡图2主要污染物及监控部位13风险类型和风险源项分析内容54物料计算25大气特征污染因子1扩展1总量控制考虑指标12工业污泥能否农用53列出主要物料衡算24最低排气筒高度25固废临时贮存条件32008年真题原题1布局合理性分析2大气和水特征污染因子13重大危险源和环保目标54河流监测断面位置45COD计算22007年真题原题1竣工验收内容2废水监测点和监测频次43竣工验收依据4验收监测水断面位置45验收监测条件6改扩建存在的问题2006年真题原题1污水处理厂环境影响2污水排放排放标准23污染物浓度计算24恶臭处理措施35固废临时存放36河流污染物预测需要数据2005年真题原题1废水排放判断22COD浓度计算23COD去除率计算124COD去除率计算225焚烧炉环评内容扩展1公众公示信息2地下水现状调查内容43焚烧炉污染调查44固废填埋措施35环保目标二十二火电案例2013年真题原题1优化用水方案2项目重大危险源53大气污染物排放计算24除尘效率计算25酸碱废水处理方式32009年真题原题1二氧化硫排...

1、当您付费下载文档后,您只拥有了使用权限,并不意味着购买了版权,文档只能用于自身使用,不得用于其他商业用途(如 [转卖]进行直接盈利或[编辑后售卖]进行间接盈利)。
2、本站所有内容均由合作方或网友上传,本站不对文档的完整性、权威性及其观点立场正确性做任何保证或承诺!文档内容仅供研究参考,付费前请自行鉴别。
3、如文档内容存在违规,或者侵犯商业秘密、侵犯著作权等,请点击“违规举报”。

碎片内容

案例分析——污染类

确认删除?
VIP
微信客服
  • 扫码咨询
会员Q群
  • 会员专属群点击这里加入QQ群
客服邮箱
回到顶部