电脑桌面
添加小米粒文库到电脑桌面
安装后可以在桌面快捷访问

自来水管道安装工程施工组织设计VIP免费

自来水管道安装工程施工组织设计_第1页
1/27
自来水管道安装工程施工组织设计_第2页
2/27
自来水管道安装工程施工组织设计_第3页
3/27
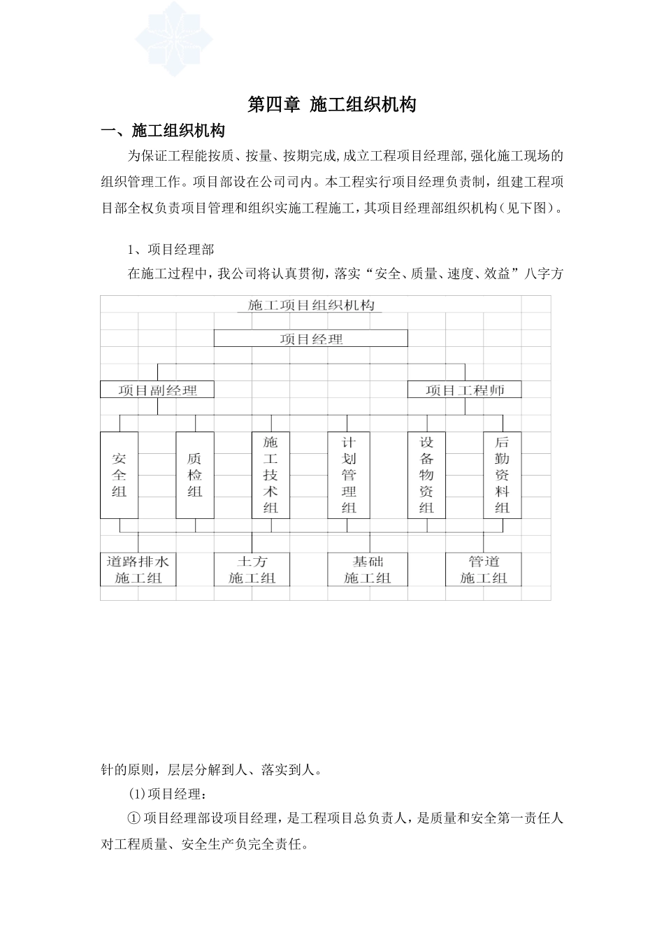
目录第一章编制依据.....................................................2第二章工程概况.....................................................2第三章工程目标.....................................................2一、工程质量目标:.................................................2二、工期目标:.....................................................2三、现场管理目标:.................................................2第四章施工组织机构.................................................3一、施工组织机构..................................................3二、质量管理领导小组..............................................6三、安全管理领导小组..............................................6第五章施工方案.....................................................8二、施工准备.....................................................9第六章针对本工程采用的措施........................................18一、特殊措施:...................................................18二、季节性施工措施...............................................20三、质量保证措施.................................................21四、工期保证措施.................................................23五、安全生产和文明施工...........................................24第一章编制依据金湖县自来水公司第二水厂配套管网工程:建设路(双楼路—八四大道)工程施工组织设计根据以下资料及相关信息组织编写:1.工程设计图纸;2.工程招标文件;我单位根据上述有关资料和现场踏勘,结合现场实际情况,经深入调查研究,并结合我单位多年的施工实践,由具有丰富施工实践经验和管理经验的工程技术人员编制而成。第二章工程概况本工程为金湖县自来水公司第二水厂配套管网工程:建设路(双楼路—八四大道)。第三章工程目标一、工程质量目标:本工程的质量标准为合格。我公司承诺工程质量目标为“合格”,力争优良我单位要充分发挥自身企业的优势,本着“质量就是生命”的宗旨,严格按照质量管理模式组织施工,成立过硬的项目经理部,全面履行施工合同及对甲方的承诺,保证工程目标的实现。二、工期目标:本工程的工期要求:计划总工期为30日历天,我公司投标工期为30日历天。我项目经理部将合理安排施工顺序,周密安排周计划和日计划,与监督方密切配合,确保工程按期完工。三、现场管理目标:施工现场按文明安全工地标准进行布置和管理,确保工地安全文明施工。四、安全施工目标:工伤事故频率低于2‰,确保无重大伤亡事故,不死亡、不倒塌、不中毒;确保无重大管线损坏事故。贯彻“安全第一,预防为主”的安全生产方针,坚持管生产必须管安全的原则。第四章施工组织机构一、施工组织机构为保证工程能按质、按量、按期完成,成立工程项目经理部,强化施工现场的组织管理工作。项目部设在公司司内。本工程实行项目经理负责制,组建工程项目部全权负责项目管理和组织实施工程施工,其项目经理部组织机构(见下图)。1、项目经理部在施工过程中,我公司将认真贯彻,落实“安全、质量、速度、效益”八字方针的原则,层层分解到人、落实到人。(1)项目经理:①项目经理部设项目经理,是工程项目总负责人,是质量和安全第一责任人对工程质量、安全生产负完全责任。②对业主负责。及时贯彻设计和监理工程师制订的技术和管理文件,组织职工认真学习和有效运用。③保证按照质量保证手册所规定的和承诺的去做。④加强内部行动的统一与团结,调动一切积极因素实现“安全第一,质量第一”的方针。(2)项目副经理:对工程项目经理负责,协助项目经理全面负责工程施工组织管理工作和外部联络工作。(3)项目工程师:对工程项目经理负责,负责施工全过程的技术和质量管理工作,负责和甲方工程管理处和设计单位的技术工作联络。2、安全、质检组安全、质检组设安全、质检组长,对项目经理负责,对安全质量保证体系的建设和运行负直接责任。分管安全保证和质量保证,其职责主要是全...

1、当您付费下载文档后,您只拥有了使用权限,并不意味着购买了版权,文档只能用于自身使用,不得用于其他商业用途(如 [转卖]进行直接盈利或[编辑后售卖]进行间接盈利)。
2、本站所有内容均由合作方或网友上传,本站不对文档的完整性、权威性及其观点立场正确性做任何保证或承诺!文档内容仅供研究参考,付费前请自行鉴别。
3、如文档内容存在违规,或者侵犯商业秘密、侵犯著作权等,请点击“违规举报”。

碎片内容

自来水管道安装工程施工组织设计

您可能关注的文档

确认删除?
VIP
微信客服
  • 扫码咨询
会员Q群
  • 会员专属群点击这里加入QQ群
客服邮箱
回到顶部