电脑桌面
添加小米粒文库到电脑桌面
安装后可以在桌面快捷访问

中间验收记录表VIP免费

中间验收记录表_第1页
1/6
中间验收记录表_第2页
2/6
中间验收记录表_第3页
3/6
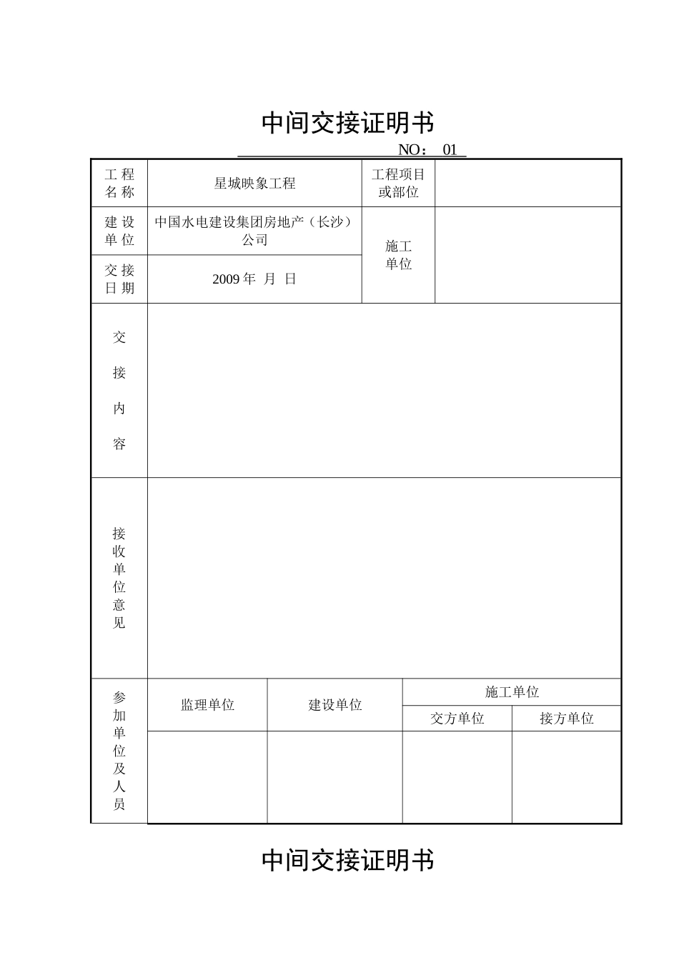
中间验收记录表NO:工程名称工程项目或部位建设单位施工单位验收日期年月日验收内容验质收量意情见况及参加单位及人员监理单位建设单位设计单位施工单位中间交接证明书NO:01工程名称星城映象工程工程项目或部位建设单位中国水电建设集团房地产(长沙)公司施工单位交接日期2009年月日交接内容接收单位意见参加单位及人员监理单位建设单位施工单位交方单位接方单位中间交接证明书NO:01工程名称星城映象6#、12#栋工程项目或部位基坑地胎膜及防水保护层建设单位中国水电建设集团房地产(长沙)公司施工单位湖南省第六工程有限公司交接日期2009年05月02日交接内容范围:6#、12#栋承台及地梁、底板外边砖模及垫层、防水保护层验收内容:1、底板垫层的平整度2、承台及地梁轴线位置及尺寸3、卫生、承台内的积水清理情况4、承台及地梁的阴阳角处是否已做圆弧粉灰处理。接收单位意见参加单位及人员监理单位建设单位施工单位交方单位接方单位中间交接证明书NO:01工程名称星城映象6#栋工程项目或部位基坑地胎膜防水建设单位中国水电建设集团房地产(长沙)公司施工单位湖南省第六工程有限公司交接日期2009年04月10日交接内容范围:1#栋承台及地梁、底板外边砖模及垫层验收内容:1、底板垫层的平整度2、承台及地梁轴线位置及尺寸3、卫生、承台内的积水清理情况4、承台及地梁的阴阳角处是否已做圆弧粉灰处理。接收单位意见参加单位及人员监理单位建设单位施工单位交方单位接方单位中间交接证明书NO:01工程名称星城映象5#栋工程项目或部位基坑地胎膜防水建设单位中国水电建设集团房地产(长沙)公司施工单位湖南省第六工程有限公司交接日期2009年04月10日交接内容范围:1#栋承台及地梁、底板外边砖模及垫层验收内容:1、底板垫层的平整度2、承台及地梁轴线位置及尺寸3、卫生、承台内的积水清理情况4、承台及地梁的阴阳角处是否已做圆弧粉灰处理。接收单位意见参加单位及人员监理单位建设单位施工单位交方单位接方单位中间交接证明书NO:01工程名称火星北路浏阳河大桥主桥工程工程项目或部位桥面防水建设单位火星大道北段和月湖公园建设指挥部施工单位湖南省建筑工程集团总公司交接日期2007年10月31日交接内容主桥桥面防水,共计3492m2,在桥面混凝土现浇层喷一层DPS渗透型刚性防水材料,再在其上喷、涂、滚各一层RMO柔性防水材料。桥面表面平整,涂刷厚度均匀一致,无漏涂处,满足设计和规范要求,可进入下道工序施工。进入下道工序施工时,不能破坏RMO柔性防水层。接收单位意见参加单位及人员监理单位建设单位设计单位施工单位交方单位接方单位

1、当您付费下载文档后,您只拥有了使用权限,并不意味着购买了版权,文档只能用于自身使用,不得用于其他商业用途(如 [转卖]进行直接盈利或[编辑后售卖]进行间接盈利)。
2、本站所有内容均由合作方或网友上传,本站不对文档的完整性、权威性及其观点立场正确性做任何保证或承诺!文档内容仅供研究参考,付费前请自行鉴别。
3、如文档内容存在违规,或者侵犯商业秘密、侵犯著作权等,请点击“违规举报”。

碎片内容

中间验收记录表

确认删除?
VIP
微信客服
  • 扫码咨询
会员Q群
  • 会员专属群点击这里加入QQ群
客服邮箱
回到顶部