电脑桌面
添加小米粒文库到电脑桌面
安装后可以在桌面快捷访问

工程概况信息表VIP免费

工程概况信息表_第1页
1/3
工程概况信息表_第2页
2/3
工程概况信息表_第3页
3/3
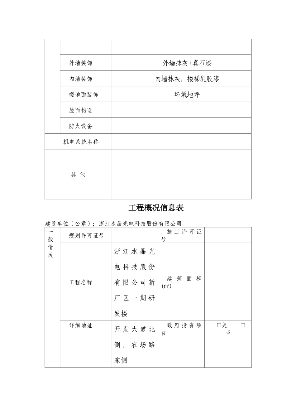
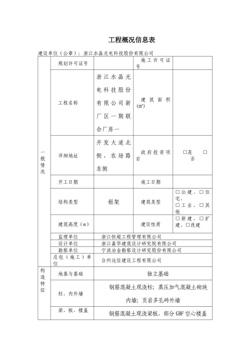
工程概况信息表建设单位(公章):浙江水晶光电科技股份有限公司一般情况规划许可证号施工许可证号工程名称浙江水晶光电科技股份有限公司新厂区一期联合厂房一建筑面积(㎡)详细地址开发大道北侧,农场路东侧政府投资项目□是□否开工日期竣工日期结构类型框架建筑类型□公建、□住宅、□工业、□其他建筑高度(m)建设性质□新建、□扩建、□改建监理单位浙江恒超工程管理有限公司设计单位浙江嘉华建筑设计研究院有限公司勘察单位宁波冶金勘察设计研究股份有限公司总包(施工)单位台州远信建设工程有限公司构造特征地基与基础独立基础柱、内外墙钢筋混凝土现浇柱;蒸压加气混凝土砌块内墙;页岩多孔砖外墙梁、板、楼盖钢筋混凝土现浇梁板,部分GBF空心楼盖外墙装饰外墙抹灰+真石漆内墙装饰内墙抹灰,楼梯乳胶漆楼地面装饰环氧地坪屋面构造防火设备机电系统名称其他工程概况信息表建设单位(公章):浙江水晶光电科技股份有限公司一般情况规划许可证号施工许可证号工程名称浙江水晶光电科技股份有限公司新厂区一期研发楼建筑面积(㎡)详细地址开发大道北侧,农场路东侧政府投资项目□是□否开工日期竣工日期结构类型框剪结构建筑类型□公建、□住宅、□工业、□其他建筑高度(m)建设性质□新建、□扩建、□改建监理单位浙江恒超工程管理有限公司设计单位浙江嘉华建筑设计研究院有限公司勘察单位宁波冶金勘察设计研究股份有限公司总包(施工)单位台州远信建设工程有限公司构造特征地基与基础筏形基础柱、内外墙钢筋混凝土现浇柱;蒸压加气混凝土砌块内外墙;地下室页岩多孔砖内墙梁、板、楼盖钢筋混凝土现浇梁板外墙装饰真石漆、玻璃幕墙、石材幕墙内墙装饰保温砂浆楼地面装饰细石砼屋面构造防火设备机电系统名称其他

1、当您付费下载文档后,您只拥有了使用权限,并不意味着购买了版权,文档只能用于自身使用,不得用于其他商业用途(如 [转卖]进行直接盈利或[编辑后售卖]进行间接盈利)。
2、本站所有内容均由合作方或网友上传,本站不对文档的完整性、权威性及其观点立场正确性做任何保证或承诺!文档内容仅供研究参考,付费前请自行鉴别。
3、如文档内容存在违规,或者侵犯商业秘密、侵犯著作权等,请点击“违规举报”。

碎片内容

工程概况信息表

确认删除?
VIP
微信客服
  • 扫码咨询
会员Q群
  • 会员专属群点击这里加入QQ群
客服邮箱
回到顶部