电脑桌面
添加小米粒文库到电脑桌面
安装后可以在桌面快捷访问

安全科人员职责分工 VIP免费

安全科人员职责分工 _第1页
1/2
安全科人员职责分工 _第2页
2/2
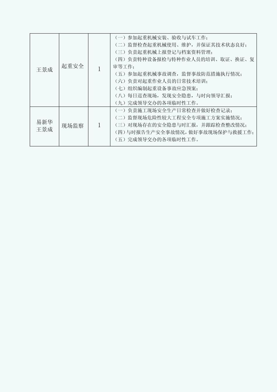
安全科人员职责分工姓名岗位人数主要职责谷令赞科长1(一)贯彻落实国家有关安全生产法规和标准;(二)组织制定公司安全生产管理制度并监督实施;(三)编制公司生产安全事故应急救援预案并组织演练;(四)保证公司安全生产费用的有效使用;(五)组织编制危险性较大工程安全专项施工方案;(六)开展公司员工安全教育培训;(七)组织实施公司安全检查和隐患排查;(八)建立公司安全生产管理档案;(九)负责公司特种作业人员、特种设备审、检工作;(十)负责临时用电、动火证的审批;(十一)与时、如实报告、处理公司安全生产事故;(十二)督促各部门正确发放、使用劳动防护用品;(十三)负责与政府安全管理部门的业务接洽工作。易新华王景成现场安全1(一)协助科长,做好各项基础安全管理工作;(二)监督、检查施工现场安全规章执行情况,控制违章行为;(三)跟踪检查隐患整改情况,确保安全防范措施落实到位;(四)掌握分厂安全生产动态,与时报告生产安全事故情况;(五)每日巡查现场,发现安全隐患,与时向领导汇报;(六)完成领导交办的各项临时性工作。叶建波培训统计1(一)负责日常安全教育与入司教育;(二)组织开展公司内部各种安全活动,并制定具体要求与规范;(三)负责公司安全达标工作,积极推进安全标准化建设;(四)负责安全基础档案管理工作;(五)负责编写安全简报和安全数据上报统计,每月进行安全总结;(六)负责职业病危害因素登记、建档和监测、监控管理工作。电气安全1(一)具体负责全公司电气设施安全管理工作;(二)健全公司电气设施台帐,保证资料完整;(三)经常对公司重点电气设施运行情况进行安全检查;(四)组织编制电气设施事故应急预案与安全措施;(五)参与触电事故调查,监督事故防范措施执行情况;(六)每日巡查现场,发现安全隐患,与时向领导汇报;(七)完成领导交办的各项临时性工作。王景成起重安全1(一)参加起重机械安装、验收与试车工作;(二)监督检查起重机械使用、维护,并保证其技术状态良好;(三)负责起重机械上报登记与档案资料管理;(四)负责特种设备报检与特种作业人员的培训、取证、换证、复审等工作;(五)参加起重机械事故调查,监督事故防范措施执行情况;(六)负责对起重作业人员的日常技术培训;(七)组织编制起重设备事故应急预案;(八)每日巡查现场,发现安全隐患,与时向领导汇报;(九)完成领导交办的各项临时性工作。易新华王景成现场监察1(一)负责施工现场安全生产日常检查并做好检查记录;(二)监督现场危险性较大工程安全专项施工方案实施情况;(三)对现场存在的安全隐患与时汇报,并跟踪检查整改情况;(四)与时报告生产安全事故情况,做好事故现场保护与救援工作;(五)完成领导交办的各项临时性工作。

1、当您付费下载文档后,您只拥有了使用权限,并不意味着购买了版权,文档只能用于自身使用,不得用于其他商业用途(如 [转卖]进行直接盈利或[编辑后售卖]进行间接盈利)。
2、本站所有内容均由合作方或网友上传,本站不对文档的完整性、权威性及其观点立场正确性做任何保证或承诺!文档内容仅供研究参考,付费前请自行鉴别。
3、如文档内容存在违规,或者侵犯商业秘密、侵犯著作权等,请点击“违规举报”。

碎片内容

安全科人员职责分工

您可能关注的文档

确认删除?
VIP
微信客服
  • 扫码咨询
会员Q群
  • 会员专属群点击这里加入QQ群
客服邮箱
回到顶部